EasyManua.ls Logo

Sony SLV-SE810 - Page 46

Sony SLV-SE810
86 pages
Print Icon
To Next Page IconTo Next Page
To Next Page IconTo Next Page
To Previous Page IconTo Previous Page
To Previous Page IconTo Previous Page
Loading...
SLV-SE610/SE710/SE810/SX710/SX717/SX810/X9
4-11 4-12
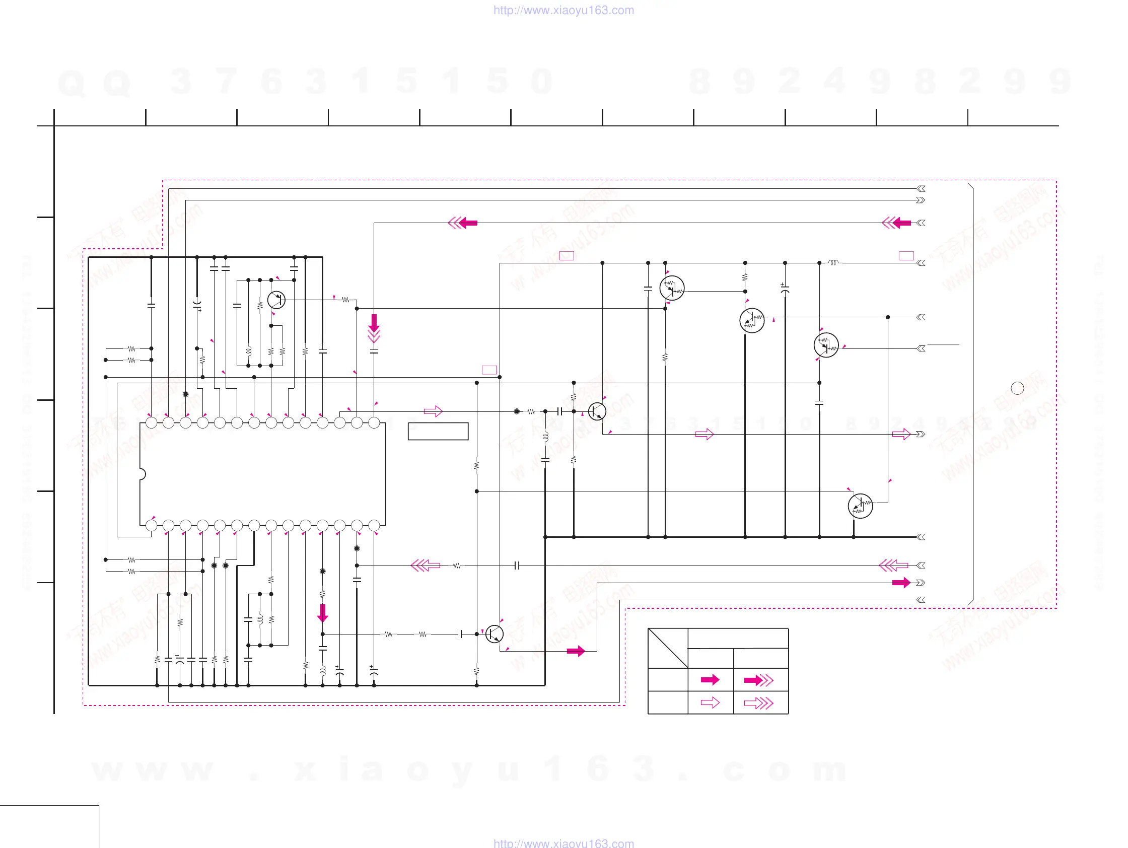
MA-400 (SECAM) SCHEMATIC DIAGRAM See page 4-5 for printed wiring board.
– Ref. No.: MA-400 board; 1,000 series –
SECAM
MA-400 (2/8)
B+B+
B+
NO MARK:REC/PB MODE
R:REC MODE
P:PB MODE
2.8
0.3
R0.4/P5.1
2.1
2.8
2.5
2.6
2.6
5.1
R3/P2.6
R3/P2.62.7
0.1
0.4
2.6
2.6
R2/
P5.1
R1.5/P1.2
2
R3.1/
P2
2.6
4.4
2.3
2.6
0.4
3.6
5.1
R3.2/
P2.3
R0.8/P0
5.1
R0.3/
P1.2
0.8
5.1
R0.4/P5.1
R5.1/
P0.1
R5.1/P0.1
R1.5/
P1.2
5
5.1
R0.5/
P1.5
R0.8/
P0
2.6
0.1
0.1
2.7
SE610B/SE710B/SE810B/SX710B/X9B
R974
22k
C977
0.01u
C978
4700p
C993
0.01u
C976
220p
R979
10k
R973
220k
0.01u
C994
C982
680p
R989
1k
R970
33k
C975
0.022u
L973
47uH
R994
39k
R985
470
47k
R982
R986
47k
Q974
2PD601AR-115
Q972
PDTA114EK-115
C988
100p
2PB709AR-115
Q970
C970
220p
R978
8200
C981
0.01u
C991
0.1u
C980
0.1u
R977
47k
R995
33k
C971
2.2u
50V
C979
150p
C972
4700p
2PD601AR-115
Q973
IC970
LA7337
1
MODE
2
CLK IN
3
AFC FILTER
4
BGP TIMING
5
4.3MHz OFFSET
6
1.1MHz OFFSET
7
GND
8
1.1MHz BELL
9
VREF1
10
IREF1
11
REC-OUT
12
REG
13
PB-IN
14
AGC FILTER
15
REC-IN
16
PB-H
17
PB-OUT
18
LIM EXC
19
IREF4
20
VREF4
21
4.3MHz BELL
22
VCC
23
S/H C1
24
DET C
25
SECAM-DET
OUT
26
SYNC-IN
27
SYNC GATE
TIMING
28
S/H C2
L971
27uH
R993
33k
C983
0.001u
R996
39k
C992
0.01u
L970
6.8uH
R976
2700
R981
27k
R983
5600
R988
15k
C973
0.01u
C984
0.01u
PDTA114EK-115
Q975
PDTC144EK-115
Q976
10uH
L975
C995
100u
16V
33k
R971
100k
R980
SECAM_ON
SECAM_DET
C_SYNC
0
R990
47uH
L972
100p
C985
10k
R997
10k
R998
SW5V
SECAM_VIDEO
PB_C
PB_RF
PB3V
REC_C
FSC
0
R975
C986
10u
50V
JL970
JL971
JL972
0
R999
ANGND
27k
R972
6800
R969
10p
C996
150k
R968
JL973
JL974
JL975
50V
0.47u
C987
50V
1u
C974
PDTC144EK-115
Q977
1
A
SIGNAL PATH
REC
PB
Y/CHROMA
CHROMA
VIDEO SIGNAL
SECAM PROCESSOR
IC970
BUFFER
SWITCH
SWITCH
SWITCH
SWITCH
BUFFER
4.43MHz BELL
FILTER
(SEE PAGE 4-10)
5
MA-400 BOARD (1/8)
24
F
511876
E
05
B
MA-400 BOARD (2/8)
93
D
C
10
w
w
w
.
x
i
a
o
y
u
1
6
3
.
c
o
m
Q
Q
3
7
6
3
1
5
1
5
0
9
9
2
8
9
4
2
9
8
T
E
L
1
3
9
4
2
2
9
6
5
1
3
9
9
2
8
9
4
2
9
8
0
5
1
5
1
3
6
7
3
Q
Q
TEL 13942296513 QQ 376315150 892498299
TEL 13942296513 QQ 376315150 892498299
http://www.xiaoyu163.com
http://www.xiaoyu163.com

Table of Contents

Related product manuals