EasyManua.ls Logo

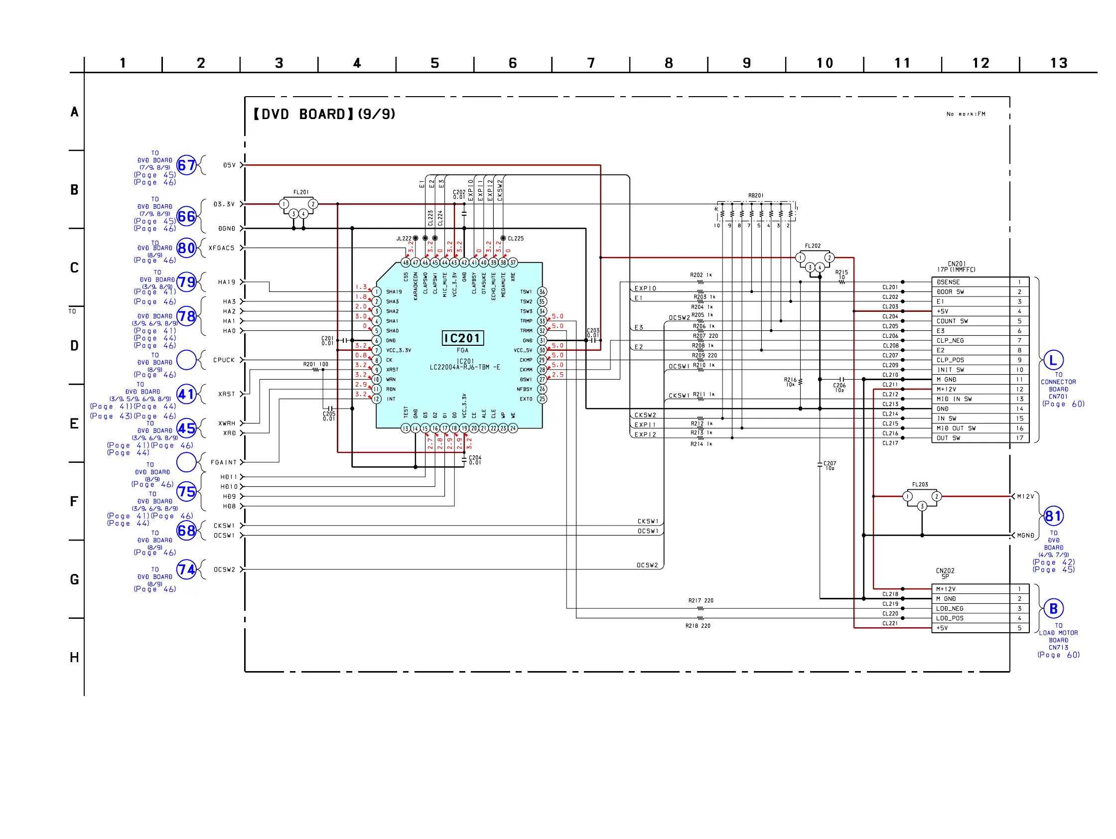
Sony SS-CT550 - Schematic Diagram - DVD Section (9;9)

Sony SS-CT550
128 pages
Print Icon
To Next Page IconTo Next Page
To Next Page IconTo Next Page
To Previous Page IconTo Previous Page
To Previous Page IconTo Previous Page
Loading...

Table of Contents

Related product manuals