EasyManua.ls Logo

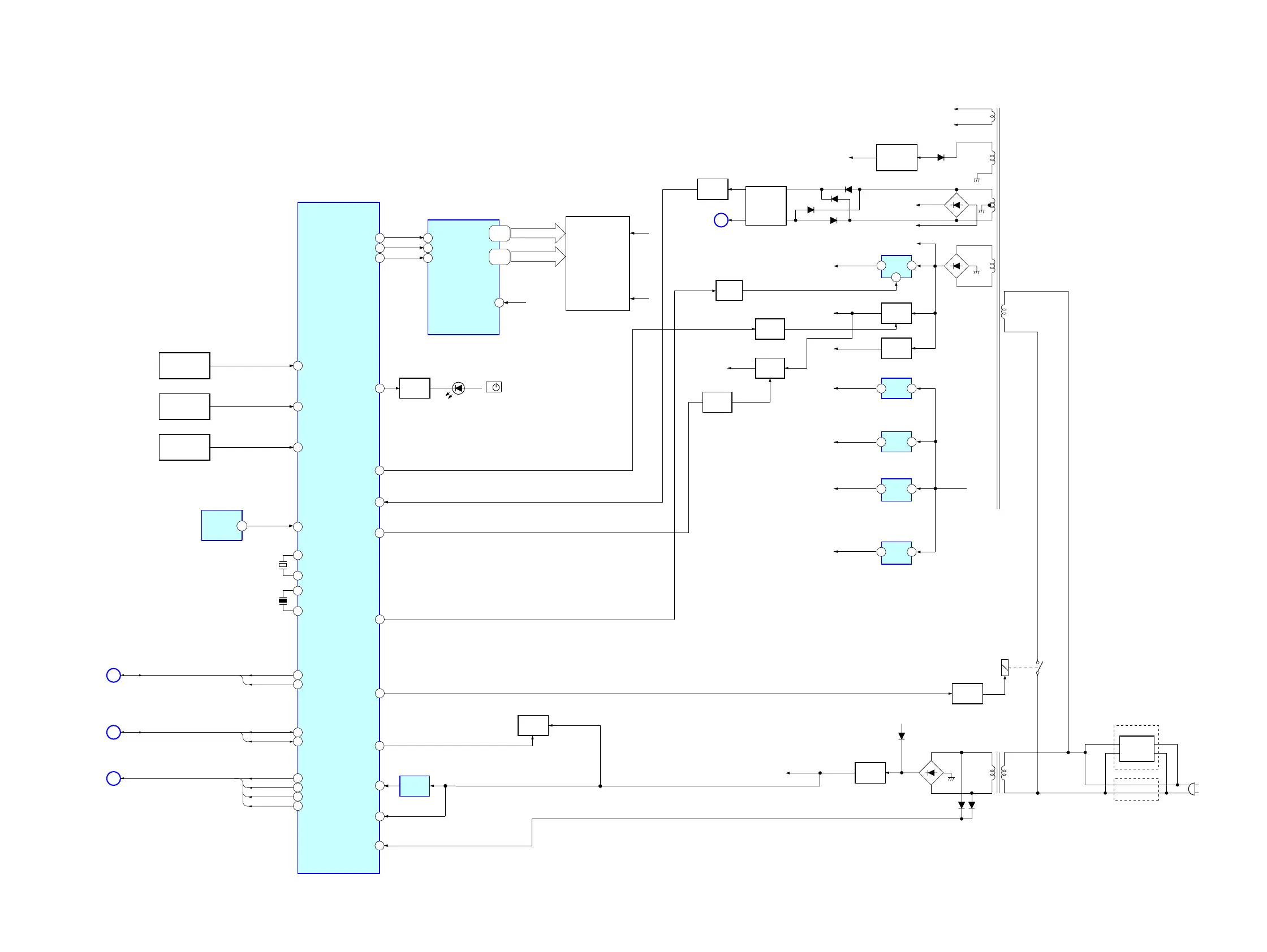
Sony SS-DV2D - PANEL;POWER Section

Sony SS-DV2D
78 pages
Print Icon
To Next Page IconTo Next Page
To Next Page IconTo Next Page
To Previous Page IconTo Previous Page
To Previous Page IconTo Previous Page
Loading...
2525
HCD-DV2D
HCD-DV2D
— PANEL/POWER SECTION —
REMOTE
CONTROL
RECEIVER
IR651
D652
XT2
XT1
X501
32.768kHz
X2
X1
X502
8.38MHz
VFSTB
VFD651
FLUORESCENT
INDICATOR
TUBE
IC651
FL DRIVER
FUNCTION
KEY
S658,S651-654
VFCK
VEDA
REM
I/
LED
DRIVE
LED
Q502
1
RLY
RESET
SWITCH
IC502
RST
AVR
D302
PT901
POWER
TRANSFORMER(MAIN)
D901-904
RELAY
DRIVE
AC IN
D301
Q305,Q320
POWER
CONTROL
D324
D309
POWER AMP B+
-33V(VPP)
POWER AMP B-
PT902
(SUB)
TRANSFORMER
D+5V
D +5V
+12V(VM)
+9V
+2.5
+5V
REG
IC301
+12V
REG
Q311,312
+9V
REG
Q316
D306
VF
VF
Q307
RY901
D907
D906
CD ON
TOP
TCL
TOP
TCL
POWER
-33V
REG
Q315
Q318
SWITCH
+VDD
37
38
40
41
56
55
45
14
62
17
16
15
60
9
8
7
63
34
36
35
IC501 (2/2)
SYSTEM CONTROLLER
STB
26
KEY1
CLK
DIN
14-29,
31-38
SEG1-SEG24
42-39
GRID1-4
-33V(VPP)VEE
VF
VF
1
5
2
+2.5V
REG
UD704
12
+3.3V
+3.3V
REG
U702
12
+1.8V
+3.3V
+1.8V
REG
UD703
+3.3V
REG
UD702
3
3
1
1
+5V
+5V
+12V(VM)
REG
Q504-506
FUNCTION
KEY
S665,S666,S656,S657,S659
27
KEY2
FUNCTION
KEY
S655,S660-664
28
KEY3
CLS
OPN
CLS
C
MPEG1
SECTION
D
MPEG1
SECTION
OPN
50
49
DSCK
DSSTB
DSCK
DSSTB
F
MPEG2
SECTION
48
47
DSDA
MRST
DSDA
MRST
SFTY
29
FPON
22
SWITCH
Q507
D501
30
Q306
SWITCH
A
AUDIO
SECTION
Q309,310
SWITCH
+9V
REG
Q196,197
SWITCH
Q198
+9V (TU)
PCON
64
INH
44
TUON
61
SW901
VOLTAGE
SELECTOR
E2,E3,E51,SP
EXCEPT E2,E3,E51,SP
Ver. 1.1
www.freeservicemanuals.info
07/11/2016
Published in Heiloo Holland

Related product manuals