EasyManua.ls Logo

Sony SS-DV2D - Page 45

Sony SS-DV2D
78 pages
Print Icon
To Next Page IconTo Next Page
To Next Page IconTo Next Page
To Previous Page IconTo Previous Page
To Previous Page IconTo Previous Page
Loading...
43
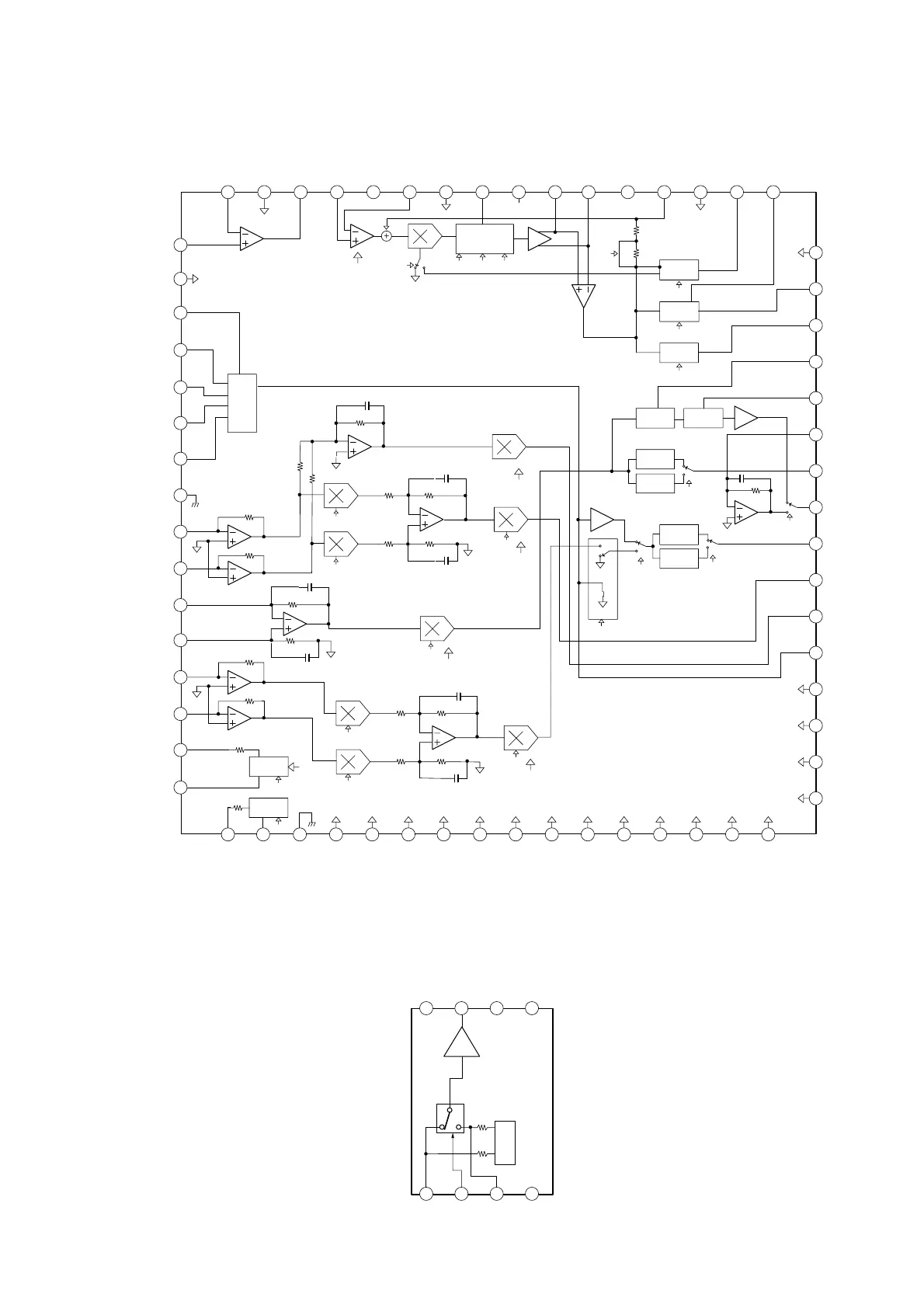
HCD-DV2D
U709 LA9703W
UD701 NJM2233BM-T1
1 2 3 4
8 7 6 5
BIAS
BUFFER
15k
15k
VIN1 SW1 VIN2
GND VOUT V+
www.freeservicemanuals.info
07/11/2016
Published in Heiloo Holland

Related product manuals