EasyManua.ls Logo

Sony SS-M40D - Exploded View - SS-M60 D;M80 D

Sony SS-M40D
10 pages
Print Icon
To Next Page IconTo Next Page
To Next Page IconTo Next Page
To Previous Page IconTo Previous Page
To Previous Page IconTo Previous Page
Loading...
7
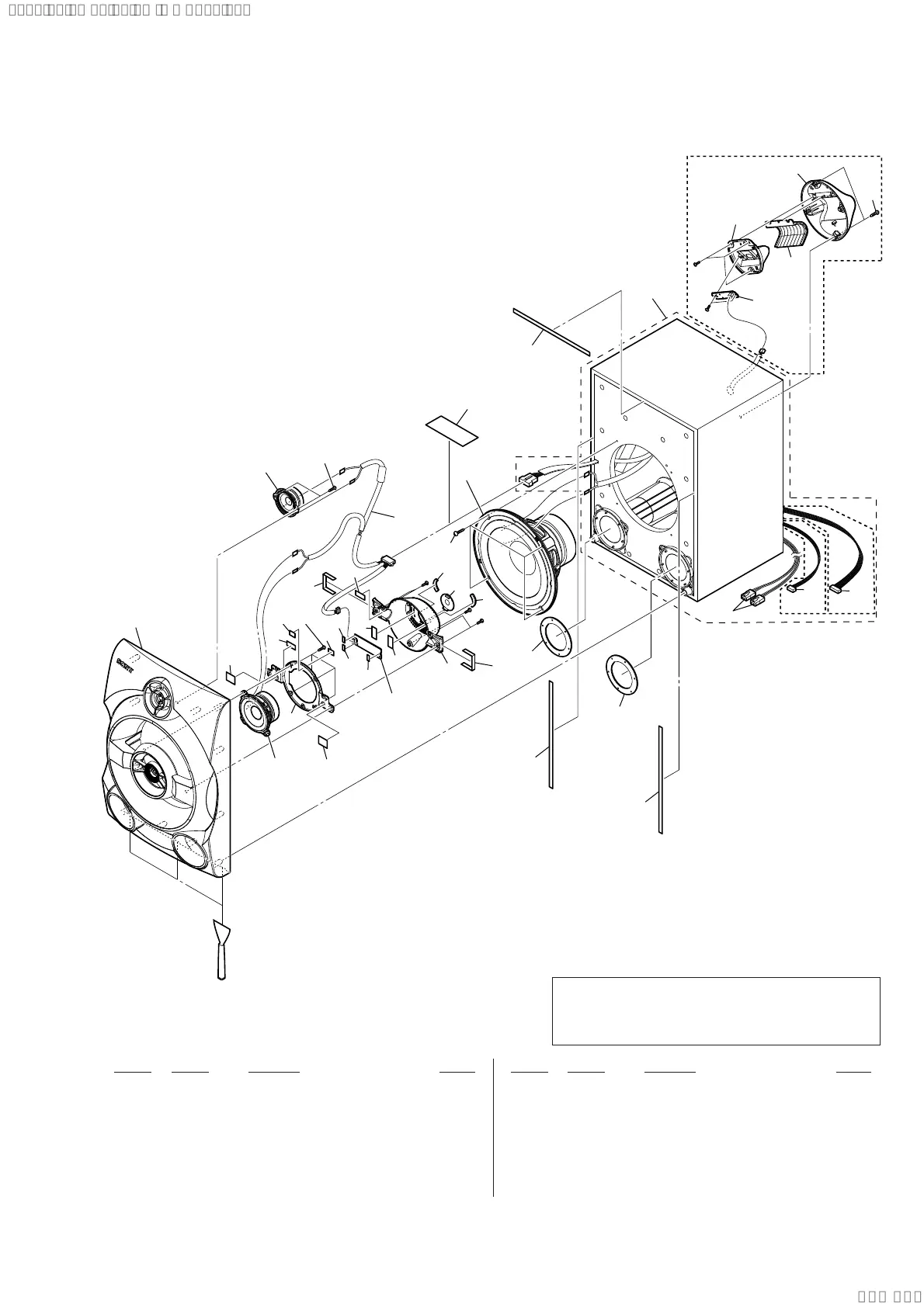
SS-M20/M20D/M40D/M60D/M80D/WM80D
51 4-874-614-02 SCREW (1) (3.5X14), TAPPING
52 1-859-271-11 LOUDSPEAKER (5CM)
53 1-859-272-11 LOUDSPEAKER (8CM)
54 4-725-963-01 PANEL, FRONT
55 A-2192-367-A SPK RGB LED BOARD, COMPLETE (M80D)
55 A-2196-566-A SPK RGB LED BOARD, COMPLETE (M60D)
56 1-912-365-21 CABLE WITH CONNECTOR
57 4-238-407-12 SCREW (1) (4X20), +BV TAPPING
58 1-859-273-11 LOUDSPEAKER (20CM)
59 A-2192-366-A SPK PARTY LED BOARD, COMPLETE (M80D)
#1 7-685-646-71 SCREW +BVTP 3X8 TYPE2 IT-3
#2 7-685-647-71 SCREW +BVTP 3X10 TYPE2 IT-3
#3 7-685-650-79 SCREW +BVTP 3X16 TYPE2 IT-3
ns not supplied
Ref. No. Part No. Description Remark Ref. No. Part No. Description Remark
2-2. SS-M60D/M80D
Note: This diagram is for SS-M60D speakers or SS-
M80D R channel speaker. The mechanical
position of SS-M80D L channel speaker is
reversed.
Ver. 1.1
(M80D)
ns
ns
ns
ns
ns
ns
ns
ns
ns
ns
ns
ns
ns
ns
#2
#1
#1
#2
#3
51
51
52
53
54
57
56
55
57
58
ns
ns
ns
ns
ns
ns
ns
ns
ns
ns
59
ns
ns
ns
ns
ns
ns
ns
(M60D) (M80D)
SYSSET
2018/05/2500:59:48(GMT+09:00)

Related product manuals