EasyManua.ls Logo

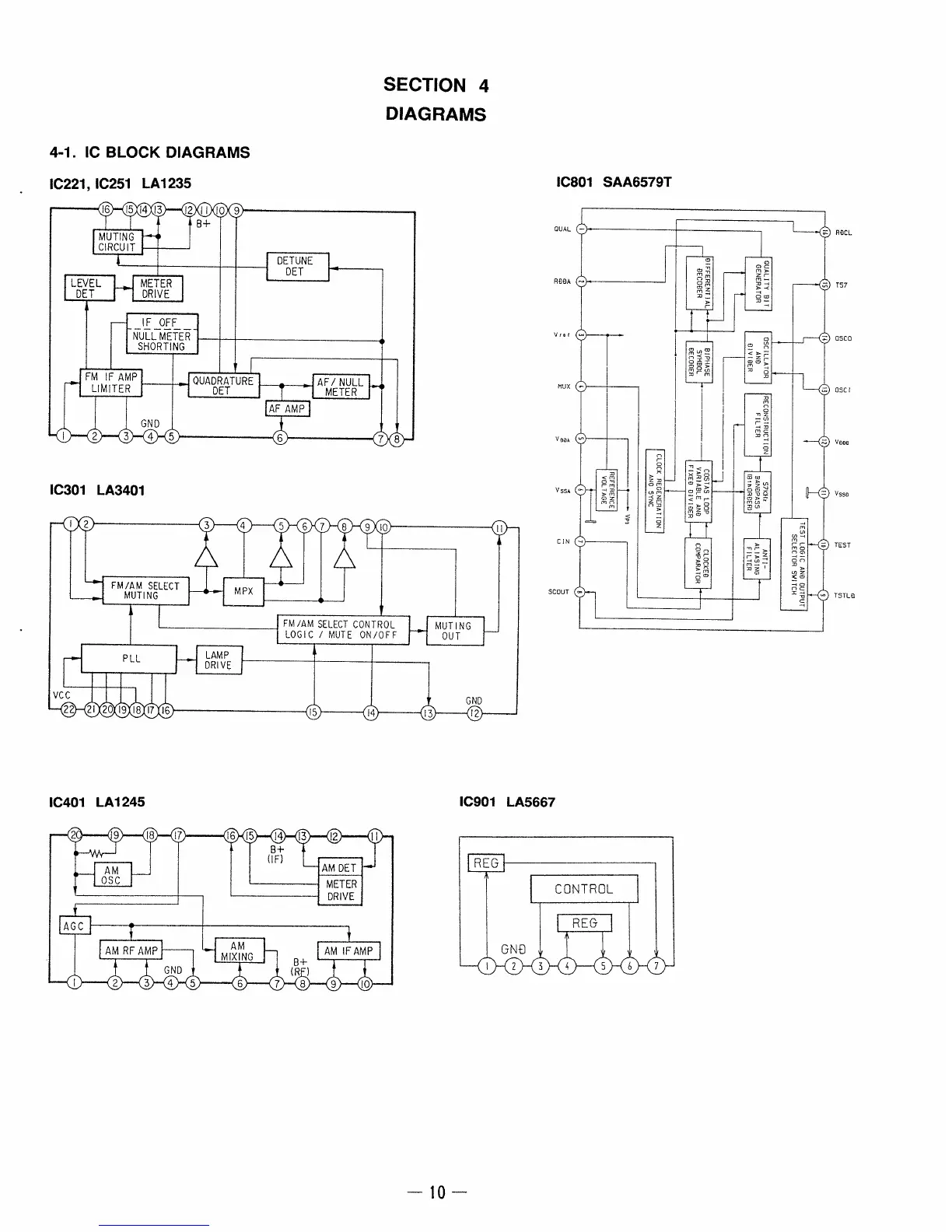
Sony ST-SA3ES - Diagrams; IC Block Diagrams

Sony ST-SA3ES
23 pages
Print Icon
To Next Page IconTo Next Page
To Next Page IconTo Next Page
To Previous Page IconTo Previous Page
To Previous Page IconTo Previous Page
Loading...

Other manuals for Sony ST-SA3ES

Related product manuals