EasyManua.ls Logo

Sony ST-SP55 - Block Diagram

Sony ST-SP55
16 pages
Print Icon
To Next Page IconTo Next Page
To Next Page IconTo Next Page
To Previous Page IconTo Previous Page
To Previous Page IconTo Previous Page
Loading...
ST-SP55
5
5
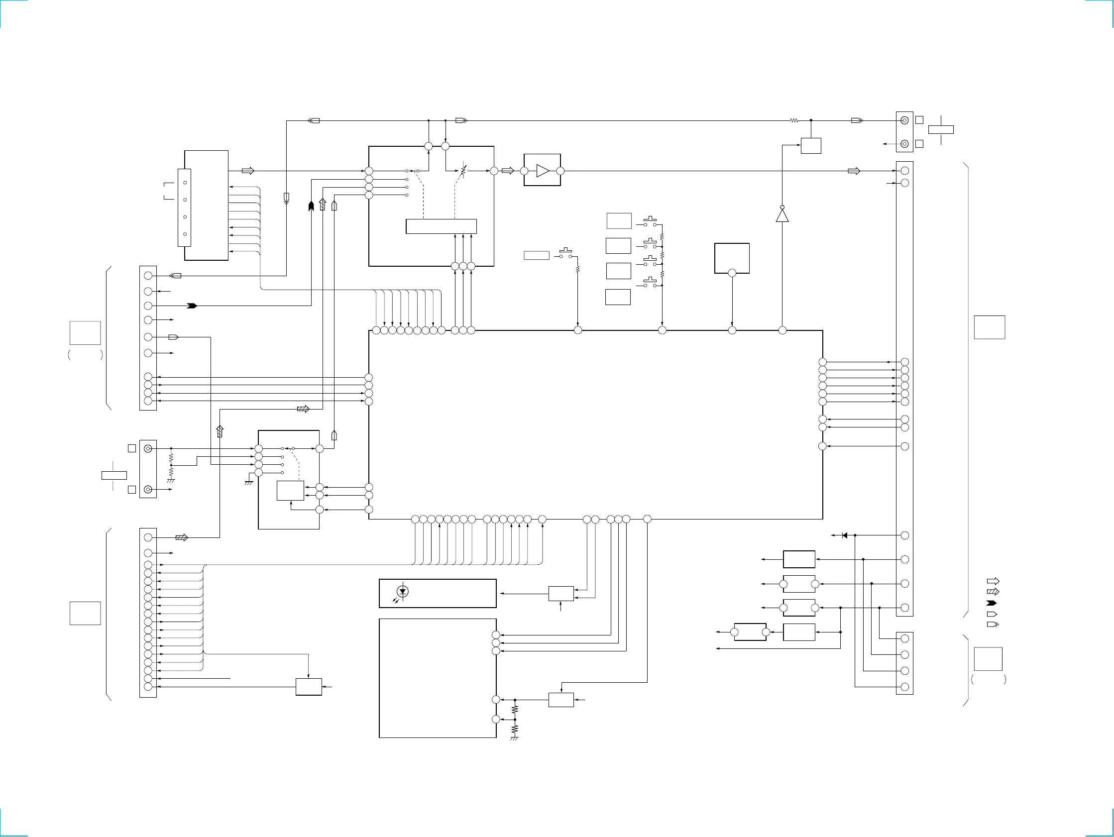
3-2. BLOCK DIAGRAM
: FM
: CD
: MD
: TAPE
: REC (TAPE/MD)
Signal Path
R-ch is omitted due to same as L-ch.
Q291
+10V REG
75
61
VOL-DATA
FUNC1
60
FUNC2
58
13
FUNC INHIBIT
72
DSG-OFF
76
PRE-MUTE
77
HP-MUTE
HP-MUTE
78
TA-STANDBY
79
PWR-RELAY
80
SP-RELAY
86
VOL-ENC-A
87
VOL-ENC-B
DSG-OFF
XPRE-MUTE
ON/STBY
P-RELAY
S-RELAY
ENC0
ENC1
TA-KEY
X0
X1
X2
X3
AUXH-L
AUXL-L
TC-L
74
VOL-CLK
73
VOL-LAT
14
13
12
11
DI
CONTROL
CL
CE
44
PAUSE-LED
43
PLAY-LED
42
CD-XLT
41
SENSE
40
LOAD-IN
39
LOAD-OUT
38
BD-POWER
37
CD-CLK
35
CD-DATA
34
LPC-HOLD
33
SQCLK
32
SQDATA
19
SCOR
95
CDM-SW
92
KEY3
91
KEY2
LED1
LED0
CD-XLAT
SENS
LOAD-OUT
LOAD-IN
CD-POWER
CD-CLK
CD-DATA
HOLD
SQCK
SQSO
SCOR
CDM-SW
CD-KEY
P-DOWN OUT
PCPON
IIC-DAT
IIC-CLK
10 9
10
9
6
17
6
8
1
6
4
8
2
5
1
11
10
14
12
3
5
6
7
8
9
10
11
12
13
14
15
16
17
18
19
4
11
10
13
9
12
15
16
14
4
5
1
3
17
16
19
15
12
14
15
11
5 3 1
BUFFER
IC231
Q201
Q221
MUTE
1 30 2
51
RO-MUTE AUX
Q301
+11V REG.
3 2
IC282
-7V REG.
IC281
+7V REG.
3 1
IC283
+5V REG.
3 1
L
R
AUX OUT
L
R
AUX IN
+5V
SWITCH
Q281,282
CD L
IIC-CLK
IIC-DATA
PCPON
PDOWN
TC-R
TC-L
MD-R
MD-L
REC R
REC L
CD R
CDKEY
PLAY LED
PAUSE LED
DATA
XLAT
CLOK
HOLD
SQSO
SENS
SQCK
SCOR
CD MSW
LOAD-IN
LOAD-OUT
CD-KEY
LED0
LED1
CD-DATA
CD-XLAT
CD-CLK
HOLD
SQSO
SENS
SQCK
SCOR
CDM-SW CD-PWR
+ UBREG(L)
LOAD-IN
LOAD-OUT
UNREG(L)
+5V
SYSTEM
CONTROL
2
(TO CDP-SP55)
SYSTEM
CONTROL
1
(FROM TA-SP55)
SYSTEM
CONTROL
3
SYSTEM
CONTROL
3
TO TC-SP55/
MDS-SP55
TO TC-SP55/
MDS-SP55
CN203(1/2)
J210(2/2)
CN203(2/2)
CN201
J210(1/2)
CN205
+UNREG(L)
+UNREG(L)
-UNREG
+13.5V(REG)
+5.6V(UNSW)
TA-KEY/HPSW
ENC1
ENC0
XS-RELAY
P-RELAY
ON/STBY/AMP-MUTE
HP-MUTE
XPRE-MUTE
R
L
DSG-OFF
-UNREG(L)
+UNREG(H)
D+5.6V(UNSW)
LSELO LIN
LOUT
IC401
INPUT SELECT/EVR
ST-L L1
L2
L3
L4
MD-L
CD-L
SEL-L
R-CH
R-CH
R-CH
R-CH
+5V
R-CH
R-CH
R-CH
PDOWN
PCPON
DATA
CLK
IC701
MASTER
CONTROL
+10V
-7V
+7V
+5V
+5V
+UNREG(L)
CONTROL
X
A
B
INH
IC202
INPUT SELECTOR
09
D950-957
6
5
4
DATA
SCK
STB
1
VDD
3
VREF
1
OUT
DPDATA
DPCLK
DPCS
LCD
DISPLAY
UNIT
IC901
REMOTE
COMMANDER
RECEIVER
B+
SWITCH
LED
DRIVE
+5V
+5V
Q704
Q701,702
Q705,706
–7V
BACK
LIGHT
ILL(-7V)
84 4
DP PWR
BL DIMMER
1 2
3
DP DATA
DP CLK
DP CS
83
DP PWR
88
SIRCS
89
90
KEY0
KEY1
21
20
24
23
27
18
26
28
25
RDS DATA
RDS INT
TUNED
STEREO
ST MUTE
ST DIN
ST DOUT
ST CLK
ST CE
S923
S922
S921
S920
S910
TUNING
MODE
TUNING
TUNER/
BAND
TUNING
+
DISPLAY
85
67
30
29
TUNER
UNIT
RDS DATA
RDS INT
TUNED
STEREO
ST MUTE
ST DIN
ST DOUT
ST CLK
ST CE
FM 75
G
AM
www.freeservicemanuals.info
05/28/2012
World of Free Manuals

Related product manuals