EasyManua.ls Logo

Sony STR-AV220 - Page 5

Sony STR-AV220
21 pages
Print Icon
To Next Page IconTo Next Page
To Next Page IconTo Next Page
To Previous Page IconTo Previous Page
To Previous Page IconTo Previous Page
Loading...
AM
SECTION
e
AM
Meter
Adjustment
Setting
:
AM
RF
signal
generator
AM
loop
antenna
mee
30%
amplitude
ss
elle
modulation
by
400Hz
signal
Put
the
lead-wire
antenna
close
to
the
set.
(Ce
Procedure:
1,
Tune
the
set
to
1,050kHz,
2.
Adjust
the
RV283
so
that
the
5
point
segment
of
the
signal
meter
goen
on,
Adjustment
Location:
tuner
board
721,
A
ADJ
RV24
LEVEL
ADJ
RV21
FM
STEREO
SEPARATION
ADJ
RV23
AM
METER
ADJ
}
DISCRIMINATOR
FM
STEREO
OPERATION
SECTION
3
DIAGRAMS
FL3OI
FLUORESCENT
INDICATOR
TUBE
16-96
K-A
,
$301-308,
Ea
$0308
30-27
,25
—20,
I7
(16)
$0
—-———-
$10
SII
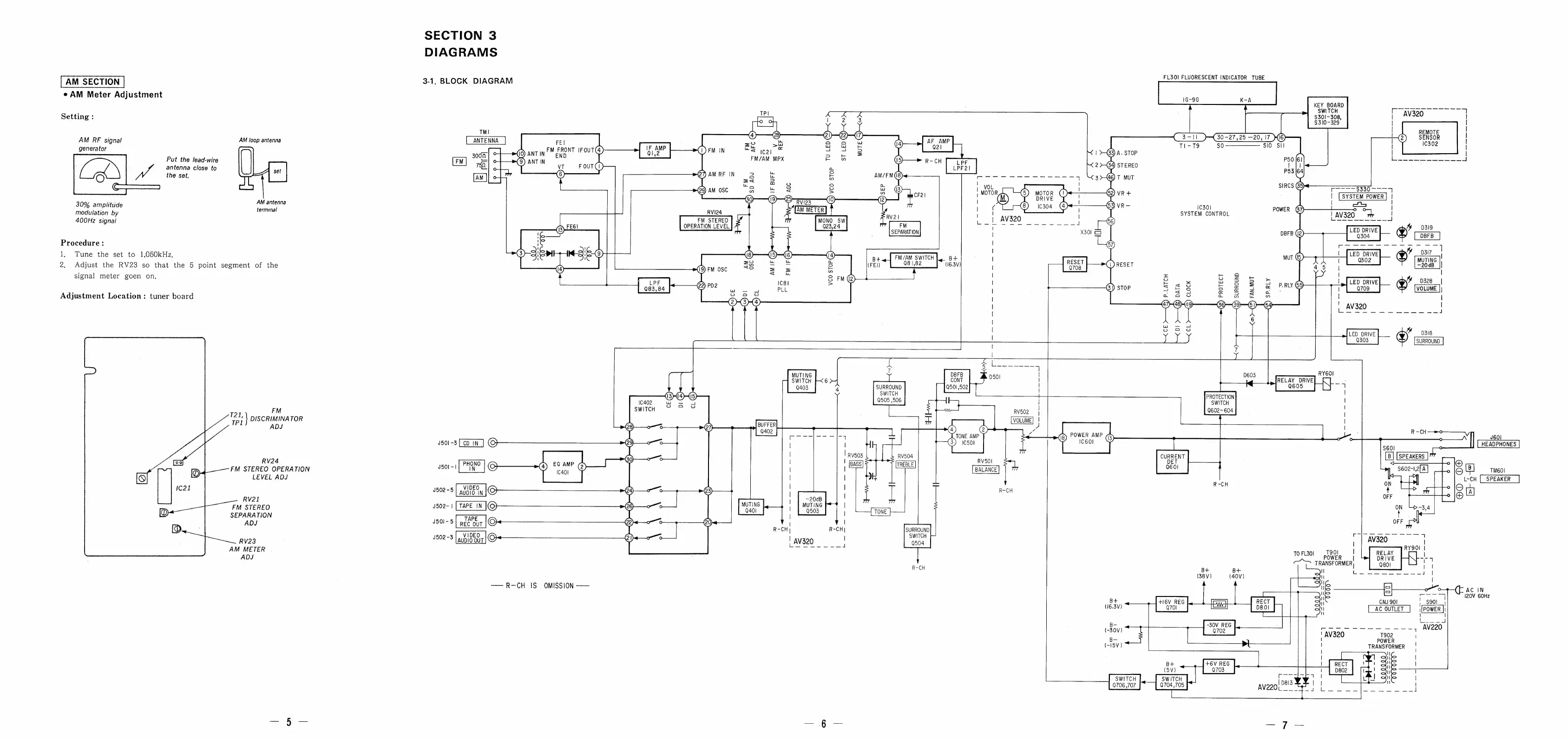
3-1.
BLOCK
DIAGRAM
KEY
BOARD
SWITCH
FEI
FM
FRONT
IFOUT(4)
IF
AMP
C1)
FM
IN
ANT
IN
Q1,2
mel’
END
TIN
oan
VT
F
ouTCI)
TEREO
MONO
SW
FM
S
L_
OPERATION
LEVEL
;
FM
.
SEPARATION
B+
6.
3v)
|
LPF
983,84
(8)
SURROUND
REMOTE
SENSOR
IC302
Po===S5330---4
J
|
[SYSTEM
POWER]
|
|
Sar
"
a0
rower
GD
so,
RVI24
R
we
SYSTEM
CONTROL
|
AV320_
eal
Sa
4
0319
LED
DRIVE
PER
Y
[
DBFB_
|
Ro
eo
ke
ae
oe
ay
eee
7
LED
DRIVE
4
_03i7
|
Q302
MUTING
-20dB
|I
P
|
LED
DRIVE
A
0328
|
Q709
®
VOLUME
|}
|
AV320
|
L
Bo
earth
6
ire}
-
a)
4
cae
ace
LED
DRIVE
A
_
0318
Tae
Q303
[SURROUND
|
7
i
RY6O!
DBFB
|
0603
Suites
Ke
CONT
po!
|
RELAY
DRIVE
oe
9403
A
SURROUND
Q501,502
Q605
>
z
SWITCH
J:
PROTECTION
Q505
,506
|
SWITCH
SWITCH
|
RVS02
|
Q602-604
ae
Ae
VOLUME
}
|
0402
(4)
2)
ie
Patines
——
~4
a
TONE
AMP
ey
PO
MEME
(3)
ai
0
J601
J501-3
O
|
|
C50!
C60!
aeGi
HEADPHONES
|
ze
CURRENT
[SPEAKERS
|
PHONO
EQ
AMP
aba
1601
;
©
[B
|
velo
©
©
@
|
BALANCE
a0)
s602-12[A]
©
1]
reo
C401
:
ix
A
L~CH
[|
SPEAKER
R-CH
ON
[7]
ViDEO
1
|
Bae
4
>
sa
gal
a]
4502-5}
audio.
IN
2048
OFF
©
ee
2
MUTING
MUTING
on
Lp-34
J502-
1
|
TAPE
IN
|(©)
!
as
i
|
OFF
[>
J501-5|
peAFE
IC
|
REC
OUT
R-CH|
R-CH
iS
i
Nis
A
00
<r
at
5
os
VIDEO
SWITCH
1802-3
|
aypig
out
|
©
|
AV320
9504
pase
eee
peigtagnane
TOFL301
_T90I
|
RELAY
POWER
|
DRIVE
--4\}-
“>
TRANSFORMER,
0801
is
'
:
R-CH
B+
B+
i
Ace
acoso
est
atl
af
(40V)
——
R-CH
1S
OMISSION
——
AC
IN
I20V
6OHz
iH
I
Bt
+16V
REG
Farrel
RECT
CNJ
901
$90!
(16.3V)
AW
D801
x
AC
OUTLET
|
|
B-
ae
-30V
REG
ey
(-30V)
Q702
B-
(-15V)
l
|
|
+6V
REG
|
Q703
“SWITCH
SWITCH
ne
Q706
,707
Q704
705
AV220.__

Related product manuals