EasyManua.ls Logo

Sony STR-DE415 - Page 8

Sony STR-DE415
22 pages
Print Icon
To Next Page IconTo Next Page
To Next Page IconTo Next Page
To Previous Page IconTo Previous Page
To Previous Page IconTo Previous Page
Loading...
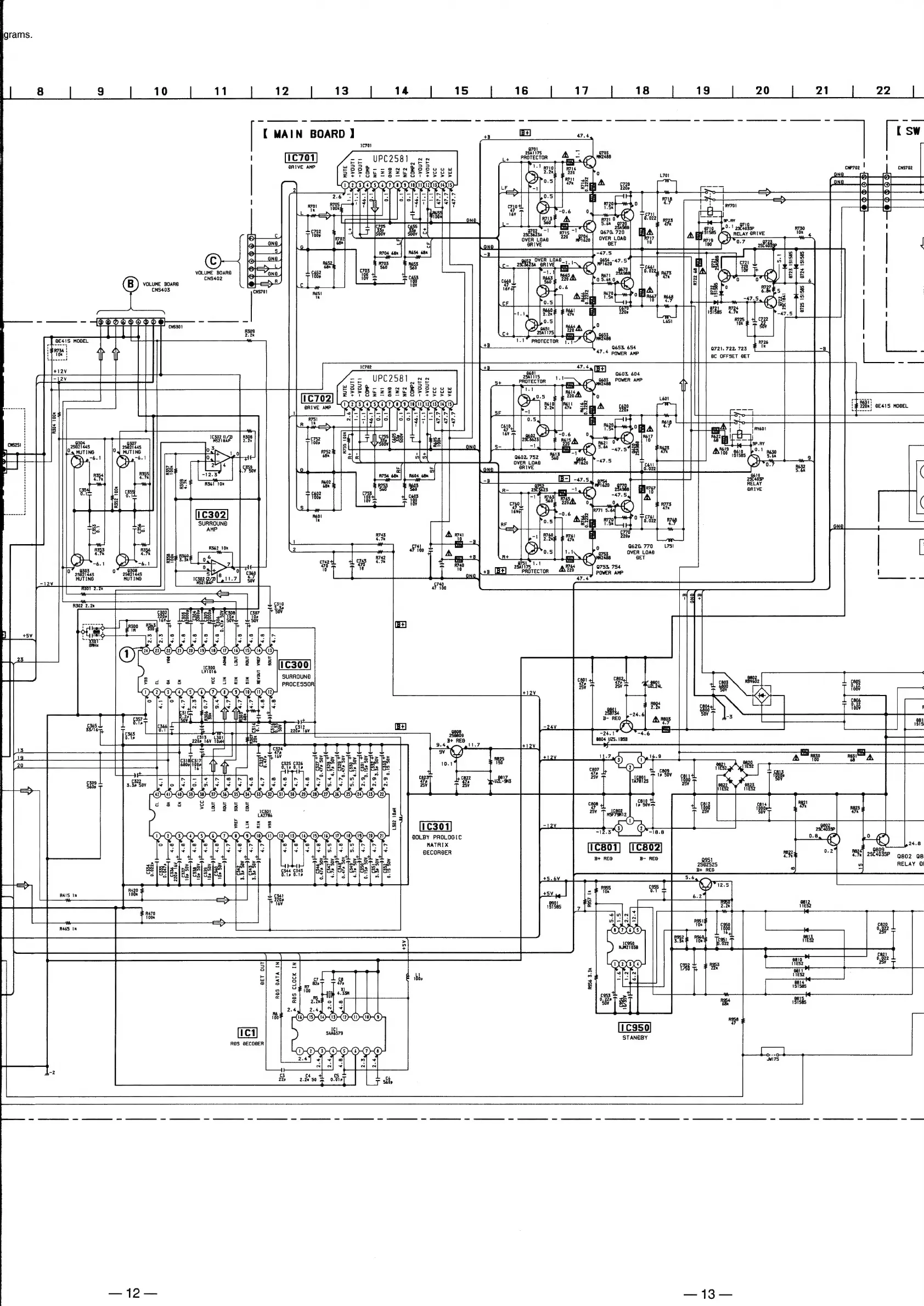
grams.
22
21
20
19
18
17
16
15
14
13
12
11
10
=
n
ei
eee
a
LT
|
CNS702
3
e)
S@SIS!
9228
|
SSIS!
S7Zé
SOSISI
£728
°
1ye196z
>
&
OVER
LOAD
RIVE
1¢701
[
MAIN
BOARD
]
(ts
eee
CIT)
VOLUME
BOAR®
CNS402
VOLUME
BOARS
CNS403
8)
SOO0@
-
-
——_-
CPC?
tat
+
8s
|
gs
|
Ae,
|
cf
hit
=
a
ie
RELAY
4!
SP
802
a8
ot
#5
|S
Se2
|
Gs=
M75
Q721,
722,
723
8C
OFFSET
SET
620,
770
OVER LOAD
ET
STANDBY
Q603,
604
03,
POWER
AMP
2488
653,
654
47-4
POWER
AMP
POWER
AMP
Q753
754
iad
oc
wm
o
:
wy
a
See
by
wn
S-|
SS,
gaa}
:
T|
BS
BA51-
GR
TI?
3
=
Fe”)
a)
gas
ee
3s
MATRIX
NECORBER
SOLBY
PROLOGIC
HOI
2087
A0S.
1L9°0)
wy
AOS
4249°0,..
azey_L"Y
SURROUND
ROS
BECOBER
A
0
cee
R362
10k
SURROUND
AMP
ee
224

Other manuals for Sony STR-DE415

Related product manuals