EasyManua.ls Logo

Sony STR-DE415 - Page 9

Sony STR-DE415
22 pages
Print Icon
To Next Page IconTo Next Page
To Next Page IconTo Next Page
To Previous Page IconTo Previous Page
To Previous Page IconTo Previous Page
Loading...
7
28 29
come
wo
NO
o
N
ah
N
N
N
Ww
N
>
N
ul
ND)
o
NO
E
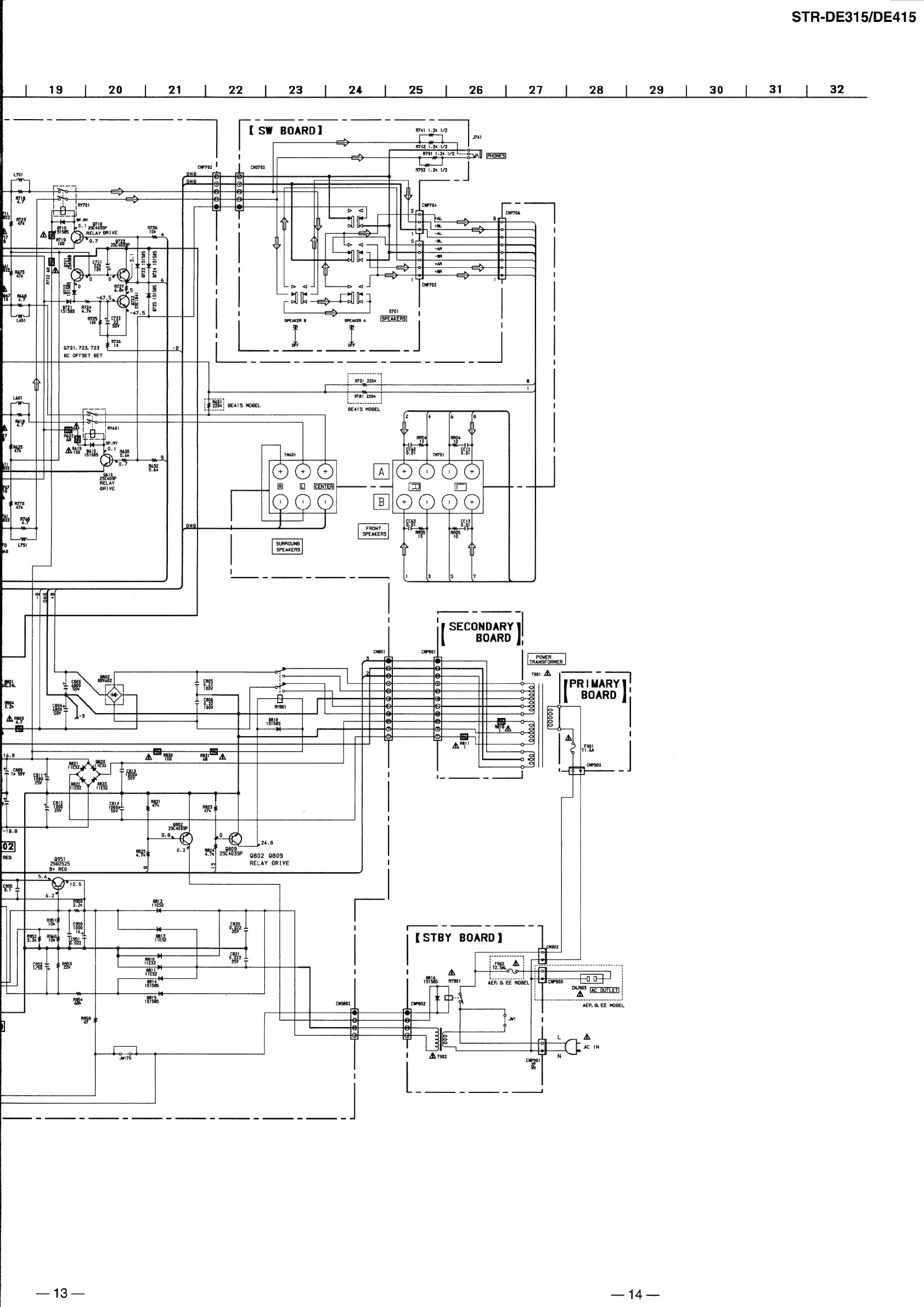
SW
BOARD]
wt
a
as
aa
R792
1.2k
1/2
ee
———————
Q721,
722,
723
OC
OFFSET
SET
CN8O1
CNP80!
(
—e-———6
io
ome
eee]
A
Ae
|
Lea
A=
eo
fe
a
PRI
MARY
2
RE
a
5
6
ES
BOARD
i
oe
Ce
5
|
SD
a
SS
ee
a
|
fe
iee—
1A
8
C2
oa
1
-
|
6
Ht.
9809
28C403SP
ggo2 a809
RELAY
RIVE
rc
t
=o
age
30
31
STR-DE315/DE415
32

Other manuals for Sony STR-DE415

Related product manuals