EasyManua.ls Logo

Sony STR-K850P - Block Diagrams - MAIN Section

Sony STR-K850P
42 pages
Print Icon
To Next Page IconTo Next Page
To Next Page IconTo Next Page
To Previous Page IconTo Previous Page
To Previous Page IconTo Previous Page
Loading...
88
STR-K850P
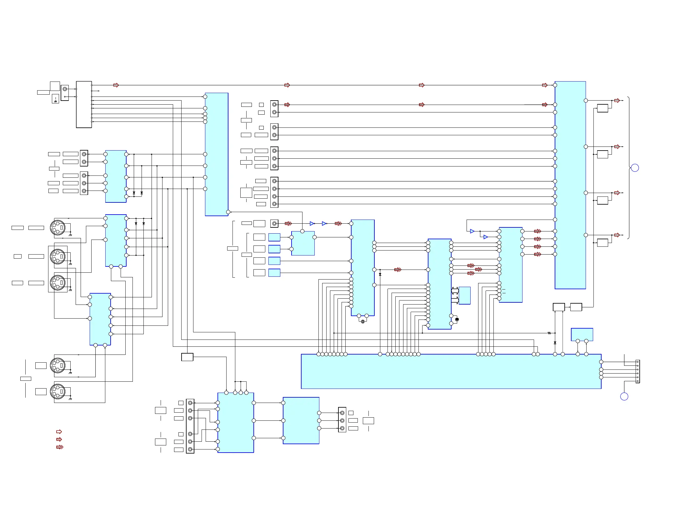
3-2. Block Diagrams – MAIN Section –
• Signal Path
: FM
: CD(ANALOG INPUT)
: DVD (DIGITAL INPUT)
• R-CH is omitted due to same as L-CH.
AUDIO IN
AUDIO IN
AUDIO IN
PROCESSOR
INL3
80
RECL2
60
INL4
78
INL6
74
RECL1
58
INL7
72
54
L OUT
INL5
76
41
SL OUT
36
C OUT
35
SW OUT
MUTING
Q361
MUTING
Q365
MUTING
Q363
MUTING
Q364
15
CLK
SDA
SCL
14
DATA
SYSTEM CONTROL
IC1601(2/3)
J404
DVD
IN
VIDEO 2
IN
J1101
35
62
IC1102
DIGITAL AUDIO
I/F RECEIVER
IC1101
SEELCTOR
IC1103
L
DIN2
5
DO
35
DI
36
CLK
38
CE
37
ERROR
34
XSTATE
17
XMODE
48
13
CK OUT
14
BCK
15
LRCK
16
DATAO
IC1102
X1101
12.288MHz
AUDIO DSP
IC1201
KFSI0
22
SDI2
30
HCLK
34
HCS
36
HACN
32
PM
113
BST
56
XRST
2
23
SDO1
24
SDO2
25
SDO3
BCKI2
29
LRCKI2
28
IC1202
SRAM
AUDIO CODEC
IC1501
MCLKI
39
CDT1
43
CCLK
42
CS
41
PD
17
S.MUTE
3
27
L OUT1
BCLK
4
LRCK
5
SDTO
9
SDTI1
6
SDTI2
7
SDTI3
8
25
L OUT2
23
L OUT3
24
R OUT3
LIN+
30
LIN-
29
21
IC1502
67
IC1502
ANALOG SOUND
SL
BAL L+
14
LIN2
20
23
24
25
SL
C
SW
SLIN2
CIN2
SWIN2
A
98 97 95 96 99 100 94 1
DO
DI
CLK
CE
ERROR
XSTATE
CKSEL1
DATA0
20
HCLK
4
HCS
5
HACN
7
PM
3
BST
6
XRST
10
CDT1
12
SCL
13
CS
8
PD
9
SMUTE
24
ANA/DIG
MUTING
CONT
Q1601,1602
Q301
SWITCH
21
5 6
34 33
F.MUTING
MUTING
SWITCH
Q379
49MD0
51
MD2
28
FLASH 1
27
FLASH 2
MD0
VDD
MD2
FLASH 1
FLASH 2
RESET
+3.3V
CNS3
B
J403
J402
CD/SACD
MD/TAPE
DVD
VIDEO 2
AUDIO OUT
OPTICAL
IN
IC1104
MD/TAPE
IN
OPTICAL
IN
IC1105
MD/TAPE
OUT
OPTICAL
OUT
IC1107
CD/SACD
IN
OPTICAL
IN
IC1106
DIN1
4
7
1Y
14
A
1C0
6
1C1
5
DOUT
2
DIN0
3
22 21
XIN XOUT
93
XMODE
CKSEL1
47
GP9
68
HD OUT
35
HD IN
33
2
GP9
18
HD OUT
19
HD IN
9
MCLK1
12
MCLK2
X1201
13.59MHz
14
SCK OUT
20
BCKO
19LRCKO
18SDI1
24AUDIO
GP8
69
EXLOCK
59
INL1
4
FLASH
FOR
PROGRAMMING
TUNER PACK
FM
75
COAXIAL
AM
R-CH
ST-DI
ST-DO
CLK
CE
STEREO
TUNED
MUTING
FM
AM
R CH
L CH
SYSTEM CONTROL.
IC1601(1/3)
DO
76
J200
J251
J252
V1 OUT
15
V1
13
M.OUT
1
14
SW1
VIDEO SELECT
VIDEO OUT
VIDEO OUT
VIDEO 1
MONITOR
J201
V2
5
DVD
3
DVD
VIDEO 1
VIDEO IN
VIDEO IN
VIDEO IN
S-VIDEO OUT
S-VIDEO IN
S-VIDEO IN
MONITOR
DVD
VIDEO 2
VIDEO 1
S-VIDEO
OUT
S-VIDEO
IN
VIDEO2
IN
VIDEO 2
IC203
10
SW2
4
SW3
6
SW4
2
SW5
SLATCH
78
STEREO
74
TUNED
73
MUTING
75
SW1
90
SW2
89
SW3
88
SW4
SELECT1
87
91
IN
OUT
IN
MULTI
CH
IN
COAXIAL
OPTICAL
DIGITAL
ANTENNA
D204
D203
SURROUND
CENTER
CIN1
7
SWIN1
8
SLIN1
10
J401
SUB WOOFER
FRONT
LIN1
11
-
-
D1101
IC201
D1601
SDA SCL
EEPROM
IC1604
V2
V1 OUT
V1
5
DVD
3
M.OUT
1
14
SW1
1315
IC251
S-VIDEO
Y SWITCH
1X
13
0X
12
1Z
3
0Z
5
1Y
1
0Y
2
14
6 9 10 11
XCOM
INH
C
B
A
Y
P
B
/B-Y
P
R
/R-Y
Y
P
B
/B-Y
P
R
/R-Y
4
ZCOM
15
YCOM
11
3
VOUT2
9
VOUT3
13
5
1
VOUT1
VIN2
VIN3
VIN1
IC301
COMPONENT VIDEO
SELECTOR
IC302
VIDEO AMP
10
SW2
4
SW3
6
SW4
2
SW5
D252
D251
V2
V1 OUT
V1
5
DVD
3
M.OUT
1
14
SW1
1315
IC252
S-VIDEO
C SWITCH
10
SW2
4
SW3
6
SW4
2
SW5
(ANALOG SIGNAL)
J253
J301
(1/2)
Y
P
B
/B-Y
P
R
/R-Y
J301
(2/2)
MONITOR
OUT
DVD
IN