EasyManua.ls Logo

Sony STR-S5L - Page 14

Sony STR-S5L
50 pages
Print Icon
To Next Page IconTo Next Page
To Next Page IconTo Next Page
To Previous Page IconTo Previous Page
To Previous Page IconTo Previous Page
Loading...
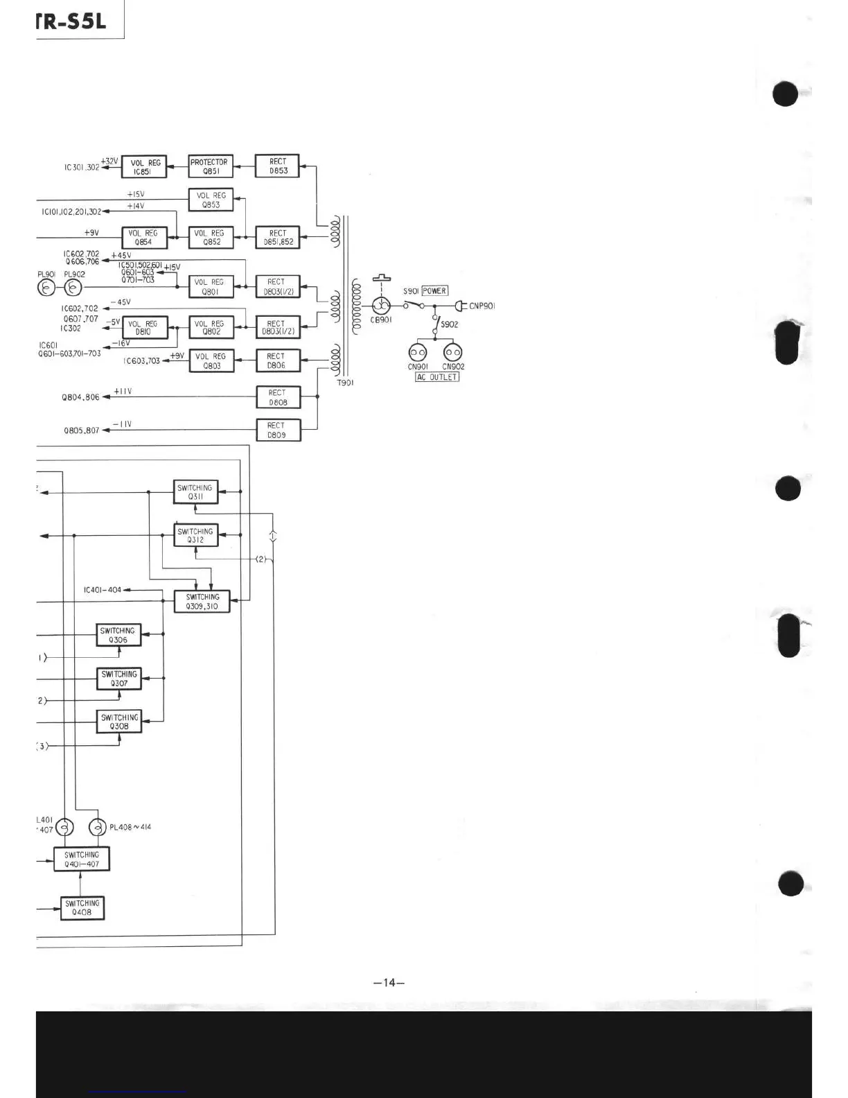
rR-s5L
rc602,702
0607,707
I
c302
lc60r
Q60r-603,701-703
0804,806
0805,807

Related product manuals