EasyManua.ls Logo

Sony STR-VX10L - System Connections; Connection Diagram

Sony STR-VX10L
15 pages
Print Icon
To Next Page IconTo Next Page
To Next Page IconTo Next Page
To Previous Page IconTo Previous Page
To Previous Page IconTo Previous Page
Loading...
SYSTEM
CONNECTIONS
CONNECTION
NOTES
;
eThe
cable
connectors
should
be
fully
inserted
into
the
jacks.
@
The
power
cord
should
be
connected
last
of
all,
first
making
sure
A
loose
connection
may
cause
hum
and
noise.
that
the
POWER
switch
is
turned
off.
@Since
there
is
a
variety
of
cords—such
as
speaker
cords,
power
@When
connecting
program
sources
or
tape
recorders,
note
that
cord,
connecting
cords—around
the
rear
panei
terminals,
you
the
red
jacks
of
the
receiver
are
for
right-channel
connections
and
should
maintain
a
moderate
separation
between
the
bar
antenna
the
white
jacks
for
left-channel
connections.
and
the
cords.
This
is
because
the
receiver
may
produce
a
noise
from
the
direct
touch
of
the
cords
on
the
bar
antenna.
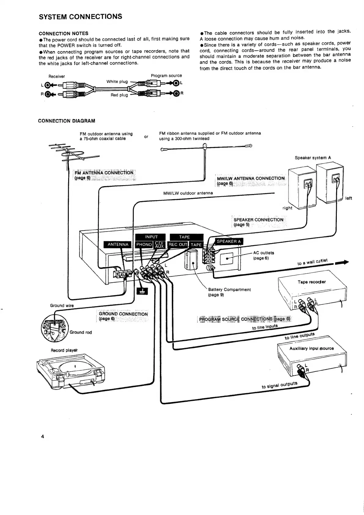
Program
source
Receiver
CONNECTION
DIAGRAM
FM
outdoor
antenna
using
FM
ribbon
antenna
supplied
or
FM
outdoor
antenna
a
75-ohm
coaxial
cable
oF
using
a
300-ohm
twinlead
=——s
a)
0)
aE
C>
:
1
2
Sa
|
Speaker
system
A
Pid
ANTENNA
CONNECTION
Zz
—)
(page
6)
oe
ee
ay
}
MWI/LW.
ANTENNA
CONNECTION
|
fe
(page
Boker:
4
Y
MW/LW
outdoor
antenna
|
left
right
SPEAKER
CONNECTION:
ee
_
(page
5)
aoaaes
ANTENNA
#E
PHONO]
GD!
Tre
AUX
AC
outlets
1,008
age
6
—_
Tape
recorder
Battery
Compartment
eee
(page
9)
ieee
Ground
wire
GROUND
CONNECTION
(page
6)
_
PHOGBAM
SOURCE
CONNECTIONS
(page
6)
to
line
inputs
to
signal
outputs

Related product manuals