EasyManua.ls Logo

Sony TA-E9000ES Operating Instructions (primary manual) - Schéma Général des Signaux VIDéo

Sony TA-E9000ES Operating Instructions  (primary manual)
100 pages
Print Icon
To Next Page IconTo Next Page
To Next Page IconTo Next Page
To Previous Page IconTo Previous Page
To Previous Page IconTo Previous Page
Loading...
48
FR
Informations complémentaires
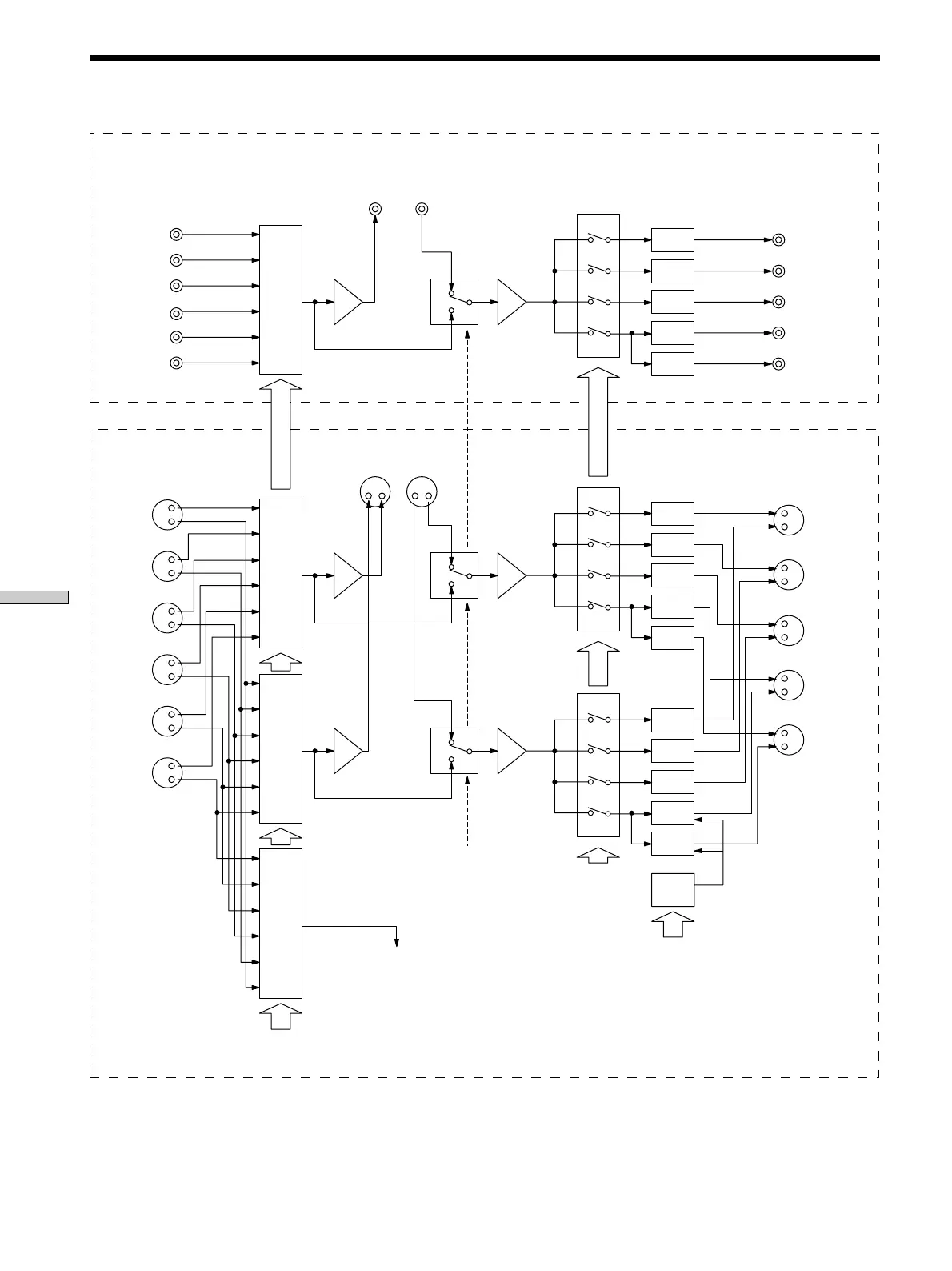
Schéma général des signaux vidéo
TV
PROCESSOR
COMPOSITE VIDEO SW
6 dB
6 dB
OUT IN
VIDEO
DRIVER
VIDEO
DRIVER
VIDEO
DRIVER
VIDEO
DRIVER
VIDEO
DRIVER
DVD
LD
VIDEO3
VIDEO2
VIDEO1
VIDEO3 REC
VIDEO2 REC
VIDEO1 REC
MONITOR 1
MONITOR 2
VIDEO
Y
PROCESSOR
VIDEO SELECT
PROCESSOR
ON/OFF
SQUEEZE
LETTER BOX
VIDEO DC
Y VIDEO SW
6 dB
6 dB
OUT IN
Y
DRIVER
Y
DRIVER
Y
DRIVER
Y
DRIVER
Y
DRIVER
C
TV
Y
C
Y
C
Y
C
Y
C
C
Y
DVD
LD
VIDEO3
VIDEO2
Y
C
VIDEO3 REC
Y
C
Y
C
Y
C
Y
C
VIDEO2 REC
VIDEO1 REC
MONITOR 1
MONITOR 2
VIDEO1
C VIDEO SW
6 dB
6 dB
C
DRIVER
C
DRIVER
C
DRIVER
C
DRIVER
DRIVER
DC
OFFSET
DC SW
S-VIDEO
Y
C
Y
C
VIDEO1 MUTE
VIDEO2 MUTE
VIDEO3 MUTE
MONITOR MUTE

Table of Contents

Related product manuals