EasyManua.ls Logo

Sony TRINITRON KV-25C5K - Page 41

Sony TRINITRON KV-25C5K
57 pages
Print Icon
To Next Page IconTo Next Page
To Next Page IconTo Next Page
To Previous Page IconTo Previous Page
To Previous Page IconTo Previous Page
Loading...
KV-25C5/29C5
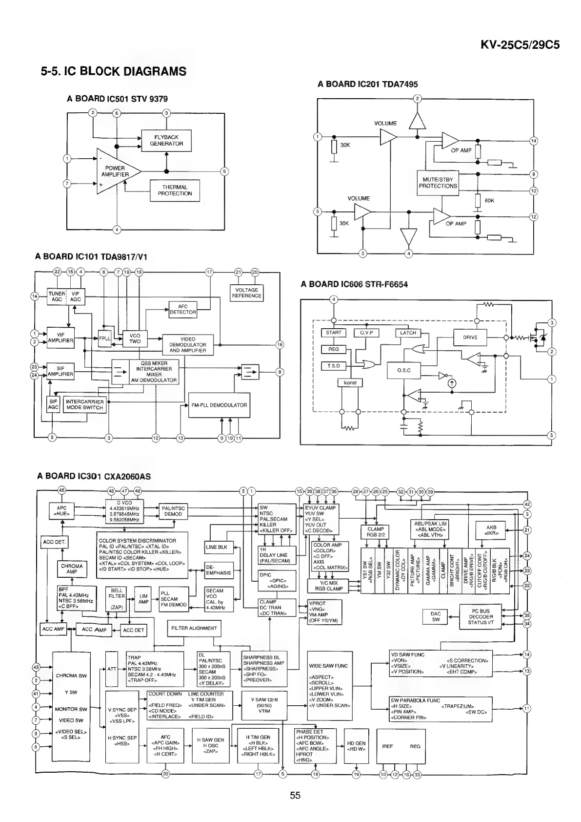
5-5.
IC
BLOCK
DIAGRAMS
A
BOARD
1C201
TDA7495
A
BOARD
IC501
STV
9379
FLYBACK
||
sGENERATOR
POWER
AMPLIFIER
MUTE/STBY
PROTECTIONS
THERMAL
PROTECTION
VOLUME
VIDEO
DEMODULATOR
(16)
AND
AMPLIFIER
QS8S
MIXER
|
INTERCARRIER
=
mee
[>L-©
AM
DEMODULATOR
FM-PLL
DEMODULATOR
3.579545MHz
9.582058MHz
ABL/PEAK
LIM
<ABL
MODE>
<ABL
VTH>
COLOR
SYSTEM
DISCRIMINATOR
PAL
ID
<PAL/NTSC>
<XTAL
ID>
PAL/NTSC
COLOR
KILLER
<KiLLER>
SECAM
ID
<SECAM>
(PAUSECAM)
<XTAL>
<COL
SYSTEM>
<COL
LOOP>
CHROME
<ID
START>
<ID
STOP> <HUE>
AMP
YS1
SW
<RGB
SEL>
<DY
COL>
PICTURE
AMP.
<PICTURE>
GAMMA
AMP.
<GAMMA>
<BRIGHT>
DRIVE
AMP.
<R/G/B
DRIVE>
CUTOFF
CONT
R/G/B
BLK
<PON>
<RGB
ON>
<DPIC>
YiCMIX
[|
BPF
<AGING>
RGB
CLAMP
[-_>I
PAL
4.43MHz
Fit
NTSC
3.58MHz
SECAM
;
CLAMP
<C
BPF>
FMIDEMOD
DC
TRAN
<DC
TRAN>
DYNAMIC
COLOR
BRIGHT
CONT
<R/G/B
CUTOFF>
PC
BUS
DECODER
{OFF
YS/YM)
STATUS
I/T
FILTER
ALIGNMENT
aE
VD
SAW
FUNG
a
aaaMis
PAUNTSC
pay
ieticeardy
<VON>
<S
CORRECTION>
NTSC
3.58MHz
WIDE
SAW
FUNC
<VSIZE>
<V
LINEARITY>
;
<V
POSITION>
<EHT
COMP>
CHROMA
SW
SECAM
4.2
-
4.43MHz
<ASPECT>
<TRAP
OFF>
SY
DELAYS
<PREOVER>
SSCROIL»
<UPPER
VLIN>
Y
Sw
COUNT
DOWN
LINE
COUNTER
<LOWER
VLIN>
V
TIM
GEN
V
SAW
GEN
<V
ZOOM>
EW
PARABOLA
FUNC
<FIELD
FREQ>
<UNDER
SCAN>
(50/50)
<V
UNDER
SCAN>
<H
SIZE>
<TRAPEZIUM>
MONITOR
SW
V
SYNC
SEP
{|
<cD
MODE>
vTIM
<PIN
AMP>
<EW
DC>
<VSS>
INTERLACE:
FIELD
tD:
VioEO'
SW
ioe
aes
<
><
>
<CORNER
PIN>
<VIDEO
SEL>
PHASE
DET
<S
SEL>
H
SYNC
SEP
AFC
jicawcen
HTIM
GEN
<H
POSITION>
<HSS>
<APC
GAIN>
se.
<H
BLK>
<AFC
BOW>
<FH
HIGH>
ZAP
<LEFT
HBLK>
<AFC
ANGLE>
<H
CENT>
rahi
<RIGHT
HBLK>
HPROT
<HNG>

Related product manuals