EasyManua.ls Logo

Sony TRINITRON KV-29C5A - Page 27

Sony TRINITRON KV-29C5A
57 pages
Print Icon
To Next Page IconTo Next Page
To Next Page IconTo Next Page
To Previous Page IconTo Previous Page
To Previous Page IconTo Previous Page
Loading...
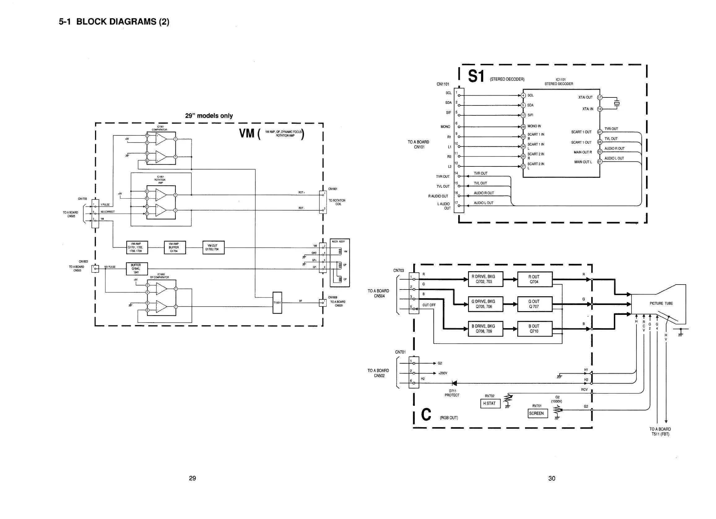
5-1
BLOCK
DIAGRAMS
(2)
29”
models
only
VM
AMP,
QP,
DYNAMIC
FOCUS
ROTATION
AMP
CN1801
TO
ROTATION
COIL
TO
ABOARD
GN505
aire
1702
vMour
»
1702,
1703,1704
1708,
1709
,
CN1803
TO
ABOARD
aiid
CNS03
,
1
Jef
(C1902
OF
COMPARATOR
29
TO
A
BOARD
CN504
TO
A
BOARD
CN502
|
S1
(STEREO
DECODER)
(C1101
CN1101
STEREO
DECODER
SCL
ac
XTAI
OUT
SDA
SDA
XTAI
IN
oF
SIFI
MONO
MONO
IN
senaiin
SCART
1
OUT
Ri
.
TO
A
BOARD
SCART
1
OUT
SCART
1
IN
CN101
uu
i
SCART
2
IN
MAIN
OUT
R
Re
R
SCART
2
IN
MAINQUTE
la
L
TVR
OUT
TVLOUT
TVLOUT
AUDIO
R
OUT
R
AUDIO
OUT
AUDIO
L
OUT
L
AUDIO
OUT
R
DRIVE,
BKG
Q702,
703
G
DRIVE,
BKG
Q705,
706
PICTURE
TUBE
B
DRIVE,
BKG
Q708,
709
||
|
PROTECT
RV702
G2
(1000V)
H
STAT
RV701
SCREEN
(RGB
OUT)
T511
(FBT)
30

Related product manuals