EasyManua.ls Logo

Sony TRINITRON KV-29C5A - Circuit Board Location; Schematic Diagrams and Printed Wiring Boards

Sony TRINITRON KV-29C5A
57 pages
Print Icon
To Next Page IconTo Next Page
To Next Page IconTo Next Page
To Previous Page IconTo Previous Page
To Previous Page IconTo Previous Page
Loading...
|
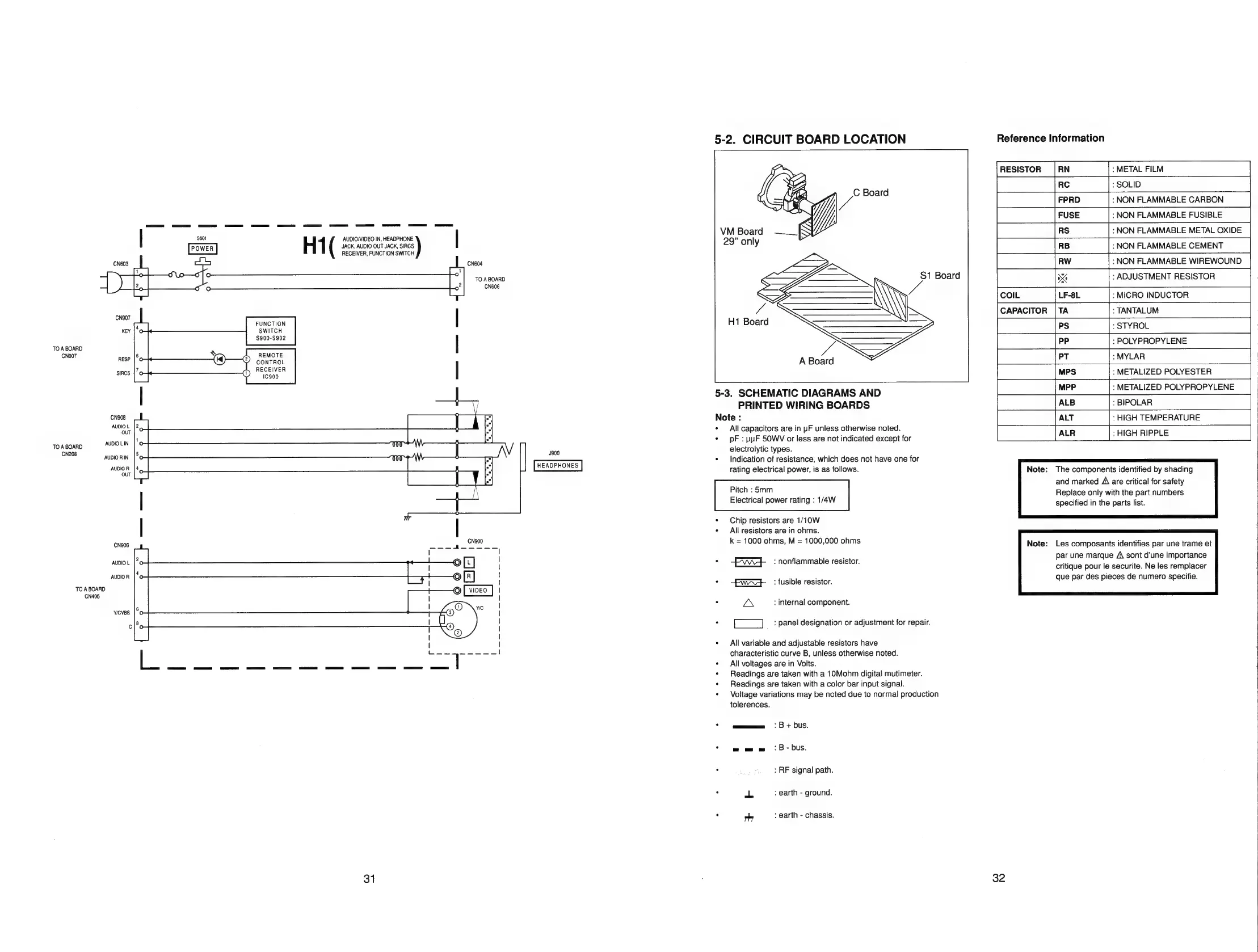
H1(
CN603
:
fe
CN907
FUNCTION
SWITCH
$900-S902
KEY
TO
ABOARD
cNOO7
REMOTE
en
CONTROL
RECEIVER
SIRCS
10900
cN908
AUDIOL
OUT
TO
ABOARD
AUDIO
LIN
CN208
AUDIO
RIN
AUDIO
R
OUT
CN906
AUDIO
L
AUDIO
R
TO
ABOARD
cN406
Y/CVBS
c
a
aa
og
ee
ee
AUDIO/VIDEO
IN,
HEADPHONE
JACK,
AUDIO
OUT
JACK,
SIRCS
RECEIVER,
FUNCTION
SWITCH
31
5-2.
CIRCUIT
BOARD
LOCATION
C
Board
S1
Board
SS
H1
Board
SS
A
Board
5-3.
SCHEMATIC
DIAGRAMS
AND
PRINTED
WIRING
BOARDS
Note
:
+
All
capacitors
are
in
pF
unless
otherwise
noted.
¢
pF
:
pF
50WV
or
less
are
not
indicated
except
for
electrolytic
types.
*
Indication
of
resistance,
which
does
not
have
one
for
rating
electrical
power,
is
as
follows.
Pitch
:
5mm
Electrical
power
rating
:
1/4W
*
Chip
resistors
are
1/10W
*
All
resistors
are
in
ohms.
k
=
1000
ohms,
M
=
1000,000
ohms
*
-RAWG}
SC:
nonflammable
resistor.
°
EWG}:
fusible
resistor.
.
LS.
:
internal
component.
*
[-]
_
:
panel
designation
or
adjustment
for
repair.
+
All
variable
and
adjustable
resistors
have
characteristic
curve
B,
unless
otherwise
noted.
«
All
voltages
are
in
Volts.
*
Readings
are
taken
with
a
10Mohm
digital
mutimeter.
*
Readings
are
taken
with
a
color
bar
input
signal.
*
Voltage
variations
may
be
noted
due
to
normal
production
tolerences.
mum
«=|:
B
+
DUS.
=
m=
:B-bus.
.
:
RF
signal
path.
.
LL
:
earth
-
ground.
.
aed
:
earth
-
chassis.
32
Reference
Information
RESISTOR
wed
rc
[so
SSSCS—~*S
FR
_|:NONFLANMABLE
CARGON
FUSE
_[:NON
FLAMMABLE
FUSBLE
RS
|
NON
FLAMMABLE
METAL
ONDE
re
ew
:
NON
FLAMMABLE
CEMENT
:
NON
FLAMMABLE
WIREWOUND
:
pois
pe_|:POWWPROPYIENE
wes
[weraureorovesren
|
[Mee
|:
merauize0
PowrRoPviENe
_|
:
BIPOLAR
:
HIGH
TEMPERATURE
:
HIGH
RIPPLE
The
components
identified
by
shading
and
marked
A\
are
critical
for
safety
Replace
only
with
the
part
numbers
specified
in
the
parts
list.
Les
composants
identifies
par
une
trame
et
par
une
marque
A
sont
d'une
importance
critique
pour
le
securite.
Ne
les
remplacer
que
par
des
pieces
de
numero
specifie.

Related product manuals