EasyManua.ls Logo

Sony TRINITRON KV-29C5E - Page 26

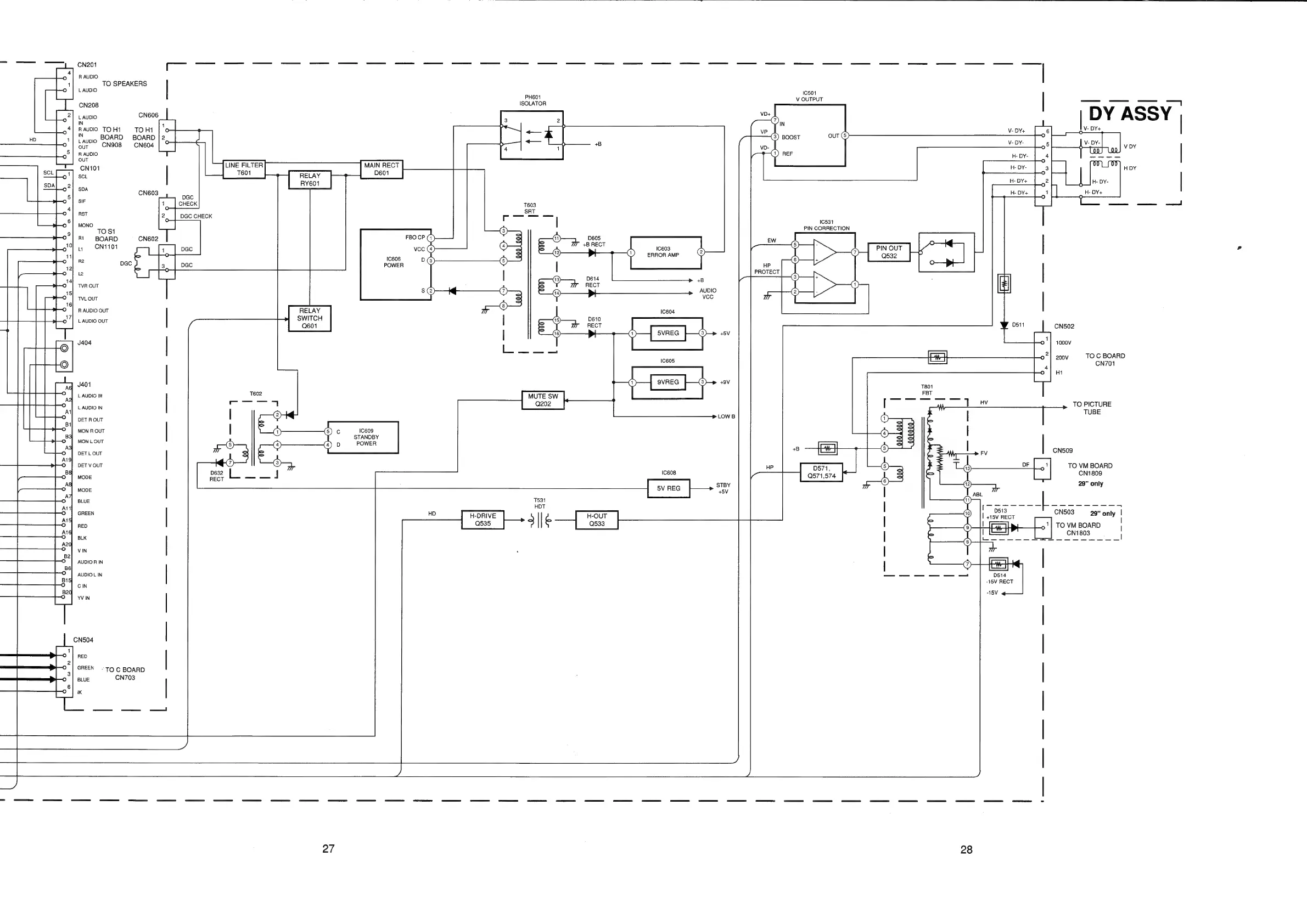
Sony TRINITRON KV-29C5E
57 pages
Print Icon
To Next Page IconTo Next Page
To Next Page IconTo Next Page
To Previous Page IconTo Previous Page
To Previous Page IconTo Previous Page
Loading...
R
AUDIO
TO
SPEAKERS
|
L
AUDIO
CN208
L
AUDIO
CN606
IN
RAUDIC
TO
H1
TO
H1
W
io
BOARD
BoaRD|2
|_|)
Laue!
CNg08
C604
R
AUDIO
OUT
CN101
SCL
SDA
SIF
RST
MONO
TO
S1
R1
BOARD
CN602
ty
CN1101
Re
pac
.
a
TVR
OUT
TVL
OUT
R
AUDIO
OUT
L
AUDIO
OUT
J404
J401
L
AUDIO
IN
L
AUDIO
IN
DET
R
OUT
MON
R
OUT
MON
L
OUT
DET
L
OUT
DET
V
OUT
MODE
MODE
BLUE
GREEN
RED
BLK
VIN
AUDIO
R
IN
AUDIO
L
IN
CIN
YVIN
CN504
RED
GREEN
==
TO
C
BOARD
Bie.
CN703
IK
Le
a
ee
ee
fg
a.
|
fg
:
RELAY
ag
Ic609
STANDBY
POWER
CN201
[por
Oa
eye
a
a
a
ee
ea
a
ee
eS
pes
HD
PH601
ISOLATOR
+B
YOO
VO0
009
7531
HDT
H-DRIVE
H-OUT
Q535
Q533
IC603
ERROR
AMP.
Ic608
LOW
B
STBY
+5V
C531
D571,
Q571,574
PIN
ara
000
000
TO
C
BOARD
CN701
TO
PICTURE
TUBE
A
|
CN509
(13)
DF
|
4!
TO
VM
BOARD
CN1809
(12)
29"
only
D513
|
|
Torml
TO
VM
BOARD
©
S-©)
ra
| |
| |
| | |
Se
|
|
| | | |
| |
J
28

Related product manuals