EasyManua.ls Logo

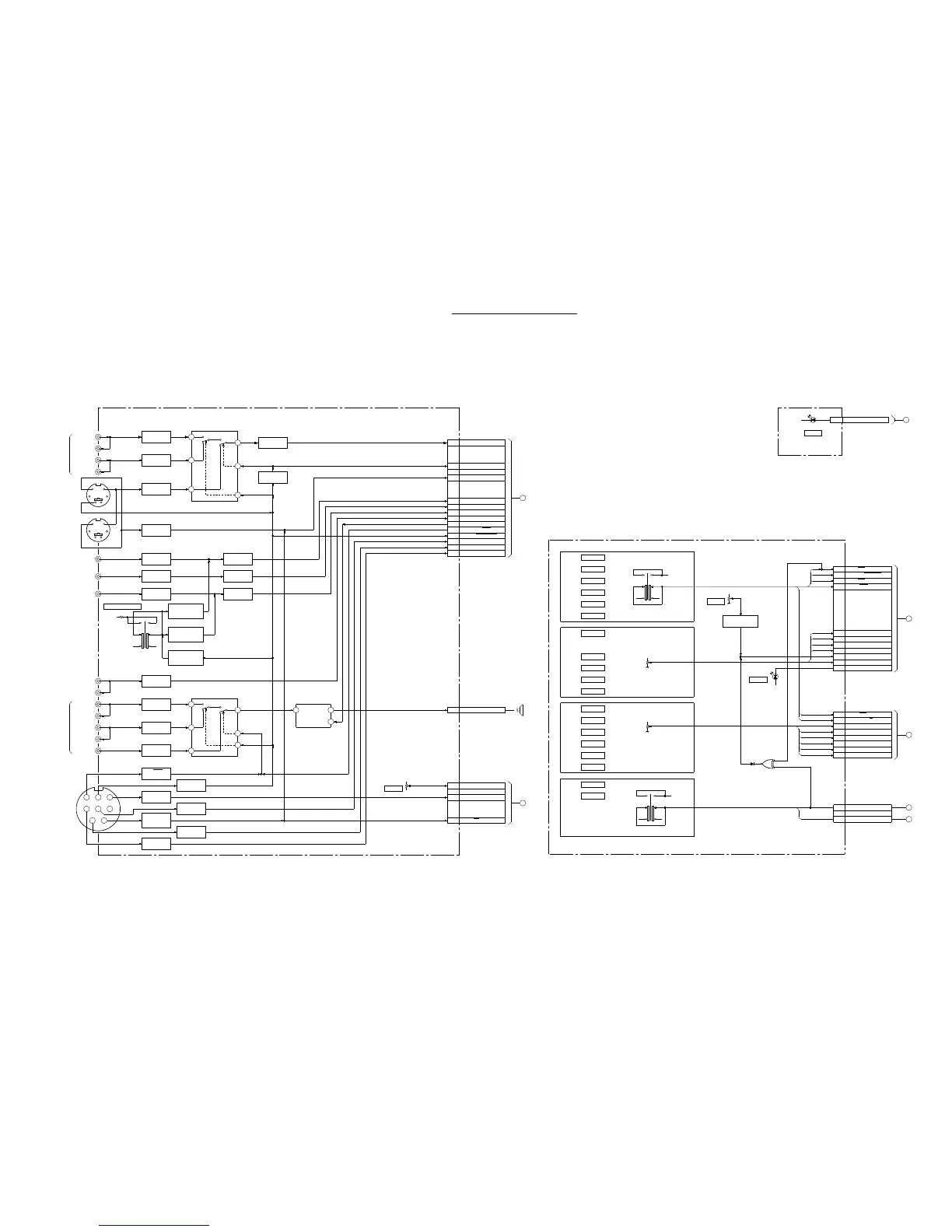
Sony TRINITRON PVM-8042Q - 9 Block Diagrams; H a

Sony TRINITRON PVM-8042Q
108 pages
Print Icon
To Next Page IconTo Next Page
To Next Page IconTo Next Page
To Previous Page IconTo Previous Page
To Previous Page IconTo Previous Page
Loading...
9-1 9-1
S MIC Chassis
SECTION 9
BLOCK DIAGRAMS
QA (1/2) QA (1/2), X, HA
TALLY1
CN21
+12V
D21-23
TALLY
C
TO
B BOARD
CN108
(TALLY LAMP)X
S001 LINE
NOR/DELAY3
LINE/RGB4
CN001
B BOARD
CN107
TO
H
S002 A/B
S003 DELAY
S004 UN COL
S005 U/S
S006 INT SYNC
2 NOR/UN COLOR
1 NOR/UNDER
RV005
RV006
APT
BRT
RV001
RV003
RV004
PHASE
CHROMA
VOL
VOL
CONTRAST
PHASE
CHROMA
7
10
9
8
+12V
6 BRT
5 APERTURE
11
POWER-LED
D001
POWER
B BIAS
RV012
RV011
RV010
RV009
RV007 R BIAS
+12V
7
10
8
9
5
6
4 A/B
R BIAS
NOR/EXT3
G BIASRV008
B GAIN
G GAIN
R GAIN
CN002
G BIAS
B BIAS
B GAIN
R GAIN
G GAIN
CN106
B BOARD
TO
G
+12V
PICTURE BUFFER
Q001
RV002
PIC
4
2
1
IC001
U/S PICTURE SHIFT
S008
S007
16:9/4:3
DEGAUSS
+12V
CN003
4
1
COM
16:9
I
J
CN600
D BOARD
TO
PA BOARD
CN808
TO
(USER CONTROL,WHITE BALANCE)
+12V
H
A
IN
OUT
Q401
VIDEO BUFF
3
OUT
IN
VIDEO BUFF
Q402
1
Y BUFF
Q404
5
Y
2
4
7
VIDEO SW
IC401
Y BUFF
Q403
Q408
Y/C SW
13 Y/COMPSITE
Y/C-H
1
CN401
TO
CN101
B BOARD
A
2 Y/C-C-OUT.B ONLY
5 R/R-Y
7 G/G-Y
9 B/B-Y
3 SYNC
10 VOL
8 RGB/LINE
6 RGB/COMPONENT
15 EXT SYNC
14 HV DL
4 TALLY
C
Q405
C BUFF
R/R-Y IN
R BUFF
Q406
Q1406
R BUFF
G/Y IN
G BUFF
Q407
G BUFF
Q1405
B/B-Y IN
B BUFF
Q409
B BUFF
Q1404
LEVEL SHIFT
Q1403
COMPONENT
+12V
LEVEL SHIFT
COMPONENT
Q1401
EVEL SHIFT
Q1407
OUT
IN
IN
AUDIO BUFF
Q412
2
1
4
S BUFF
Q410
AUDIO SW
IC402
3
7
IN
AUDIO BUFF
Q413
5RGB
A RGB BUFF
Q414
EXT SYNC
OUT
LINE A
LINE B
OUT
RGB/LINE SW
Q424
RGB SW
Q421,422
U/S SW
Q418
SYNC SW
Q423
16:9(B ONLY)
SW
Q419
Q417
DELAY SW
TALLY SW
Q411
3
67
4
8
5
21
TALLY
2
AUDIO OUT
IC403
IN 8OUT
4
5
D BOARD
CN504
4:3/16:9
CN404
1
3
U/S
TO
B
V.HOLD
VIDEO/Y
C
CN402
1SP
SPEAKER
V HOLD
RV401
LINE B
LINE A
VIDEO
AUDIO
Q
A
(1/2)
VIDEO(A)
VIDEO(B)
Y/C IN
Y/C OUT
(INPUT SIGNAL SELECTOR)
S401
COMPONENT LEVEL

Table of Contents

Related product manuals