EasyManua.ls Logo

Sony XM-2002GTR - Connections; 2-System Speaker & 2-Head Parlor; As a Monoaural Amplifier for a Subwoofer; Power Connection Wires

Sony XM-2002GTR
2 pages
Print Icon
To Previous Page IconTo Previous Page
To Previous Page IconTo Previous Page
Loading...
BTLBTLBTLBTL
BTLBTL
OFF
LPF
OFF
LPF
OFF
LPF
OFF
LPF
LP OFF
FILTER(80Hz)
HP
OFF
LPF
BTLBTL
BTLBTLBTLBTL
* High Level Input Connector
* Connecteur d’entrée à haut niveau
Connections
Caution
Before making any connections, disconnect
the ground terminal of the car battery to avoid
short circuits.
Be sure to use speakers with an adequate
power rating. If you use small capacity
speakers, they may be damaged.
Do not connect the # terminal of the speaker
system to the car chassis, and do not connect
the # terminal of the right speaker with that
of the left speaker.
This is a phase-inverted Amplifier.
Install the input and output cords away from
the power supply wire as running them close
together can generate some interference noise.
This unit is a high powered amplifier.
Therefore, it may not perform to its full
potential if used with the speaker cords
supplied with the car.
If your car is equipped with a computer
system for navigation or some other purpose,
do not remove the ground wire from the car
battery. If you disconnect the wire, the
computer memory may be erased. To avoid
short circuits when making connections,
disconnect the +12 V power supply wire until
all the other wires have been connected.
Connexions
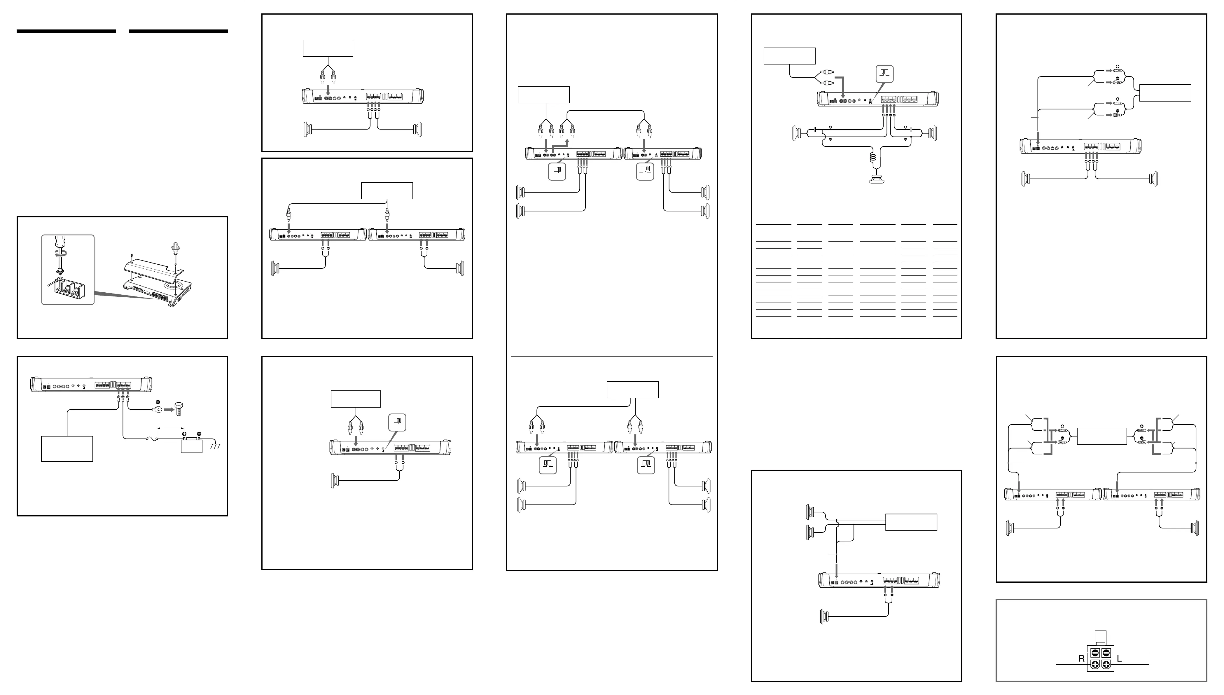
2-Speaker System
Système à 2 haut-parleurs
Car audio unit
Autoradio
LINE OUT
Left speaker
(min. 2 )
Haut-parleur
gauche (min. 2 )
Right speaker
(min. 2 )
Haut-parleur
droit
(min. 2 )
As a Monaural Amplifier
Comme amplificateur monaural
Car audio unit
Autoradio
LINE OUT
Right channel
Canal droit
Left channel
Canal gauche
Right speaker (min. 4 )
Haut-parleur droit (min. 4 )
Pour plus de détails sur les réglages des
commutateurs et commandes, reportez-vous à
« Emplacement et fonction des commandes ».
Remarque
Vérifiez que la sortie de ligne de l’autoradio est
raccordée à la prise portant l’indication
« L (BTL) » sur l’appareil.
Left speaker (min. 4 )
Haut-parleur gauche (min. 4 )
As the Monaural Amplifier for a Subwoofer
Comme amplificateur monaural pour un haut-parleur
d’extrêmes graves
Car audio unit
Autoradio
LINE OUT
For details on the settings of switches and
controls, refer to “Location and Function of
Controls.”
Note
Make sure that the line output from the car
audio unit is connected to the jack marked “L
(BTL)” on the unit.
For details on the settings of switches and
controls, refer to “Location and Function of
Controls.”
Note
If you wish to use a subwoofer as a monaural
speaker, connect the speaker as illustrated
above. The output signals to the subwoofer
will be the combination of the both right and
left output signals.
Pour plus de détails sur les réglages des
commutateurs et commandes, reportez-vous à
« Emplacement et fonction des commandes ».
Remarque
Si vous désirez utiliser un haut-parleur
d’extrêmes graves comme haut-parleur
monaural, raccordez le haut-parleur comme
illustré ci-dessus. Les signaux de sortie vers le
haut-parleur d’extrêmes graves seront une
combinaison des signaux de sortie droit et
gauche.
Attention
Avant d’effectuer les connexions, débranchez
la borne de masse de la batterie de voiture
pour éviter tout court-circuit.
Veillez à utiliser des haut-parleurs de
puissance adéquate. Si vous utilisez des haut-
parleurs de faible capacité, ils risquent d’être
endommagés.
Ne raccordez pas la borne # du système de
haut-parleurs à la carrosserie de la voiture ou
la borne # du haut-parleur droit avec celle du
haut-parleur gauche.
Les phases de cet amplificateur sont inversées.
Éloignez les câbles d’entrée et de sortie du
câble d’alimentation pour éviter les
interférences.
Cet appareil est un amplificateur de haute
puissance. Il ne peut donc déployer sa pleine
puissance que si les câbles de haut-parleurs de
la voiture lui sont raccordés.
Si votre voiture est équipée d’un système de
navigation ou d’un ordinateur de bord, ne
retirez pas le fil de terre de la batterie de la
voiture, sinon les données mémorisées seront
effacées. Pour éviter un court-circuit lorsque
vous effectuez les branchements, branchez le
câble d’alimentation +12 V après avoir
branché tous les autres fils.
Power Connection Wires
Câbles d’alimentation
Car audio unit
Autoradio
Fuse (80 A)
Fusible (80 A)
+12 V car battery
Batterie de voiture +12 V
Remote output *
1
Sortie de
télécommande *
1
(REM OUT)
to a metal point
of the car
vers une partie
métallique de la
carrosserie
Four output channels
Quatre canaux de sortie
Full range speakers (min. 2 )
Haut-parleurs à gamme étendue (min. 2 )
Subwoofers (min. 2 )
Haut-parleur dextrêmes graves (min. 2 )
Pour plus de détails sur les réglages des
commutateurs et commandes, reportez-vous à
« Emplacement et fonction des commandes ».
Remarque
Dans ce système, le volume des haut-parleurs
d’extrêmes graves est contrôlé par la
commande de balance avant/arrière de
l’autoradio.
For details on the settings of switches and
controls, refer to “Location and Function of
Controls.”
Note
In this system, the volume of the subwoofers
will be controlled by the car audio fader
control.
Car audio unit
Autoradio
LINE OUT
Dual Mode System (With a Bridged Subwoofer)
Double mode de connexion (avec un haut-parleur
d’extrêmes graves en pont)
Notes
When using passive crossover networks in a multi-
speaker system, care must be taken as the speaker
system’s impedance should not be lower than that
of the suitable impedance for this unit.
When you are installing a 12 decibels/octave system
in your car, the following points must be
considered. In a 12 decibels/octave system where
both a choke and capacitor are used in series to
form a circuit, a great care must be taken when
they are connected. In such a circuit, there is going
to be an increase in the current which by-passes the
speaker with frequencies at around the crossover
frequency. If audio signals are continued to be fed
into the crossover frequency area, it may cause the
amplifier to become abnormally hot or the fuse will
be blown. Also if the speaker is disconnected, a
series-resonant circuit will be formed by the choke
and the capacitor. In this case, the impedance in the
resonance area will decrease dramatically resulting
in a short circuit like situation causing a damage to
the amplifier. Therefore, make sure that a speaker
is connected to such a circuit at all times.
Remarques
Lorsque vous utilisez des circuits de recoupement de
fréquence passifs dans un système à plusieurs haut-parleurs,
assurez-vous que l’impédance du système n’est pas inférieure
à celle prévue pour cet appareil.
Lorsque vous installez un système à 12 décibels/octaves dans
votre voiture, vous devez respecter les points suivants. Dans
un système à 12 décibels/octaves où la bobine d’arrêt et le
condensateur sont utilisés en série pour former un circuit,
vous devez réaliser les branchements avec beaucoup de
précaution. Dans ce type de circuit, une augmentation du
courant contournant le haut-parleur se produit dans les
fréquences se situant autour de la fréquence de coupure. Si
des signaux audio continuent d’être fournis dans la zone de
la fréquence de recoupement, une surchauffe risque de se
produire dans l’amplificateur et le fusible risque de griller. Si
le haut-parleur n’est pas raccordé, un circuit de résonance
série sera créé par la bobine et le condensateur. Dans ce cas,
l’impédance dans la zone de résonance sera
considérablement réduite, et comme dans le cas d’un court-
circuit, l’amplificateur peut être endommagé. Par
conséquent, veillez à ce qu’un haut-parleur soit toujours
raccordé au circuit.
*
1
If you have the factory original or some other car audio unit without a remote output on the
amplifier, connect the remote input terminal (REMOTE) to the accessory power supply.
In High Level Input Connection, car audio unit can also be activated without need for REMOTE
connection. However, this function is not guaranteed for all car units.
*
1
Si vous disposez du modèle d’origine ou d’un autre autoradio dont l’amplificateur ne comporte pas
de sortie de télécommande, raccordez la borne d’entrée de télécommande (REMOTE) à la prise
d’alimentation accessoires.
Dans une connexion d’entrée à haut niveau, l’autoradio peut également être activé sans
raccordement à REMOTE. Toutefois, cette fonction n’est pas garantie pour tous les autoradios.
Notes on the power supply
Connect the +12 V power supply wire only after
all the other wires have been connected.
Be sure to connect the ground wire of the unit
securely to a metal point of the car. A loose
connection may cause a malfunction of the
amplifier.
Be sure to connect the remote control wire of the
car audio unit to the remote terminal.
When using a car audio unit without a remote
output on the amplifier, connect the remote
input terminal (REMOTE) to the accessory power
supply.
Use the power supply wire with a fuse attached
(80 A).
All power wires connected to the positive battery
post should be fused within 450 mm (18 in) of the
battery post, and before they pass through any
metal.
Make sure that the vehicle’s battery wires
connected to the vehicle (ground to chassis)*
2
are
of a wire gauge at least equal to that of the main
power wire connected from the battery to the
amplifier.
Make sure that the wires to be connected to the
+12 V and GND terminals of this unit are at least
4-Gauge (AWG-4) or have a sectional area of
more than 22.0 mm
2
(
7
/8 in
2
).
Remarques sur l’alimentation électrique
Raccordez le câble d’alimentation +12 V
uniquement après avoir réalisé toutes les autres
connexions.
Raccordez correctement le fil de masse à une
partie métallique de la voiture. Une connexion
lâche peut provoquer un dysfonctionnement de
l’amplificateur.
Veillez à raccorder le fil de télécommande de
l’autoradio à la borne de télécommande.
Si vous utilisez un autoradio dont l’amplificateur
ne comporte pas de sortie de télécommande,
raccordez la borne d’entrée de la télécommande
(REMOTE) à la prise d’alimentation accessoires.
Utilisez un câble d’alimentation muni d’un fusible
(80 A).
Tous les fils électriques raccordés au support de
batterie positif doivent être protégés par un
fusible à une distance maximum de 450 mm (18
po) du support de batterie et avant de passer
dans une partie métallique quelconque.
Assurez-vous que les fils de la batterie du véhicule
raccordés à ce dernier (sol au châssis)*
2
sont d’un
calibre au moins égal à celui du fil électrique
principal reliant la batterie et l’amplificateur.
Assurez-vous que les câbles à raccorder aux
bornes +12V et GND de cet appareil sont d’un
calibre d’au moins 4 (AWG-4) ou d’une section
supérieure à 22,0 mm
2
(
7
/8 po
2
).
Pour plus de détails sur les réglages des
commutateurs et commandes, reportez-
vous à « Emplacement et fonction des
commandes ».
For details on the settings of switches and
controls, refer to “Location and Function of
Controls.”
C1/C2
(capacitor)
*
unit: µF
800
500
400
300
270
200
150
100
68
50
39
Table of crossover values for
6 dB/octave (4 )
* (not supplied)
Crossover
Frequency
unit: Hz
50
80
100
130
150
200
260
400
600
800
1000
L
(coil)
*
unit: mH
12.7
8.2
6.2
4.7
4.2
3.3
2.4
1.6
1.0
0.8
0.6
Fréquence de
recoupement
unité : Hz
50
80
100
130
150
200
260
400
600
800
1000
L
(bobine)
*
unité : mH
12,7
8,2
6,2
4,7
4,2
3,3
2,4
1,6
1,0
0,8
0,6
C1/C2
(condensateur)
*
unité : µF
800
500
400
300
270
200
150
100
68
50
39
Tableau des valeurs de recoupement
pour 6 dB/octaves (4 )
* (non fournis)
2-way System
Système 2 voies
Two output channels
Deux canaux de sortie
Subwoofers (min. 2 )
Haut-parleur dextrêmes graves (min. 2 )
Utilisez la borne THROUGH OUT lorsque
vous installez plusieurs amplificateurs. Les
signaux sont émis tels qu’ils sont reçus.
(LOW BOOST, LPF ne fonctionnent pas.)
Remarques
Vous pouvez raccorder un maximum de 3
amplificateurs à la borne THROUGH OUT. Si
vous raccordez plus de trois amplificateurs,
cela peut provoquer des problèmes comme
des baisses du son.
Avec une connexion d’entrée de haut niveau,
vous ne pouvez pas utiliser THROUGH OUT.
Use the THROUGH OUT terminal when
you install more amplifiers. The signals are
output as they were input. (LOW BOOST,
LPF do not work.)
Notes
•A maximum 3 amplifiers can be connected to
the THROUGH OUT terminal. If you connect
more than three amplifiers, it may cause
problems such as sound dropout.
High level input connection cannot use
THROUGH OUT.
Car audio unit
Autoradio
LINE OUT
THROUGH OUT
INPUT
INPUT
Car audio unit
Autoradio
Left speaker
Haut-parleur gauche
Right speaker
Haut-parleur droit
Subwoofer
Haut-parleur dextrêmes graves
LINE OUT
C2C1
L
High Level Input Connection (As a Monaural Amplifier)
Connexion d’entrée à haut niveau
(Comme amplificateur monaural)
Pour plus de détails sur les réglages des
commutateurs et commandes, reportez-vous à
« Emplacement et fonction des commandes ».
For details on the settings of switches and
controls, refer to “Location and Function of
Controls.”
High Level Input Connection (As a Monaural Amplifier for a Subwoofer)
Connexion d’entrée à haut niveau
(Comme amplificateur monaural pour un haut-parleur d’extrêmes graves)
Pour plus de détails sur les réglages des
commutateurs et commandes, reportez-vous à
« Emplacement et fonction des commandes ».
Remarque
Si vous désirez utiliser un haut-parleur d’extrêmes
graves comme haut-parleur monaural, raccordez
le haut-parleur comme illustré ci-dessus. Les
signaux de sortie vers le haut-parleur d’extrêmes
graves seront une combinaison des signaux de
sortie droit et gauche.
For details on the settings of switches and
controls, refer to “Location and Function of
Controls.”
Note
If you wish to use a subwoofer as a monaural
speaker, connect the speaker as illustrated
above. The output signals to the subwoofer
will be the combination of both the right and
left output signals.
Car audio unit
Autoradio
Left speaker
Haut-parleur gauche
Right speaker
Haut-parleur droit
Subwoofer (min. 4 )
Haut-parleur dextrêmes
graves (min. 4 )
Car audio unit
Autoradio
Right speaker output
Sortie haut-parleur droit
Left speaker output
Sortie haut-parleur gauche
Left speaker
(min. 4 )
Haut-parleur gauche
(min. 4 )
Right speaker
(min. 4 )
Haut-parleur droit
(min. 4 )
Black-striped cord
Cordon rayé noir
Black-striped cord
Cordon rayé noir
Black-striped cord
Cordon rayé noir
High Level Input Connection (2-Speaker System)
Connexion d’entrée à haut niveau
(Système à 2 haut-parleurs)
Left speaker (min. 2 )
Haut-parleur gauche (min. 2 )
Right speaker (min. 2 )
Haut-parleur droit (min. 2 )
Gray
Gris
White
Blanc
Black-striped cord
Cordon rayé noir
Car audio unit
Autoradio
Pour plus de détails sur les réglages des
commutateurs et commandes, reportez-vous à
« Emplacement et fonction des commandes ».
For details on the settings of switches and
controls, refer to “Location and Function of
Controls.”
Right speaker output
Sortie haut-parleur droit
Left speaker output
Sortie haut-parleur gauche
Black-striped cord
Cordon rayé noir
Subwoofer (min. 4 )
Haut-parleur dextrêmes
graves (min. 4 )
Black-striped cord
Cordon rayé noir
Make the terminal connections as illustrated below.
Procédez aux connexions des bornes comme illustré ci-dessous.
REM  
+
12V GND
Note
When you tighten the screw, be careful not to
apply too much torque* as doing so may damage
the screw.
* The torque value should be less than 1 N•m.
Remarque
Lorsque vous vissez la vis, faites attention à ne
pas appliquer une trop grande force*, car cela
pourrait endommager la vis.
*
Le couple de torsion doit être inférieur à 1 N•m.
Gray
Gris
Gray striped
Rayé gris
White
Blanc
White striped
Rayé blanc
2
*
2
*
2
*
*
less than 450 mm (18 in)
moins de 450 mm (18 po)
2
*
2
XM-2002GTR XM-1252GTR
Full range speakers (min. 2 )
Haut-parleurs à gamme étendue (min. 2 )

Other manuals for Sony XM-2002GTR

Related product manuals