EasyManua.ls Logo

Sorvall RT/T6000D - Page 186

Sorvall RT/T6000D
302 pages
Print Icon
To Next Page IconTo Next Page
To Next Page IconTo Next Page
To Previous Page IconTo Previous Page
To Previous Page IconTo Previous Page
Loading...
SORVALL®
Centrifuges
RT6000B
and
T6000B
Centrifuges
Serial
Numbers
Below
9101800
•Ve^F"
F^AAT
mBt^ANC^
OS-VECTOR
£
^/3\-1
->
\
L--TJ
->'z
p/
^3
->\c
p/.
-^e
^
->l<
•>0
LCs\AJ
\/0<-Tt
J*5)
>————1————
2AN/A.C.
:>
5——f——
J&
&
)———
U&-13
(SHT.1)
T
3a
3)——-—
-v\
)————T——
————————
1 R82
i
1<
r
IP?-
i
/o
tAt
C.S
\^^
-^>zv
{
Rc
?
\0
^;0^
R7£
e>z
c
\^
kJ
ZN/
RS
\K
l%,
(VS-
1—^——i
e.\
A00~
?z
301
;
|R38
<
\<-
97
«-
3
<
£
/8W
E^G
1C
2A-1
1
R3C
vc^-
•R46
R36
:
tOtL
\QQa
<0
5
»e
^CN
R20
/'—r"
\
+
R51
5oo»
T
^L
U9^
Wt3W.
^T
^
1
c
-&
c-
;
\
~
^
C16
3.0
00
•»
^»et2
^o'pp^i'
R
c
^
8
8
S<
-\zv
3^
^Y
~ 600^560
TP3
-o.^
Isi
-r
9
^
•ae\2o
ceo<s'=\^<s^
oe'^.c.-vc^e.
sr^^s
^6
,ip^
3-,
1
»/
^
UsA%AOT-\'2-
4
1————1
»w
W~VR\ ——•————————•——————».+lZVOC
(TAB)
1
r|
^-ro
o^f
•2.
-ro.\^^
-i-
10^?
^
1
'00\/
1
20V
''l^^
[
^
'zssocso^,^
U
U
^
^
LMSM^V^
sl^-VO.
>
^AC^
'5^>o<
^JC19
1-'
-r'^c
^55V
TAMT
TP4
^^
<p
——^^
^2V
/R44
D7Q
l^
.
^
^?
74<.<4
R?
^ri^z,
w^^^^^
r^iz
2,—.
\—
L
»zt. LMS^
isO"
,
U18
)o5—.
r-^-f—T-^t^ >lc700——-1——^
3
•+lZ^
k.M
-74000
^
-.
LJ
R3
Co
--
?
vov-
o.ovF,]
'oov
^
L»^&
''4C.C
U18
4
('^S.^-T-^')
TPI
TP2
o o
•12V
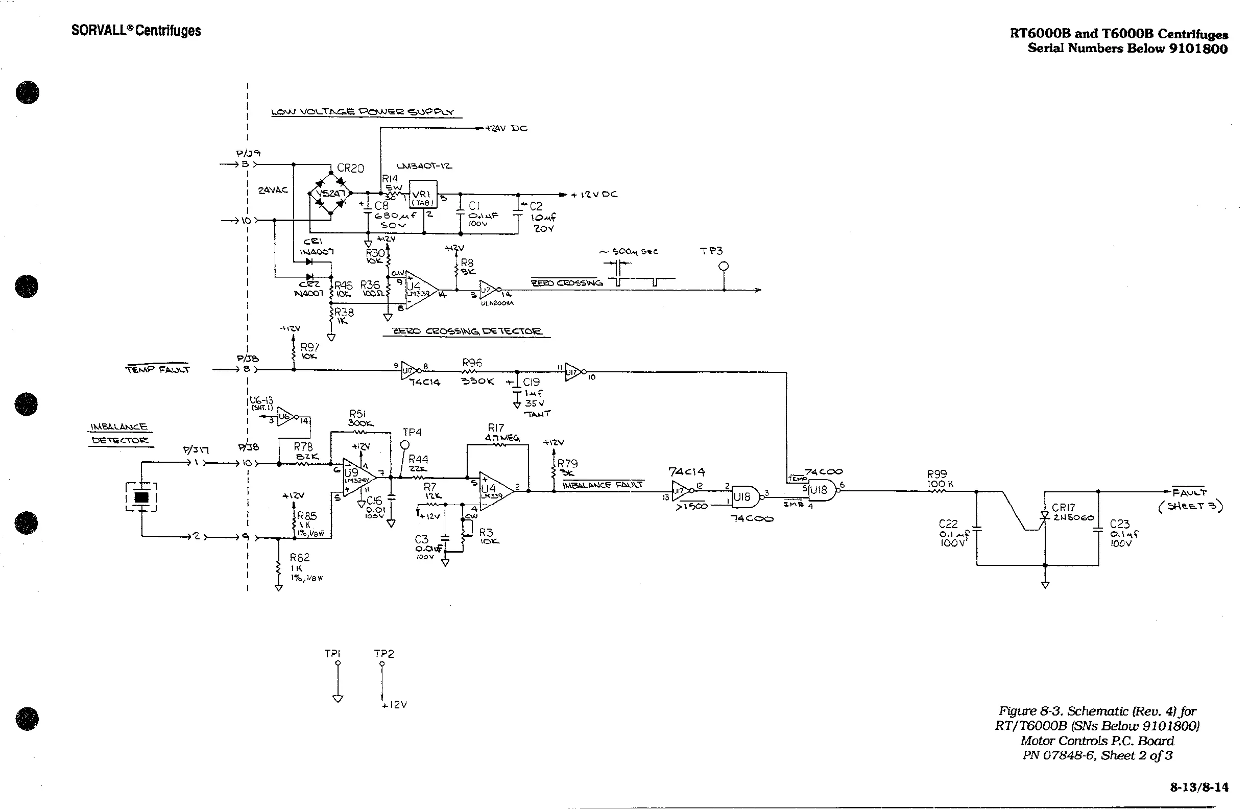
Figure
8-3. Schematic
(Rev.
4)
for
RT/T6000B
(SNs Below
9101800)
Motor
Controls
P.C.
Board
PN
07848-6, Sheet
2
of
3
8-13/8-14

Related product manuals