EasyManua.ls Logo

Sorvall RT/T6000D - Page 187

Sorvall RT/T6000D
302 pages
Print Icon
To Next Page IconTo Next Page
To Next Page IconTo Next Page
To Previous Page IconTo Previous Page
To Previous Page IconTo Previous Page
Loading...
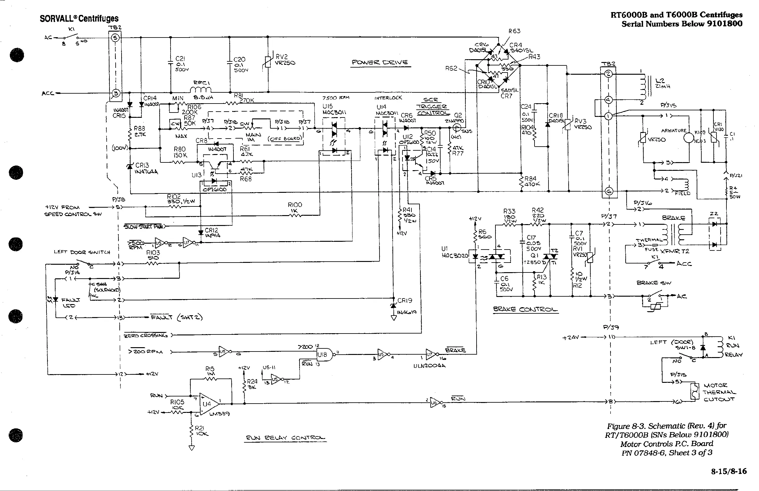
SORVALL®
Centrifuges
RT6000B
and
T6000B
Centrifuges
Serial
Numbers
Below
9101800
Figure
8-3. Schematic
(Rev.
4)
for
RT/T6000B
(SNs Below
9101800)
Motor Controls
P.C.
Board
PN 07848-6, Sheet
3
of
3
8-15/8-16

Related product manuals