EasyManua.ls Logo

Sorvall RT/T6000D - Page 228

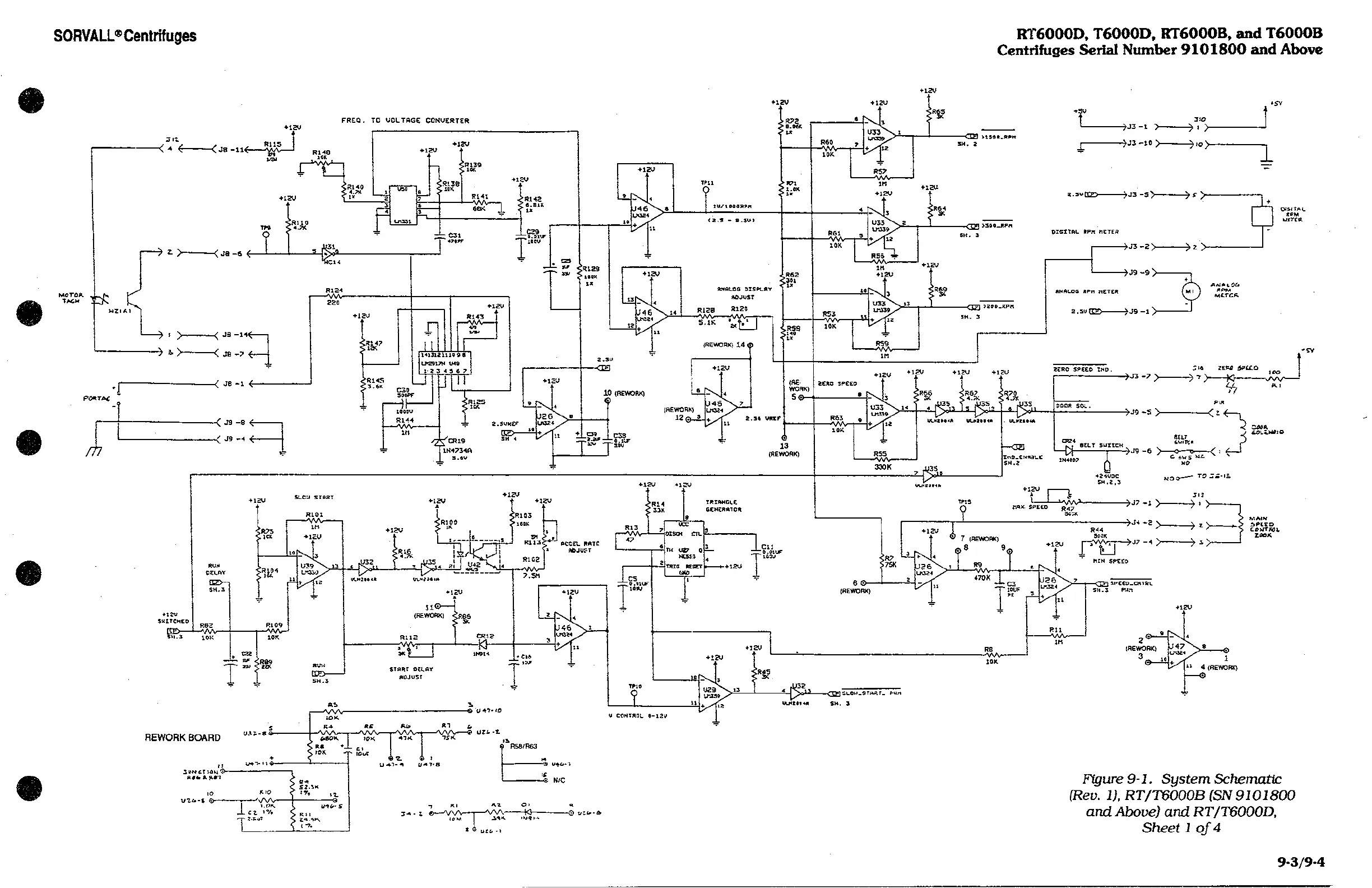
Sorvall RT/T6000D
302 pages
Print Icon
To Next Page IconTo Next Page
To Next Page IconTo Next Page
To Previous Page IconTo Previous Page
To Previous Page IconTo Previous Page
Loading...
SORVALL®
Centrifuges
RT6000D.
T6000D,
RT6000B, and
T6000B
Centrifuges
Serial Number
9101800
and Above
9-3/9-4

Related product manuals