EasyManua.ls Logo

Sorvall RT/T6000D - Page 229

Sorvall RT/T6000D
302 pages
Print Icon
To Next Page IconTo Next Page
To Next Page IconTo Next Page
To Previous Page IconTo Previous Page
To Previous Page IconTo Previous Page
Loading...
SORVALL®
Centrifuges
RT6000D. T6000D.
RT6000B.
and
T6000B
Centrifuges
Serial
Number
9101800
and Above
'
J9 -Z 4
^>
J9 -7 <•
-<
J9
-3
<r
t<v/>C.
-<J9
-104
t. ^———(
JB -9
^
<-—
°<——
10<—
DETE
9
<-
l—Ga
inB-ENftB
SH. 1
ULHXf4«
•nau
R1.^
^
0
LE
f
aa^i———
?""•".
01;
ii"
CA
———D
1N4
R123
B2K
\&
i
U23
|
'-•»-»M
1
^"s I2
I-
1
^y"'^
]i
J
I
20
a«7
121 •I
--1
A
007
Riee
3gOK
+12U
—-£J^44
J-i?^?
LTCZ<^^
3
1
<
u^l"
3
1s'
[———————02
R149
za si
C36
««(^
IS<
OK'
[
<ai35
?
1K
•=
+iau
+R136
IOK
TPIE
R12?
E5K
*iau
y3.6^
t-^
l"u
IrtBBLaHCE
Rl
T
B
*E'moc
*ia
•|U51
'
,
,
1
I"-34"-"
J.C3<
1.C33
i
rr
*l2U ^^
«r^
,
$syi
"<
<
.U35
me ^^ i is
r's
WSl^
\^a
,— ^fo
"•"""
^1-i.'
S
100
R13S
<•;T1|
.H3U
A
+isu
1
t
^R^
"^-6
U4B\.2
1
Y
L""39^'
<
^f
...
^^
i..
^3 p,m;
'
C32
'<6<.,J
^O.OIUF
OK
$
100U
]
>1300RPK
1
v
<
,
SH.3
TE
-L^8-
T!ci4
3
H^IS——
TtfH
;H.l
TP7
9
—1——————————(TPl
RS4
^
|lj3^
~^n^ferr
f^3
F
^lRf>\s
101
HCOO/
ina
TPl
nP-^ftULT
—oa
SM.<
TEnp
^
i^i
R123
5
1
"e00/
^
TP6
I
+12U
Lra'^
r~
100U
TP9
1——f+SU
aao»o
SM•:>
CR1B
±"^
T^ioeu
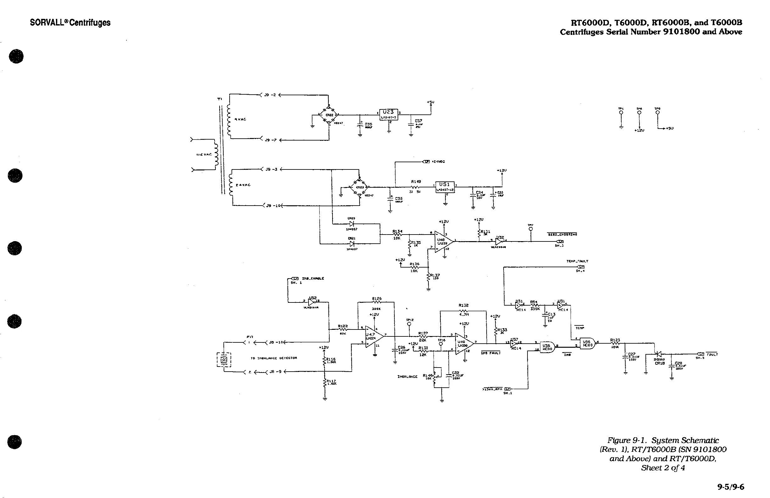
Figure
9-1.
System
Schematic
fReu.
i^,
RT/T6000B
(SN
9101800
and
Above) and RT/T6000D,
Sheet
2
of
4
9-5/9-6

Related product manuals