EasyManua.ls Logo

Sorvall RT/T6000D - Page 230

Sorvall RT/T6000D
302 pages
Print Icon
To Next Page IconTo Next Page
To Next Page IconTo Next Page
To Previous Page IconTo Previous Page
To Previous Page IconTo Previous Page
Loading...
SORVALL®
Centrifuges
RT6000D, T6000D,
RT6000B,
and
T6000B
Centrifuges
Serial
Number
9101800
and Above
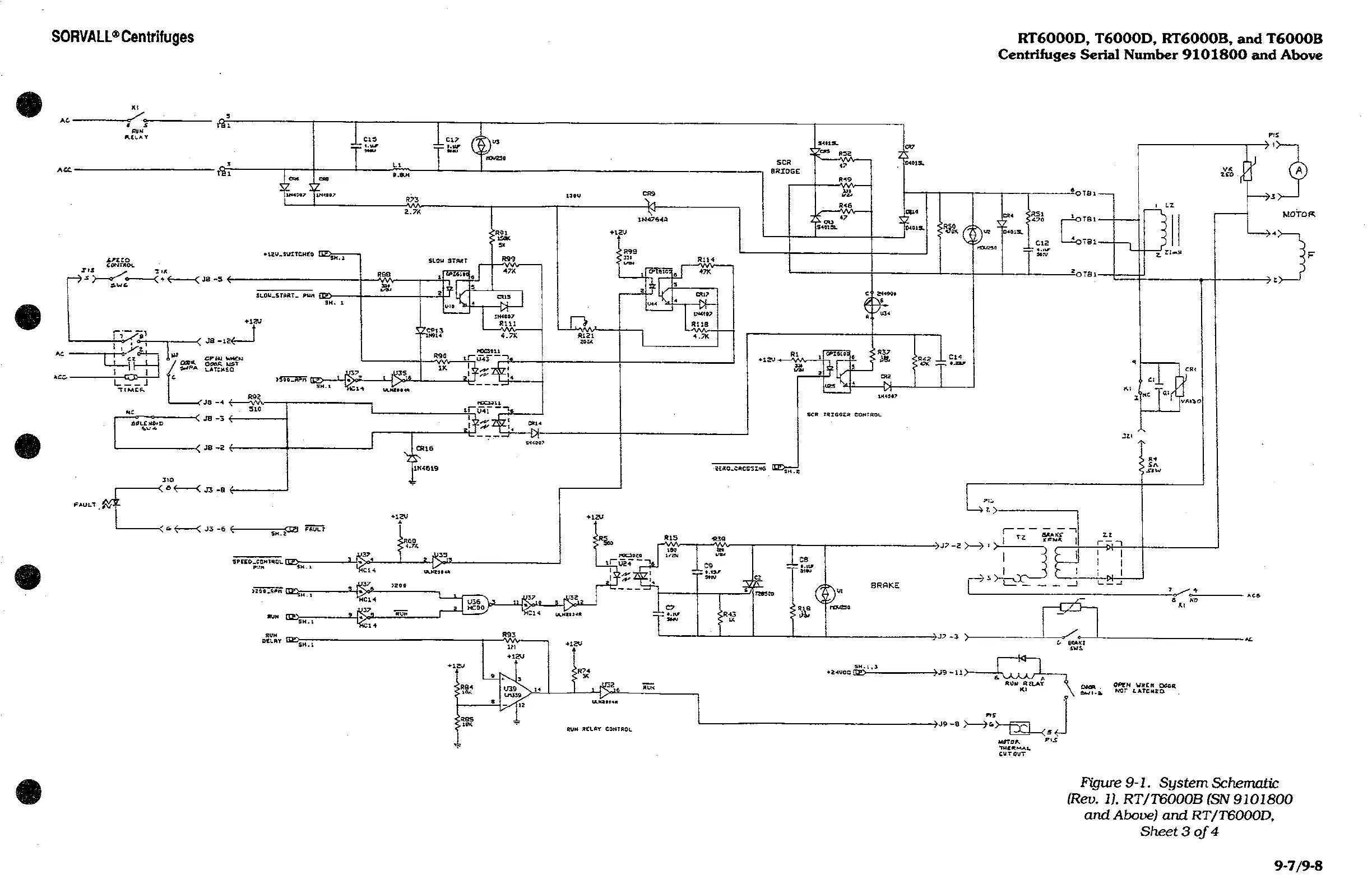
Figure
9-1.
System
Schematic
(Rev.
1),
RT/T6000B
(SN
9101800
and
Above) and
RT/T6000D,
Sheet
3
of
4
9-7/9-8

Related product manuals