EasyManua.ls Logo

Sorvall RT/T6000D - Page 231

Sorvall RT/T6000D
302 pages
Print Icon
To Next Page IconTo Next Page
To Next Page IconTo Next Page
To Previous Page IconTo Previous Page
To Previous Page IconTo Previous Page
Loading...
SORVALL®
Centrifuges
RT6000D,
T6000D,
RT6000B, and
T6000B
Centrifuges
Serial Number
9101800
and
Above
•TEMP
,
fEM&cw.
("y,
"<J4
-3
4
<J4-t <•
TEMP
ACT
^•X.
Pe
^'
:JS-a 4
.
JS -1
JS-3
COHPRESSOR ao-lusr
t.
fo»l
B.
OULY OM
T*t?OCS/o
llJtrKUMCMTt
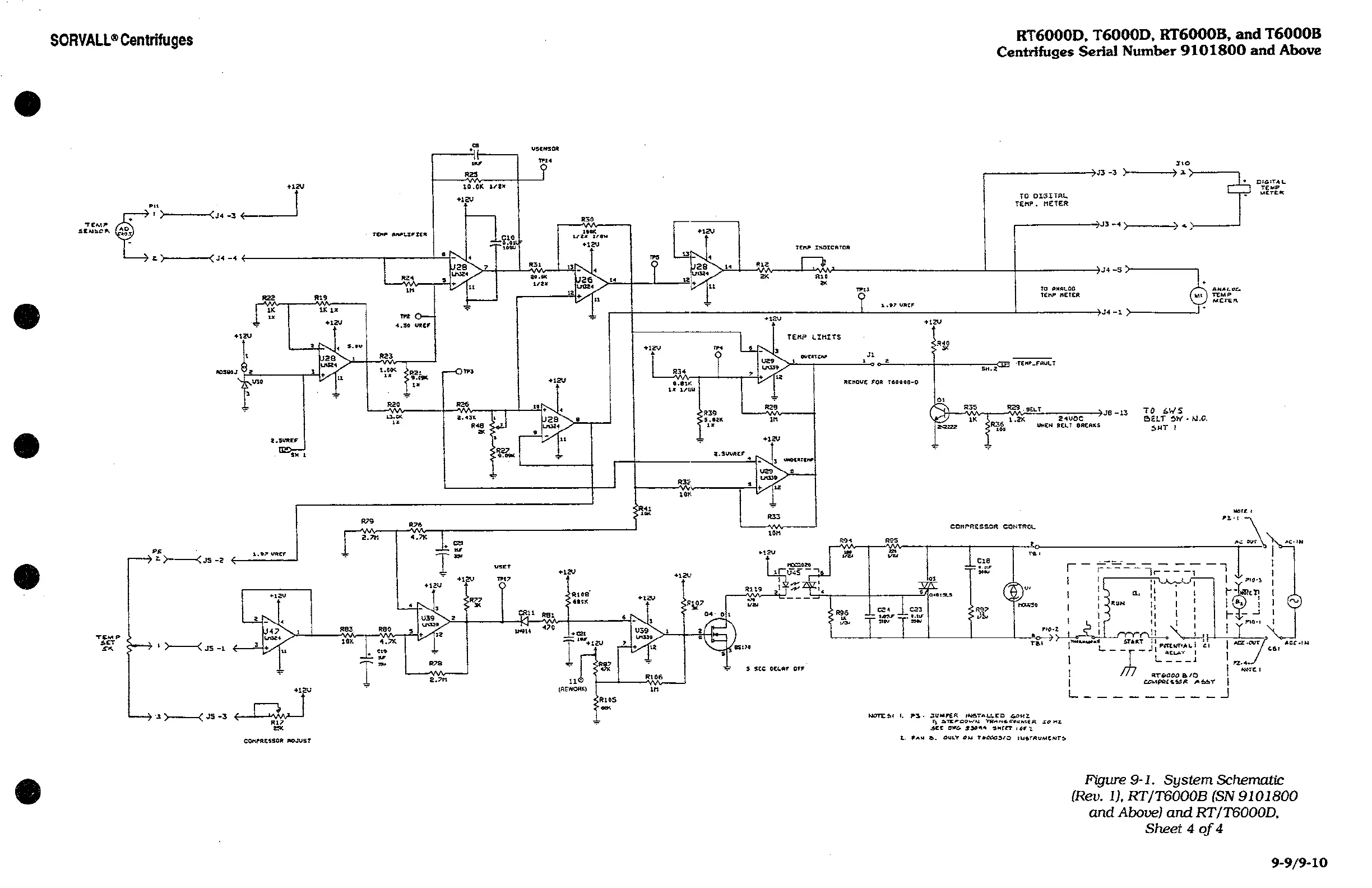
Figure
9-1.
System
Schematic
(Rev.
1),
RT/T6000B
(SN
9101800
and
Above)
and
RT/T6000D,
Sheet 4
of
4
9-9/9-10

Related product manuals