EasyManua.ls Logo

Sorvall RT/T6000D - Page 233

Sorvall RT/T6000D
302 pages
Print Icon
To Next Page IconTo Next Page
To Next Page IconTo Next Page
To Previous Page IconTo Previous Page
To Previous Page IconTo Previous Page
Loading...
SORVALL®
Centrifuges
RT6000D,
T6000D,
RT6000B.
and
T6000B
Centrifuges
Serial Number
9101800
and
Above
-<J9
-a
<-
•Pl
ffitt
?13
<J9 *10.
J8
-10<-
InBRLANCE DETCCTOB
OS -9
<•
STATE.
OF"
lAJ^TKUr^&IUT
WIVER DFF
(C&f
OP'CN)
^rAMOY-ftT
(^1
D£EM£R&IZ£D)
&AAK£
OFF
(swrrcH swa OPEM)
TIMER
OFF
(
&WITCH ^iWZ
C7PEM}
S.PEF.O
^E.T TO ZERO RPM
(SWITCH SW* OPE"M)
DOOR
UNLATCHEO
{
SWITCH
2>WI
-
^
S.
S^/I-B OPEN)
PROPER. &CLT
Tr(\J^|D\i
(^MITCH
£>W^"
CLOEiED)
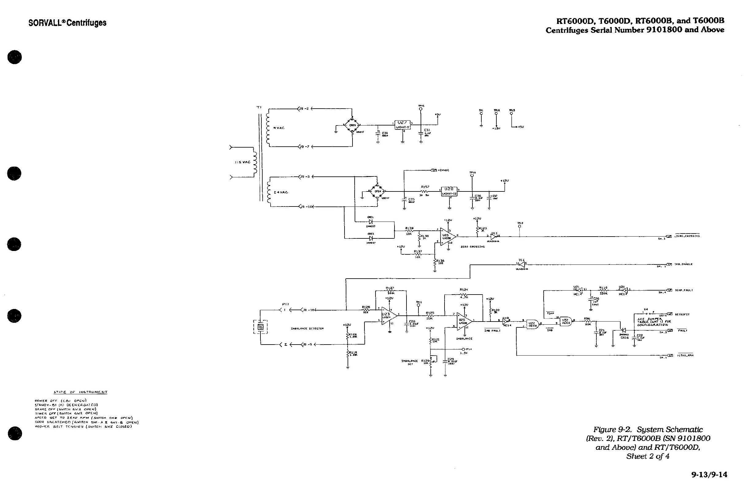
Figure
9-2.
System
Schematic
(Rev.
2),
RT/T6000B (SN 9101800
and Above) and RT/T6000D,
Sheet
2
of
4
9-13/9-14