EasyManua.ls Logo

Sorvall RT/T6000D - Page 234

Sorvall RT/T6000D
302 pages
Print Icon
To Next Page IconTo Next Page
To Next Page IconTo Next Page
To Previous Page IconTo Previous Page
To Previous Page IconTo Previous Page
Loading...
SORVALL®
Centrifuges
RT6000D,
T6000D.
RT6000B. and
T6000B
Centrifuges
Serial Number
9101800
and
Above
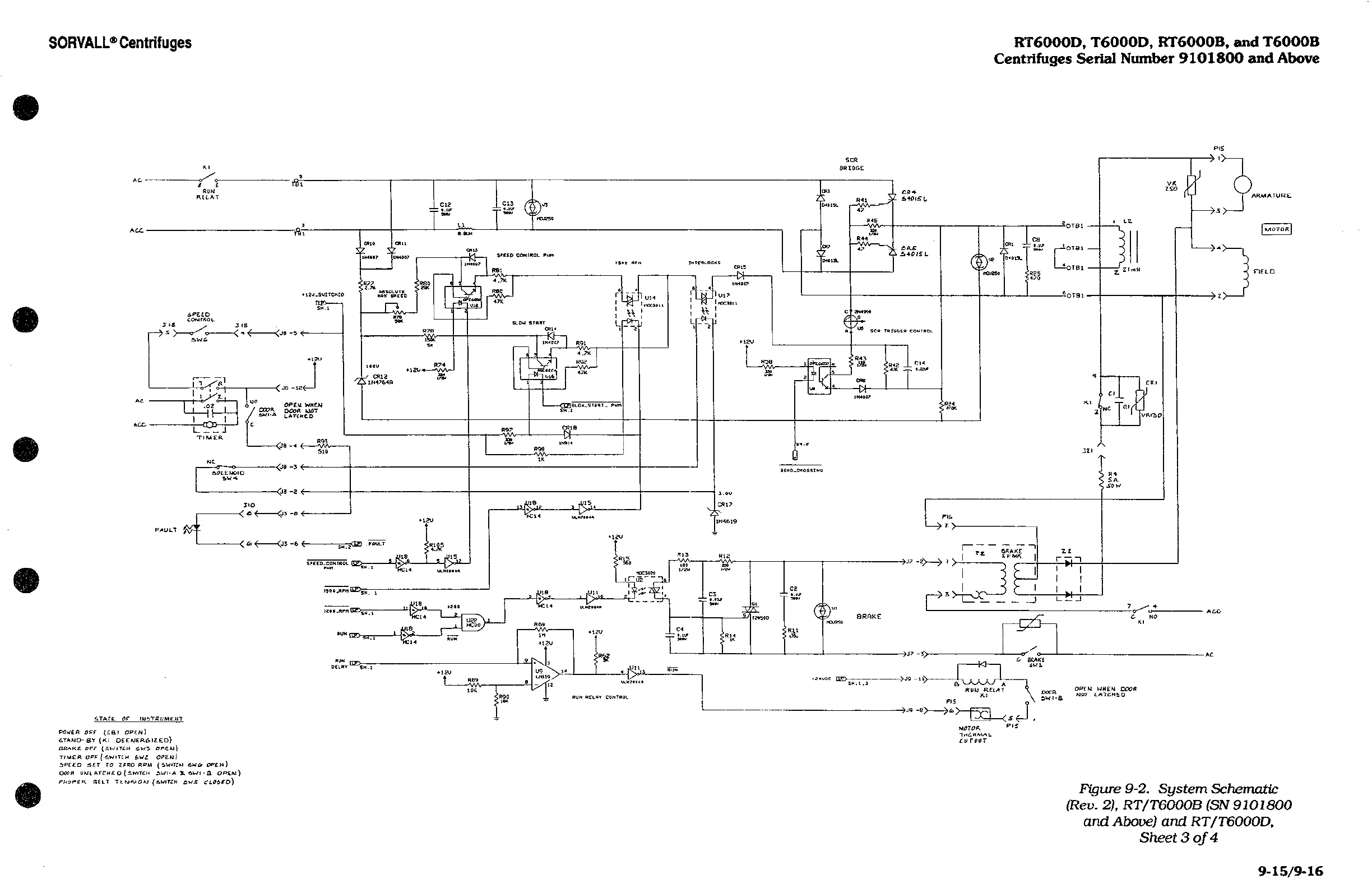
POWER
OFF
(CSI
OP^NI
&TAMD'BT(KI OeEMER&IZED)
BRAKE
OFF
(SWITCH &wl OfHU.)
TIMER OFF (SWITCH
SW;
OPEU)
5PCCD
-5£T
TO ZERO RPM
(
SWfTCM
SW&
OPEN)
OOCR
UMI.ATCHE 0
(SWITCH ^iWI-A
S.
SW)
-
B
OPCM)
rhVf£f\
BELT
TtiM^lOW (&WITCH a^/^ C^ff6fo)
ARMATURE.
Figure
9-2.
System
Schematic
(Rev.
2).
RT/T6000B (SN
9101800
and
Above) and RT/T6000D,
Sheet
3
of
4
9-15/9-16

Related product manuals