EasyManua.ls Logo

Sorvall RT/T6000D - Page 235

Sorvall RT/T6000D
302 pages
Print Icon
To Next Page IconTo Next Page
To Next Page IconTo Next Page
To Previous Page IconTo Previous Page
To Previous Page IconTo Previous Page
Loading...
SORVALL®Centrifuges
RT6000D.
T6000D. RT6000B,
and
T6000B
Centrifuges
Serial
Number
9101800
and Above
TP2
Q
USENSOR
TEMP
/
,
5EU-*OP>
(A0)
6TATC OF JMfeTAUMEMT
r»WER
OFF
(CBI OPEN)
&rAMD-8Y
(Kl
OECNER61ZEO)
BRAKE £?FF (&WIT£H
6Wt
OPEN)
TIMER OFF
^6WITCH
WL
0^6^)
SPECD
&ET TO Z.e»0 R.PM
(
&Wir£H ->W&
0*»1?N)
OOOrt UAJLATCHED (SWITCH
flWl .A
XL
AWI-B OP£N)
PKop•c^
aeJ.T
rtAi&ioN
(wneu ws CLP^CO)
NOTE.&t
*.
Pi
'
JUMPER
tkl£>TALLED
m)HZ.
r,
ATCPOOWU
TffAN&>--ffHMCR
^Tff
MZ
ACC DM£f B^OW
5M££T
t
flF
T.
V..
FAN
&,
OULY
OU
•J'^OOOS/0
tUATflt/MeMTS»
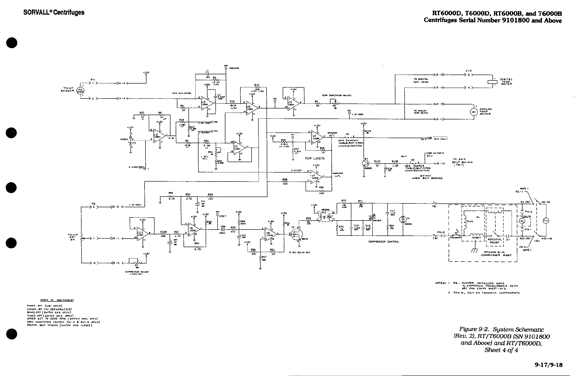
Figure
9-2.
System Schematic
(Rev.
2),
RT/T6000B
(SN 9101800
and
Above)
and
RT/T6000D,
Sheet 4
of
4
9-17/9-18

Related product manuals