EasyManua.ls Logo

Sorvall RT/T6000D - Page 236

Sorvall RT/T6000D
302 pages
Print Icon
To Next Page IconTo Next Page
To Next Page IconTo Next Page
To Previous Page IconTo Previous Page
To Previous Page IconTo Previous Page
Loading...
SORVALL®
Centrifuges
RT6000D, T6000D, RT6000B.
and
T6000B
Centrifuges
Serial
Number
9101800
and Above
BASE
PLATE.
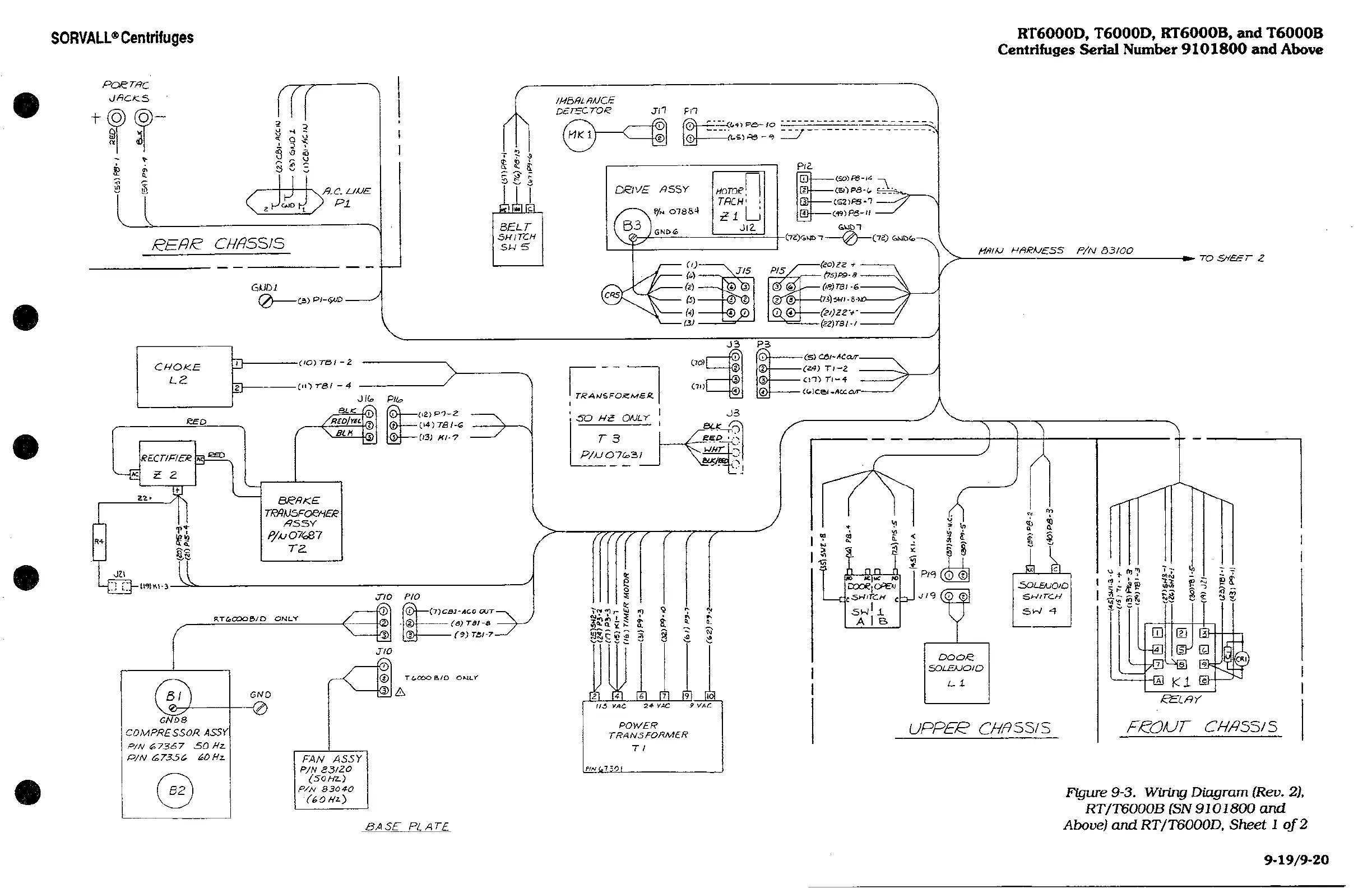
Figure
9-3.
Wiring
Diagram (Rev.
2),
RT/T6000B
(SN
9101800
and
Above) and RT/T6000D, Sheet
lqf2
9-19/9-20

Related product manuals