EasyManua.ls Logo

SoundCraft MONITOR 2 - Page 15

SoundCraft MONITOR 2
20 pages
Print Icon
To Next Page IconTo Next Page
To Next Page IconTo Next Page
To Previous Page IconTo Previous Page
To Previous Page IconTo Previous Page
Loading...
Page 14
3
3
3
3
3
1
1
1
1
1
2
2
2
2
2
+48V
+48V
+48V
+48V
MIC
INPUT
SPLIT
SPLIT OUTPUT
(Internal Link)
Link - Grounded
No Link - Ground Lift
TIP: SEND
RING: RETURN
HOUSE
MICS
FX RET 1
LEFT
HOUSE
FX RET 1
FX RET 2
HOUSE
SENS
FX RET 2
LEFT
FX RET 1
RIGHT
FX RET 2
RIGHT
LEFT
RIGHT
T/B MIC
T/B SENS
PHASE
INPUT
SENS
MONITOR
1
2
3
4
5
6
7
8
9
9-10
PAN
PAN
11- 12
10
11
12
MNTR 1-8
MNTR 9
MNTR 10
MNTR 11
MNTR 12
T/B ALL
TALKBACK
PFL
SOLO L
WEDGE L
SOLO R
WEDGE R
DIM ALL
FADER
PFL
WEDGE
SOURCE
OUT 11 OUT 12
PFL/SOLO
ENABLE
PFL
SOLO L
SOLO L
SOLO/PFL
TRIM
MASTER
DIM
MASTER
T/B
WEDGE
SOLO R
SOLO R
MUTE
1-8
PRE
9-12
PRE
SIG
3
1
2
3
1
2
3
1
2
3
1
2
3
1
2
GRAPHIC EQ
(INSERT)
GRAPHIC EQ
(INSERT)
GRAPHIC EQ
(INSERT)
WEDGE
SOURCE
SELECT
(11 ONLY)
WEDGE
SOURCE
SELECT
(12 ONLY)
TO
TO
TO
FROM
FROM
FROM
INSERT
EQ
100Hz
HIGH PASS
OFF-160Hz
PEAK
DETECT
PEAK DETECT
& PFL ON
SIGNAL
DETECT
MONO OUTPUT (1 of 8 Shown)
STEREO OUTPUT (1 of 2 Shown)
INPUT
OUT (1-8)
OUT
9(11)
OUT
10 (12)
WEDGE
L
WEDGE
R
PHONES
PHONES
WEDGE/SOLO
METER L
WEDGE/SOLO
METER R
METER
METER
METER
MNTR
METER
METER
MNTR
SOLO
SOLO
PAN
11- 12
11- 12
(9-10 only)
* FOH MODE SUBGROUPING
* FOH MODE SUBGROUPING
MNTR
MNTR
HOUSE
60Hz
RET LEVEL
RET LEVEL
FADER
FADER
T/B ALL
T/B ALL
DIM ALL
DIM ALL
TALKBACK SIGNAL
TALKBACK SIGNAL
MUTE
MUTE
DIM
DIM
T/B
T/B
TB &
DIM
TB &
DIM
TB &
DIM
POST EQ
PRE EQ
POST EQ
PRE EQ
POST EQ
PRE EQ
POST EQ
PRE EQ
RET1
RET2
RET1
RET2
MNTR
11- 12
DIM
DIM
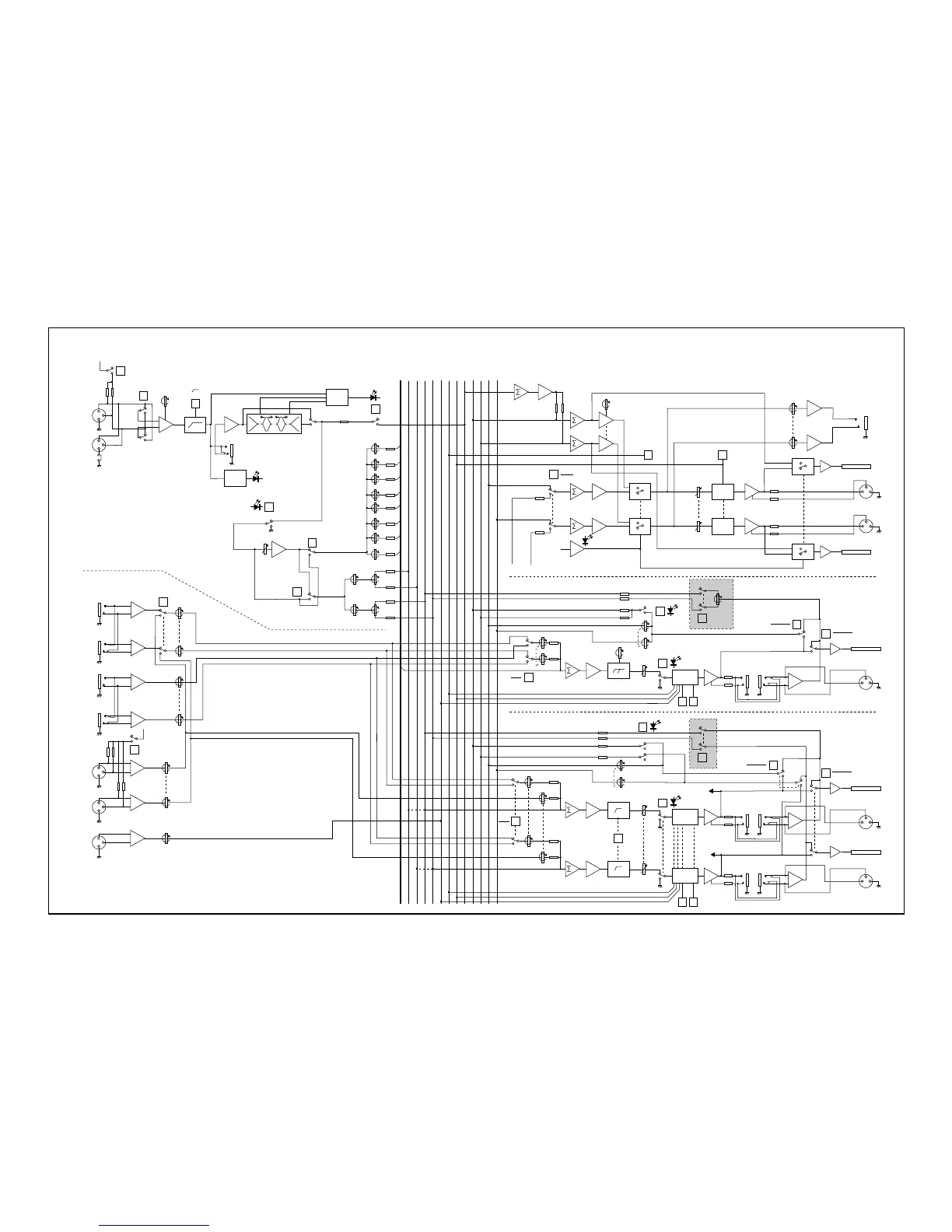
System Block Diagram

Related product manuals