EasyManua.ls Logo

SpacePak SIM-036 - Page 30

SpacePak SIM-036
48 pages
Print Icon
To Next Page IconTo Next Page
To Next Page IconTo Next Page
To Previous Page IconTo Previous Page
To Previous Page IconTo Previous Page
Loading...
– 30 –
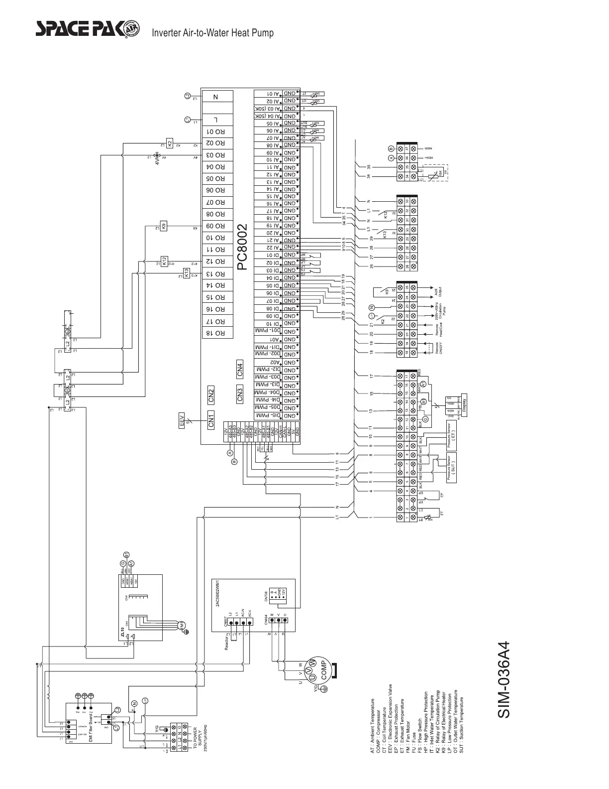
Inverter Air-to-Water Heat Pump
Wiring Diagrams and Definitions
CAUTION: The Remote On/
Off and Remote Heat/Cool
inputs are for voltage-free
relay contacts only. Any
voltage introduced to the
controls at these points will
immediately destroy the
primary unit control.

Related product manuals