EasyManua.ls Logo

SPAN F500S - Lift Dimensions

SPAN F500S
26 pages
Print Icon
To Next Page IconTo Next Page
To Next Page IconTo Next Page
To Previous Page IconTo Previous Page
To Previous Page IconTo Previous Page
Loading...
5
FEATURES & OVERVIEW
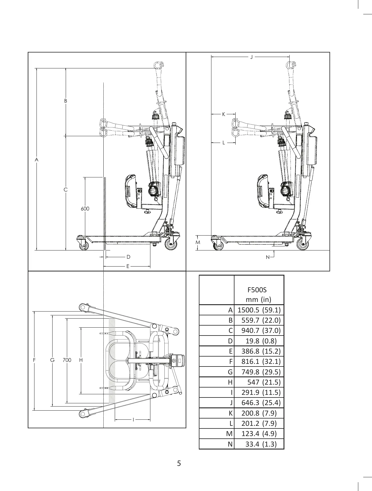
C
B
A
600
E
D
F
700
H
I
G
M
N
L
K
J
A
1500.5 (59.1)
B 559.7 (22.0)
C 940.7 (37.0)
D 19.8 (0.8)
E 386.8 (15.2)
F 816.1 (32.1)
G 749.8 (29.5)
H 547 (21.5)
I 291.9 (11.5)
J 646.3 (25.4)
K 200.8 (7.9)
L 201.2 (7.9)
M 123.4 (4.9)
N 33.4 (1.3)
mm (in)
F500S
UNLESS OTHERWISE SPECIFIED:
SHEET:
SCALE:
PART NUMBER:
DESCRIPTION:
DATE:
DRAWN BY:
MATERIAL:
FINISH:
2920 PACIFIC DRIVE
NORCROSS, GA 30071
PROPRIETARY AND CONFIDENTIAL
THE INFORMATION CONTAINED IN THIS
DRAWING IS THE SOLE PROPERTY OF
BESTCARE LLC. ANY REPRODUCTION IN PART
OR AS A WHOLE WITHOUT THE WRITTEN
PERMISSION OF BESTCARE LLC IS PROHIBITED.
8/24/2017
1 of 1
16mm Wrench
ALL DIMENSIONS IN MM
1-6
6-30
30-120
120-400
0.1
0.2
0.3
0.5

Related product manuals