EasyManua.ls Logo

Spirax Sarco MDU100 - Page 12

Spirax Sarco MDU100
20 pages
Print Icon
To Next Page IconTo Next Page
To Next Page IconTo Next Page
To Previous Page IconTo Previous Page
To Previous Page IconTo Previous Page
Loading...
12 3.589.5275.910
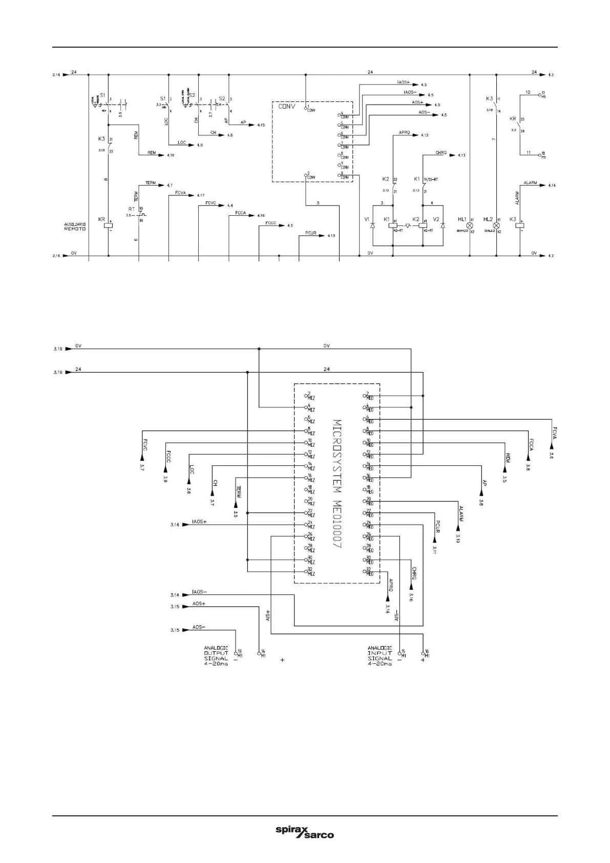
Fig. 11 - MDU100 Schemi elettrici Fig. 11 - MDU100 Electric drawings
Fig. 12 - MDU100 Schemi elettrici Fig. 12 - MDU100 Electric drawings