EasyManua.ls Logo

Spirax Sarco MDU100 - Page 17

Spirax Sarco MDU100
20 pages
Print Icon
To Next Page IconTo Next Page
To Next Page IconTo Next Page
To Previous Page IconTo Previous Page
To Previous Page IconTo Previous Page
Loading...
17
3.589.5275.910
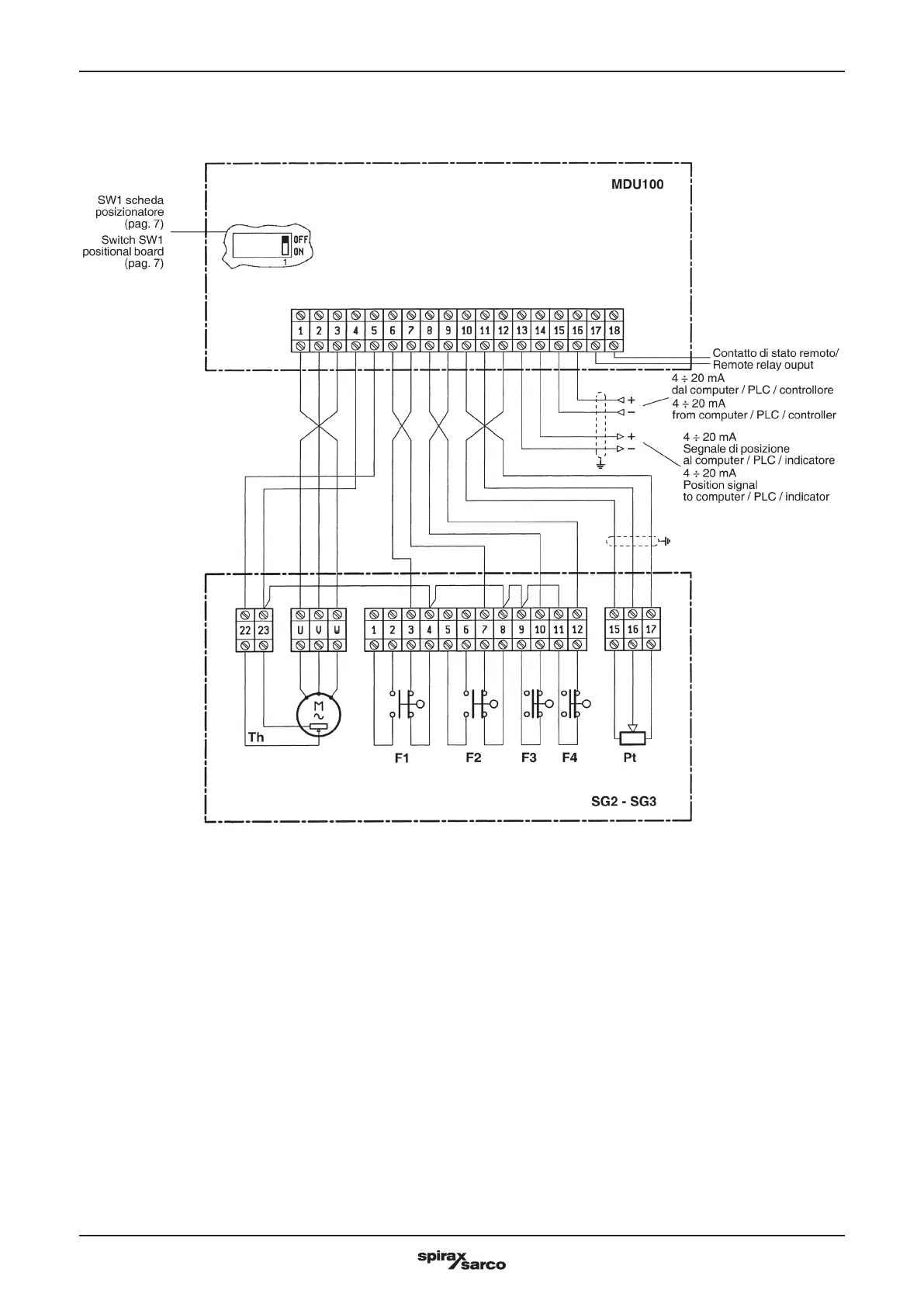
Schema di collegamento tra unità controllo motore
(MDU100) e motori tipo SG2 o SG3
Electrical connections between motor control unit
(MDU100) and motors SG2 or SG3
Modo operativo "a" o "b" rotazione della valvola antioraria
Schema elettrico tipo "RA"
Operation mode "a" or "b" valve rotation counterclockwise
Wiring diagram type "RA"