EasyManua.ls Logo

Spirax Sarco MFP14-PPU - Page 9

Spirax Sarco MFP14-PPU
20 pages
Print Icon
To Next Page IconTo Next Page
To Next Page IconTo Next Page
To Previous Page IconTo Previous Page
To Previous Page IconTo Previous Page
Loading...
IM-P681-02 ST Issue 2
9
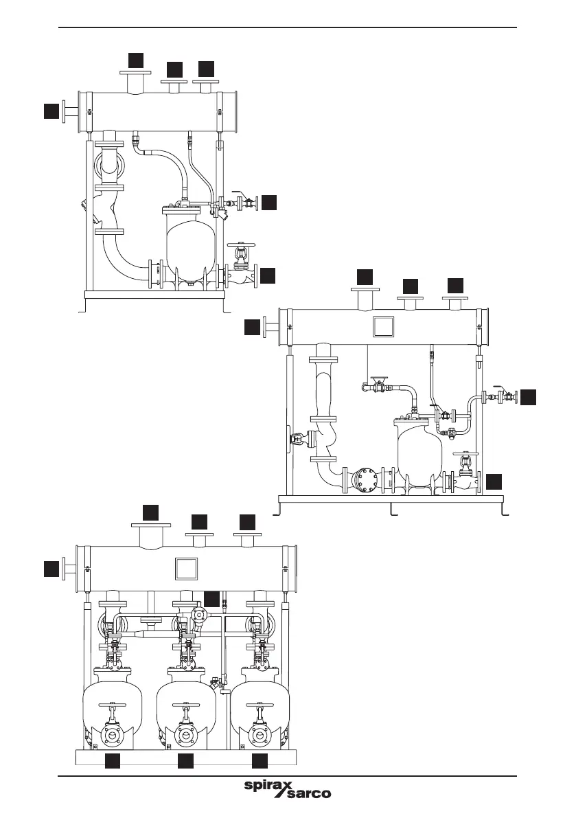
Fig. 1
Single MFP14-PPU
Fig. 2
Duplex MFP14-PPU
Fig. 3
Triplex MFP14-PPU
Y
Z
Z
X
W
V
Y
Z
Z
X
W
Z
Z
Y
X
V
W
V
V V

Related product manuals