EasyManua.ls Logo

SSI A20829 - Mounting; A20829

Default Icon
38 pages
Print Icon
To Next Page IconTo Next Page
To Next Page IconTo Next Page
To Previous Page IconTo Previous Page
To Previous Page IconTo Previous Page
Loading...
Single Gas Sensor Module (SGSM)
Operations Manual
Page 7 of 38
Page 7 of 51
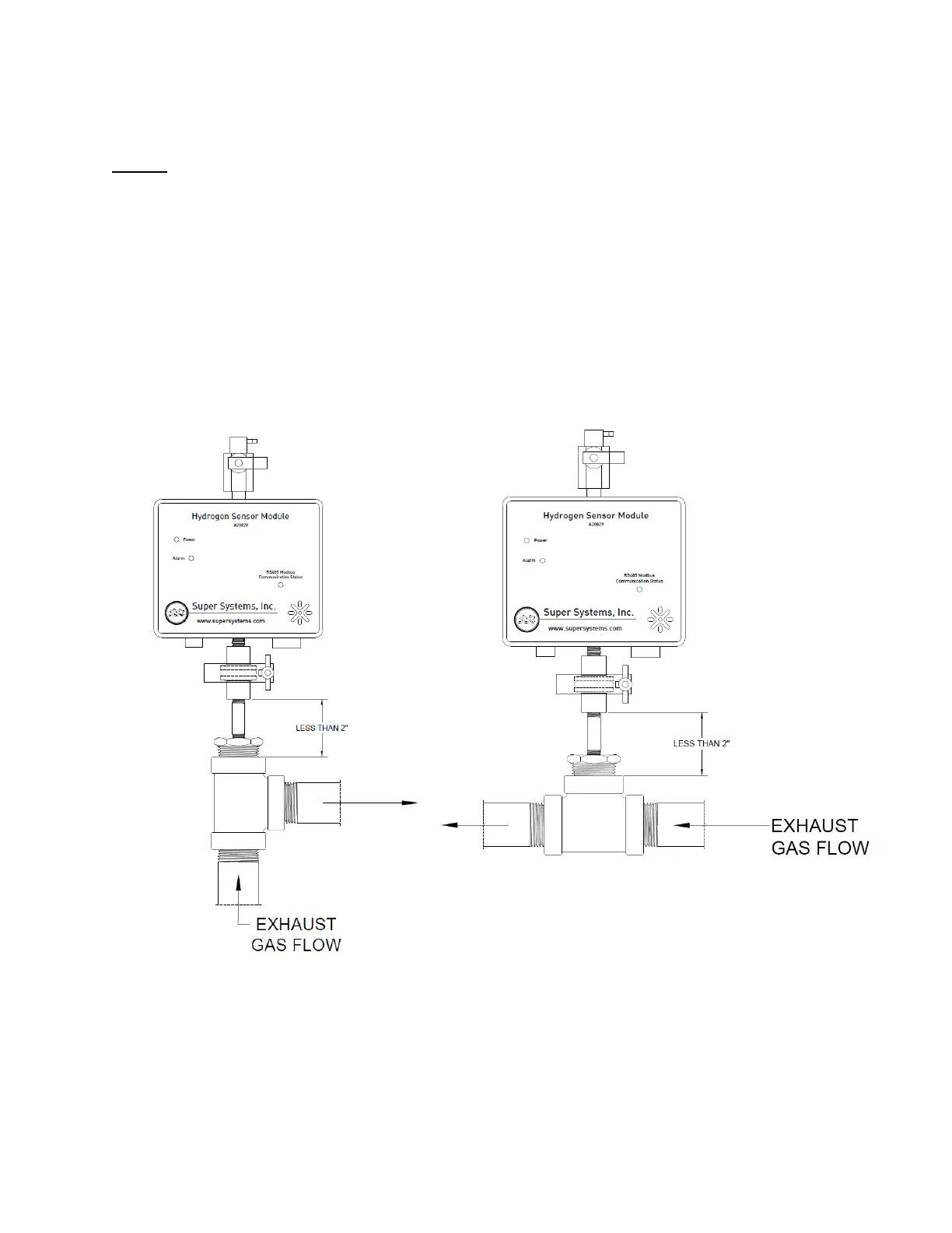
Mounting
A20829
SSi recommends that the in-situ H
2
sensor (A20829) be mounted to the exhaust piping as close
to the furnace as possible. Many contaminants solidify when cooled and can cause irreversible
damage to the sensor over time. Heat from the gases will help to prevent the formation of
contaminants in the sensor.
The unit should be mounted right side up so that the lettering on the front of the unit can be
read. The length of pipe between the main exhaust and the bottom of the KF fittings should be
minimized and must be
less than 2”
or the unit’s response and accuracy may be negatively
affected. The best location on the exhaust piping is at an elbow where the exhaust line might be
vertically plumbed out of the furnace lid. See illustrations.
Figure 3Mounting/Plumbingdiagram for A20829
Other mounting locations are possible, but must be tested and verified prior to using for
measurement and control of the furnace atmosphere. Contact SSi if there are questions about
the mounting location.