EasyManua.ls Logo

stabo xm 3003e - Power Display; 6-Pin Microphone Plug

stabo xm 3003e
Print Icon
To Next Page IconTo Next Page
To Next Page IconTo Next Page
To Previous Page IconTo Previous Page
To Previous Page IconTo Previous Page
Loading...
25
However, please keep in mind that you should not transmit without
connected and adapted antenna, since this would dammage your
radio set.
Before starting the transmission, wait for a moment to make sure
that the channel is free and that there is no doubling with a
different radio station. Furthermore, please note that the radio
station need a certain time to carry out its start-up sequency. Thus,
you should better wait for a second before speaking.
Power display
When pressing the push-to-talk button on your microphone, the
bar display shows the relative transmitting power instead of the
S-value. In AM mode, the number of LEDs which are lighted up
vary depending on the type of modulation.
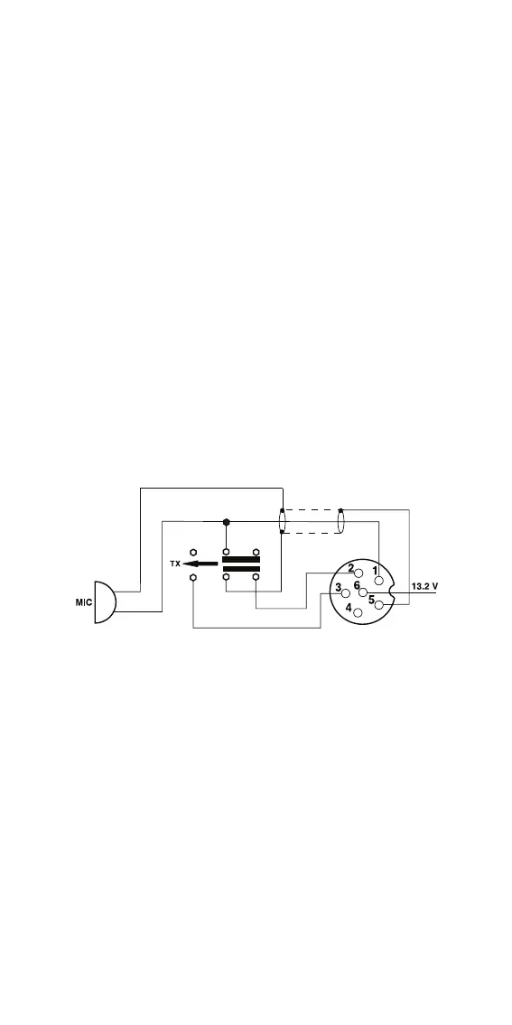
6-pin microphone plug
1 Modulation
2RX
3TX
4 -
5 Ground
6 Power Supply

Related product manuals