EasyManua.ls Logo

Stamina 1300 - Assembly Instructions; Stabilizer Attachment (Steps 1-2)

Stamina 1300
22 pages
Print Icon
To Next Page IconTo Next Page
To Next Page IconTo Next Page
To Previous Page IconTo Previous Page
To Previous Page IconTo Previous Page
Loading...
ASSEMBLY INSTRUCTIONS
7
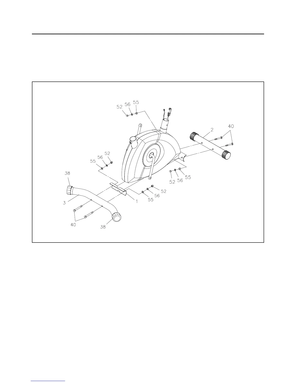
STEP 1
Attach the FRONT STABILIZER(2) to the front of the MAIN FRAME(1) with CARRIAGE BOLTS
(M8x1.25x65mm)(40), ARC WASHERS(M8)(55), LOCK WASHERS(M8)(56), and ACORN NUTS(M8x1.25)
(52).
STEP 2
Attach the REAR STABILIZER(3) to the MAIN FRAME(1) with CARRIAGE BOLTS(M8x1.25x65mm)(40),
ARC WASHERS(M8)(55), LOCK WASHERS(M8)(56), and ACORN NUTS(M8x1.25)(52).
NOTE: You can adjust the LEVELING CAPS(38) on the REAR STABILIZER(3) to keep the Bike stable.
Place all parts from the box in a cleared area and position them on the floor in front of you. Remove all
packing materials from your area and place them back into the box. Do not dispose of the packing materials
until assembly is completed. Read each step carefully before beginning. If you are missing a part please call
our toll-free number for assistance 1-800-375-7520 or e-mail us at: customerservice@staminaproducts.com

Related product manuals