EasyManua.ls Logo

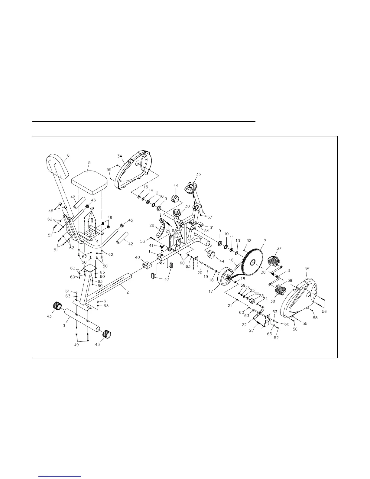
Stamina 4600 - Product Parts Drawing

Stamina 4600
18 pages
Print Icon
To Next Page IconTo Next Page
To Next Page IconTo Next Page
To Previous Page IconTo Previous Page
To Previous Page IconTo Previous Page
Loading...
PRODUCT PARTS DRAWING
12
FRONT
BACK

Related product manuals