EasyManua.ls Logo

Stamina 4600 - Page 7

Stamina 4600
18 pages
Print Icon
To Next Page IconTo Next Page
To Next Page IconTo Next Page
To Previous Page IconTo Previous Page
To Previous Page IconTo Previous Page
Loading...
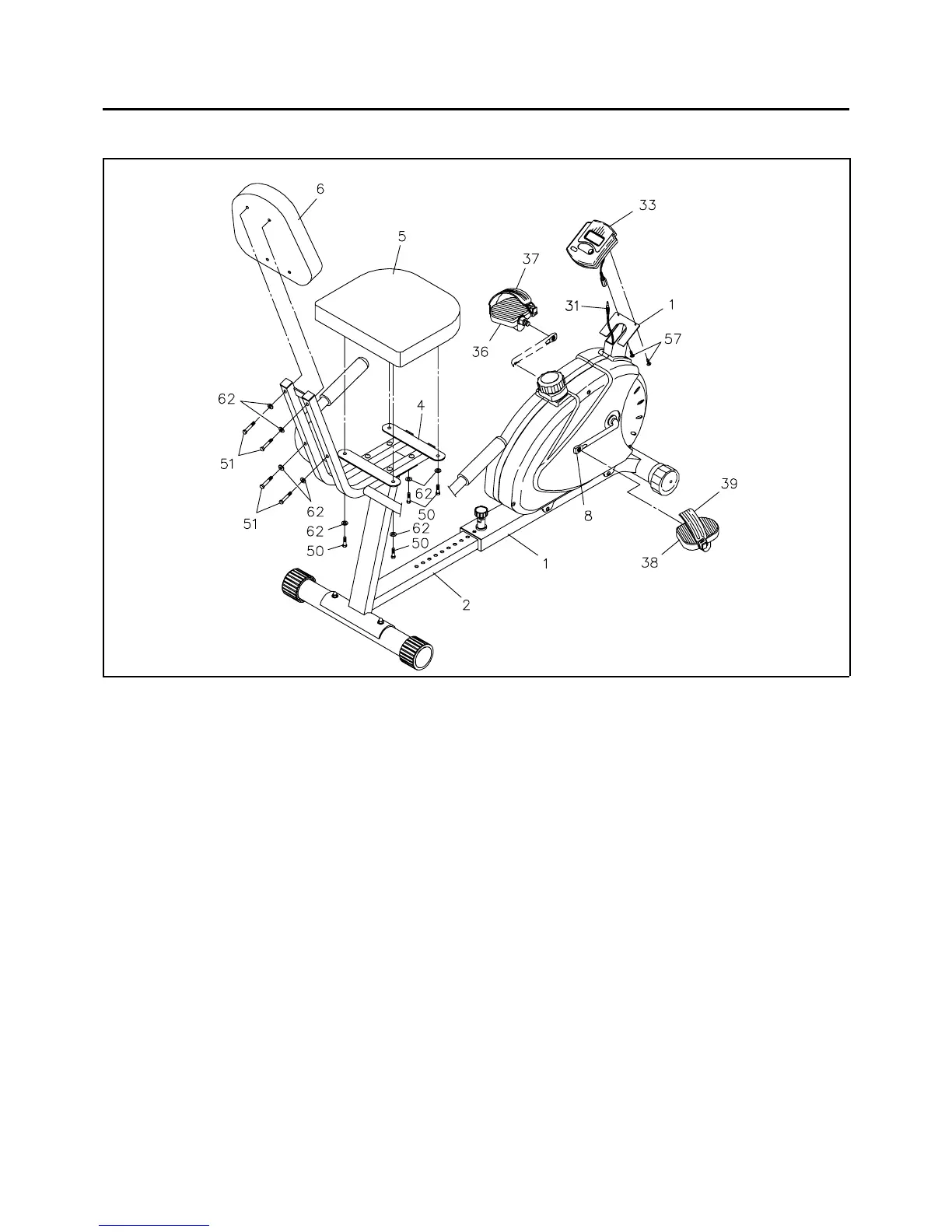
STEP 3: Attach the SEAT(5) onto the SEAT FRAME(4) with BOLTS(M6 x 25mm)(50) and WASHERS
(M6)(62). Attach the BACK CUSHION(6) onto the SEAT FRAME(4) with BOLTS(M6 x 40mm)(51)
and WASHERS(M6)(62).
STEP 4:
NOTE:
Thread
RIGHT PEDAL(38) into the right side of the CRANK(8) as shown. Tighten the pedal securely.
Select the
RIGHT PEDAL STRAP(39) which has R marked on the bottom side of the strap. Snap the
three hole end onto the inside edge of the
RIGHT PEDAL(38). Snap the other end onto the outside edge
of the
RIGHT PEDAL(38) with the R mark on the bottom of the RIGHT PEDAL STRAP(39). Select
adjustment holes which allow your foot to be easily removed from the pedals.
Do the same to attach the
LEFT PEDAL(36) to the left side of the CRANK(8) and snap the LEFT
PEDAL STRAP(37) onto the LEFT PEDAL(36).
STEP 5: Install two "AA" batteries into the ELECTRONIC METER(33). Plug in the SENSOR WIRE(31)
to the ELECTRONIC METER(33). Place the ELECTRONIC METER(33) onto the plate on the FRONT
FRAME(1) and secure with SCREWS(M5 x 8mm)(57).
ASSEMBLY INSTRUCTIONS
7
The RIGHT PEDAL(38) has R stamped on the end of the pedal shaft. The RIGHT PEDAL(38)
has right hand threads and is tightened by turning clockwise. The LEFT PEDAL(36) has L
stamped on the end of the pedal shaft. The LEFT PEDAL(36) has left hand threads and is
tightened by turning counter clockwise.

Related product manuals