EasyManua.ls Logo

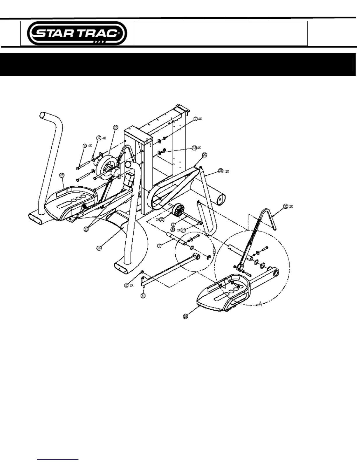
Star Trac Pro Stepper - Part Assemblies - Frame Assembly; See Page 35 for Parts List

Star Trac Pro Stepper
40 pages
Print Icon
To Next Page IconTo Next Page
To Next Page IconTo Next Page
To Previous Page IconTo Previous Page
To Previous Page IconTo Previous Page
Loading...
Pro Stepper Service Manual
Pro Stepper Service Manual 620-7619 Rev B
33
See page 35 for parts list
Part Assemblies - Frame Assembly

Other manuals for Star Trac Pro Stepper

Related product manuals