EasyManua.ls Logo

Starline GLV - GLV - Operator Manual

Starline GLV
12 pages
Print Icon
To Next Page IconTo Next Page
To Next Page IconTo Next Page
To Previous Page IconTo Previous Page
To Previous Page IconTo Previous Page
Loading...
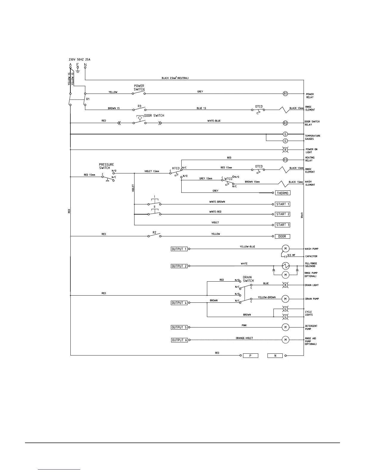
GLV7 Schematic Diagram
030172 05/04/16 1 A
9 GLV - Operator Manual 160819
GLV7 SCHEMATIC DIAGRAM

Related product manuals