EasyManua.ls Logo

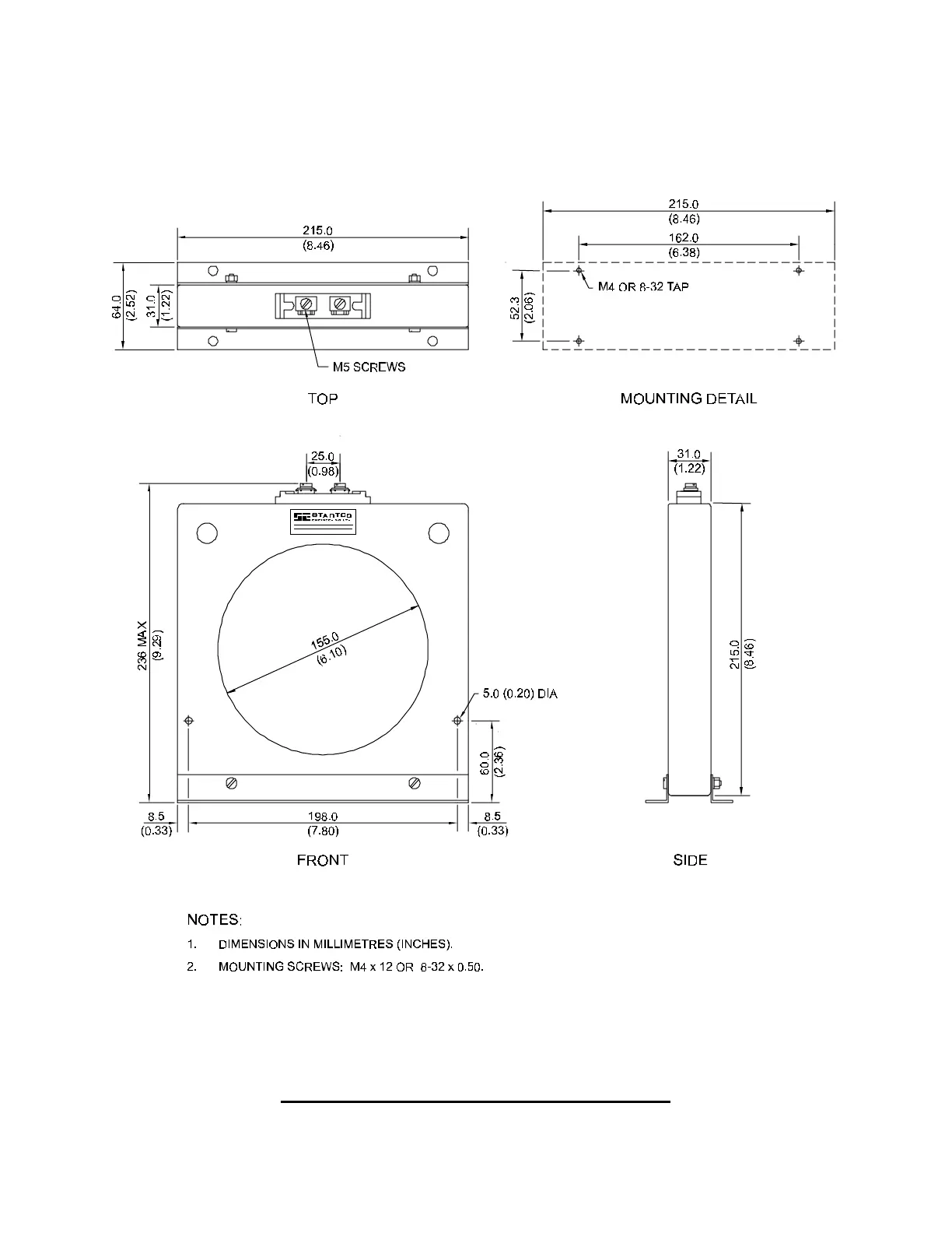
Startco FPU-16 - Efct-2 Outline and Mounting Details

Default Icon
47 pages
Print Icon
To Next Page IconTo Next Page
To Next Page IconTo Next Page
To Previous Page IconTo Previous Page
To Previous Page IconTo Previous Page
Loading...
Startco Engineering Ltd. Page 24
FPU-16 Feeder Protection Unit Rev. 0
Pub. FPU-16-M, November, 1997 Downloaded from the Internet, see Disclaimer.
EFCT-2 OUTLINE AND MOUNTING DETAILS
FIGURE 7

Table of Contents