EasyManua.ls Logo

Steffes 3100 Series - Page 33

Default Icon
40 pages
Print Icon
To Next Page IconTo Next Page
To Next Page IconTo Next Page
To Previous Page IconTo Previous Page
To Previous Page IconTo Previous Page
Loading...
Appendix
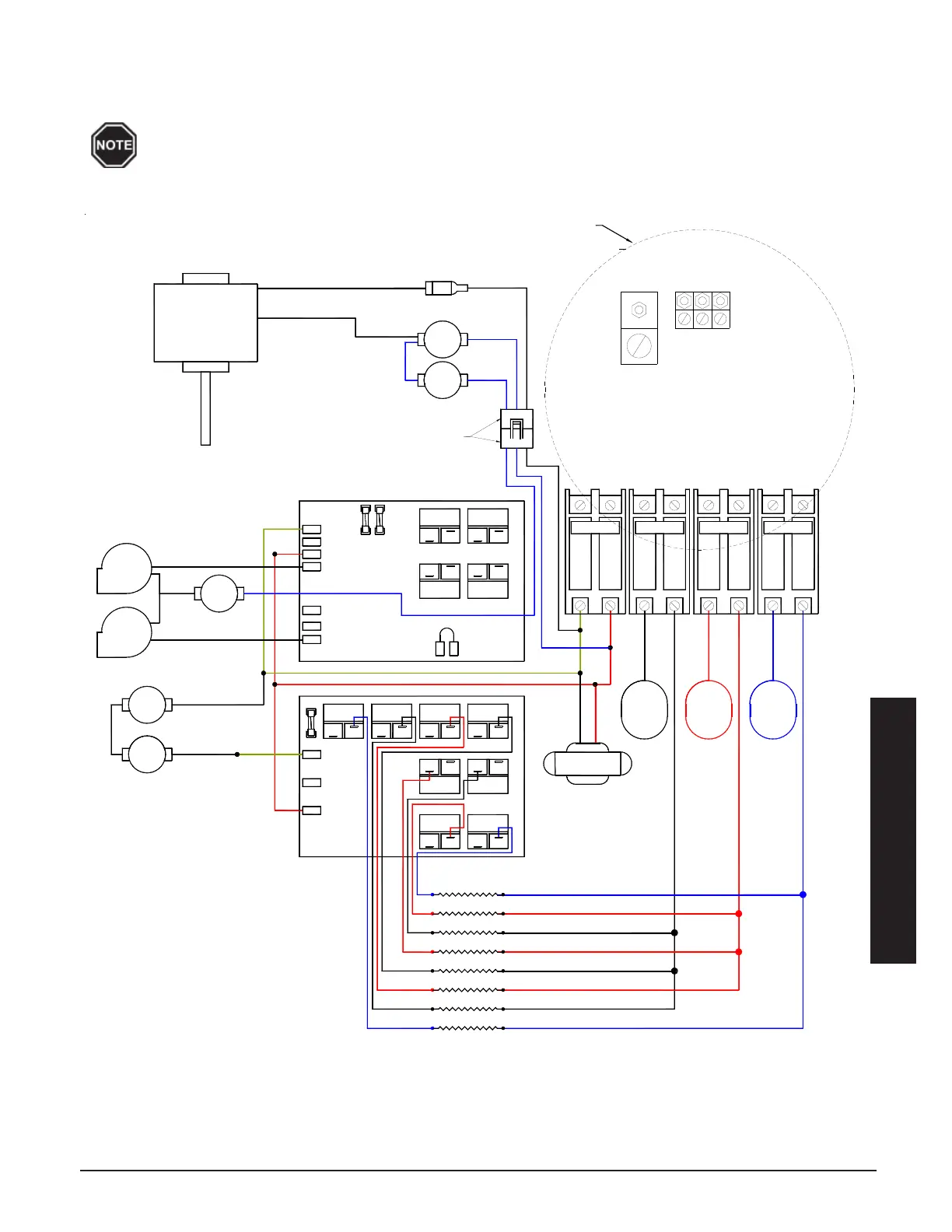
Line Voltage Wiring Diagram - Model 4120
240V OR 208V SYSTEMS ONLY
Use copper or aluminum conductors rated for 75
o
C or higher for field connection of this device.
Comfort Plus Appendix n A.10
NOTE: Line Voltage Field Wiring Connections - See Figure 10 for information on circuit phasing
connections.
160 °
BLOWER
HEAT CALLFAN ON
ELEMENT 2
COM
BASE IO BOARD
#1
EXPANSION
BOARD
L2 120
L2 240
RED
COMCOM
CORE
LIMIT
WHITE/BLACK
NO
L1
1/4 Amp
LIMIT
CORE
WHITE/BLACK
ELEMENT 1
BLOWER
BLACK
CORE
DAMPER
N.C.
WHITE
RESISTOR
RESISTER
Element 2
Element 1
Element 3
Element 4
COM
COM
Element 7
Element 6
Element 5
HEATING ELEMENTS
Element 8
ELEMENT 7 ELEMENT 8
TRANSFORMER
NONO
COM COM
240v / 24v
ELEMENT 5 ELEMENT 6
75 VA
RED
Element
2,4,6
COM COM
NONONO
NO
NO
ELEMENT 3 ELEMENT 4
To
Relays
1,83,5,7
To
Element
To
Element
Relays Relays
BLACK
BLACK/YELLOW
BLUE
BLUE/WHITE
RELAY RELAY
RED
BLUE
in the base of the
Heater & Plenum
Connectors located
L2 120
BLACK
CORE
L2 240
BLOWER
5 Amp
L1
BLACK
VARIABLE SPEED BLOWER
BLACK
CIRCUIT #1
CIRCUIT #3
CIRCUIT #2
CONTROLS
60A
NONO
COM
NO
NO
COM
1/4 Amp
COMCOM
15A 60A60A
CHARGE
BLOWERS/
CIRCUIT
CHARGE
CHARGE
N.C.
9 Pin Header
LUGS
GROUND
N.C.
160 °
BLUE/WHITE
MANUAL RESET
BLUE
190 °
BLUE/BLACK
BLUE/BLACK
SEE NOTE