EasyManua.ls Logo

Steffes 3100 Series - Page 34

Default Icon
40 pages
Print Icon
To Next Page IconTo Next Page
To Next Page IconTo Next Page
To Previous Page IconTo Previous Page
To Previous Page IconTo Previous Page
Loading...
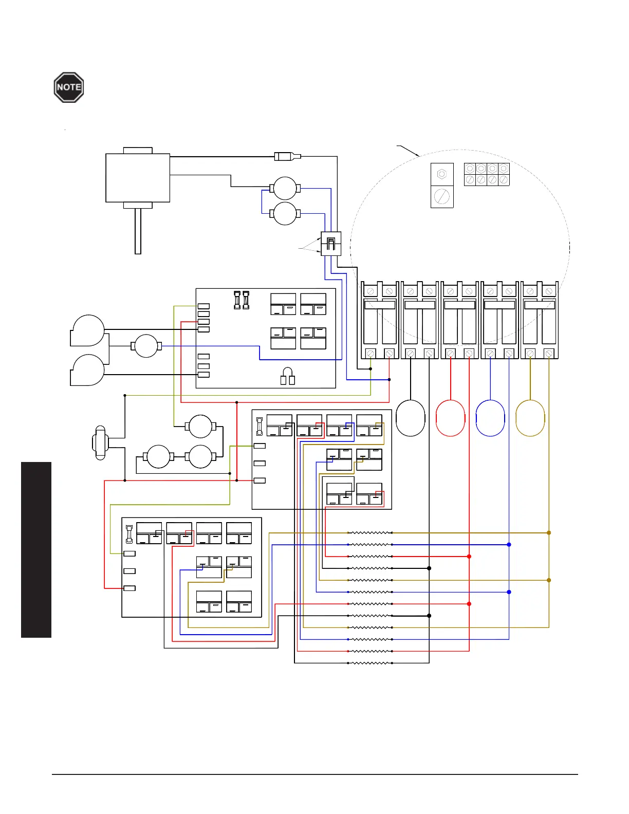
Appendix n A.11 Comfort Plus
Appendix
Line Voltage Wiring Diagram - Model 4130
240V OR 208V SYSTEMS ONLY
Use copper or aluminum conductors rated for 75
o
C or higher for field connection of this device.
NOTE: Line Voltage Field Wiring Connections - See Figure 10 for information on circuit phasing
connections.
DAMPER
BLOWER
LIMIT
CORE
BLACK/YELLOW
RED
75 VA
240v 24v
TRANSFORMER
WHITE/BLACK
RED
CORE
LIMIT
LIMIT
CORE
RED
BLACK/YELLOW
BASE IO BOARD
BLACK
BLACK
WHITE
160 °
CORE
N.C.
CORE
BLOWER
CIRCUIT #3
CHARGE
CIRCUIT #4
CHARGE
CIRCUIT #1
CHARGE
CIRCUIT #2
CHARGE
CIRCUIT
CONTROLS
BLOWERS/
L2 120
NO
FAN ON
RELAY
RESISTOR
RESISTER
L2 240
BLOWER
RELAY
BLUE/WHITE
NO
HEAT CALL
COM
COM
COM
L1
1/4 Amp5 Amp
NO
COM
NO
15A 60A 60A 60A 60A
BROWN
BLACK
RED
BLUE
#2
Element 2
Element 1
Element 3
Element 4
EXPANSION
ELEMENT 5
L1
L2 240
BOARD
L2 120
NO
1/4 Amp
COM
COM COM
BOARD
HEATING ELEMENTS
NO
COM COM
NO
ELEMENT 11
COM
NO
ELEMENT 12
NO
COM
Element 7
Element 5
Element 6
Element 8
Element 9
#1
ELEMENT 6
NONO
COM COM
NO
COM
Element 12
Element 10
Element 11
NO NO
L2 120
L2 240
EXPANSION
L1
1/4 Amp
ELEMENT 7 ELEMENT 8
ELEMENT 9 ELEMENT 10
NO
COM
NO
COM
COM
ELEMENT 1
COM
ELEMENT 3
NO
COM
NO
ELEMENT 2
NO
COM
NO
ELEMENT 4
ToTo To
Element
2,6,10
Relays
Element
1,5,9
Relays
Element
3,7,11
Relays
To
Element
4,8,12
Relays
GROUND
LUGS
in the base of the
BLUE
9 Pin Header
Connectors located
VARIABLE SPEED BLOWER
BLACK
BLACK
BLUE/BLACK
N.C.
BLUE/WHITE
N.C.
160 °
MANUAL RESET
BLUE
190 °
BLUE/BLACK
Heater & Plenum
SEE NOTE