EasyManua.ls Logo

Steffes 3100 Series - Page 35

Default Icon
40 pages
Print Icon
To Next Page IconTo Next Page
To Next Page IconTo Next Page
To Previous Page IconTo Previous Page
To Previous Page IconTo Previous Page
Loading...
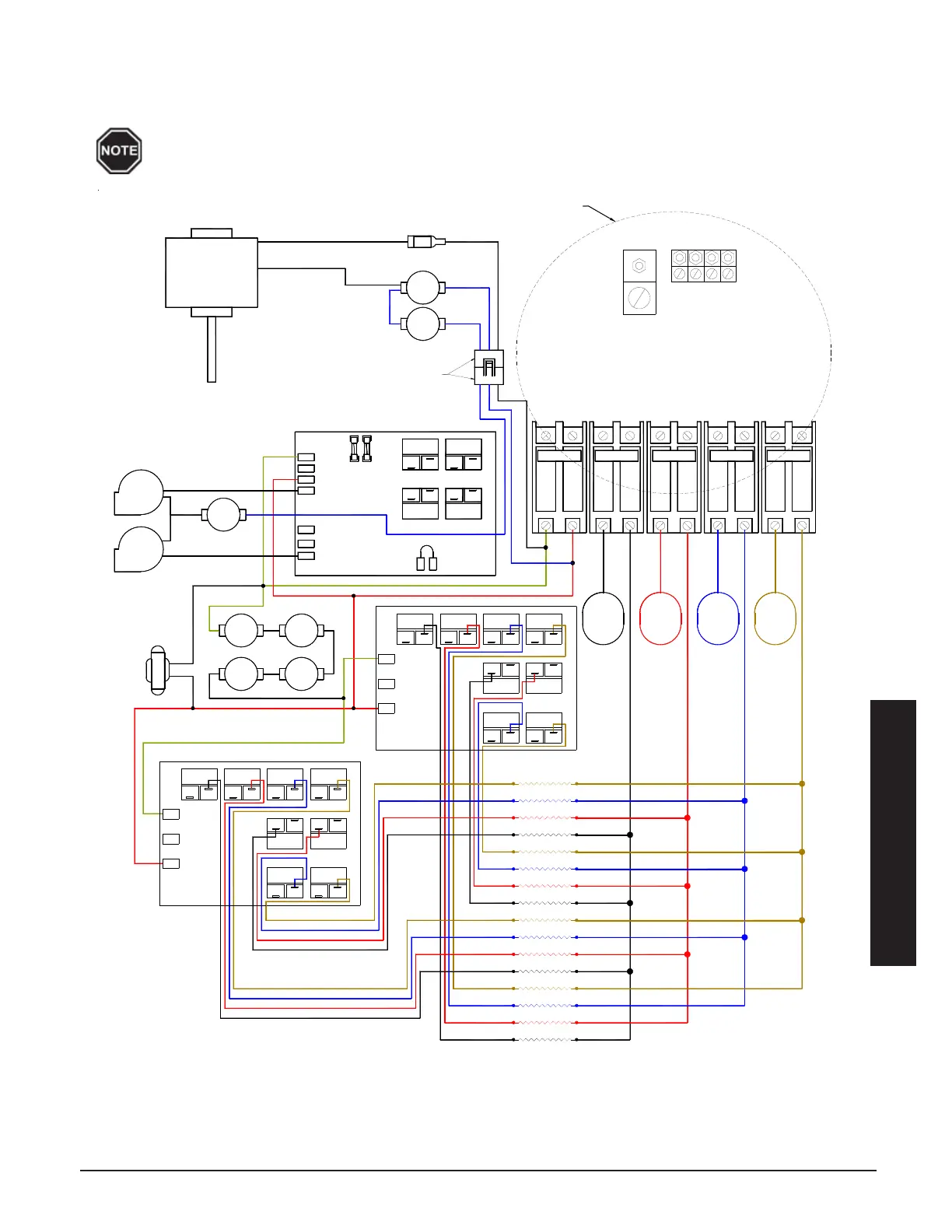
Line Voltage Wiring Diagram - Model 4140
240V OR 208V SYSTEMS ONLY
Use copper or aluminum conductors rated for 75
o
C or higher for field connection of this device.
Comfort Plus Appendix n A.12
Appendix
NOTE: Line Voltage Field Wiring Connections - See Figure 10 for information on circuit phasing
connections.
75 VA
TRANSFORMER
240v 24v
REDRED
RED
BLACK/YELLOW
CORE
LIMIT
LIMIT
CORE
WHITE/BLACK
LIMIT
CORE
LIMIT
CORE
BLOWER
CORE
BLOWER
CORE
RESISTOR
BLUE/WHITE
RESISTER
DAMPER
RED
BLACK/YELLOWBLACK/YELLOW
BLACK
BASE IO BOARD
L2 120
BLOWER
L2 240
BLACK
N.C.
160 °
WHITE
L1
RELAY
FAN ON
NO
COM
NO
RELAY
COM
HEAT CALL
1/4 Amp
COM
5 Amp
NO
COM
NO
15A 60A 60A 60A60A
CIRCUIT #3
CIRCUIT #4
BLOWERS/
CONTROLS
CIRCUIT #1
CIRCUIT #2
CIRCUIT
CHARGE
CHARGE
CHARGE
CHARGE
SEE NOTE
RelaysRelays
Relays
Relays
ELEMENT 4ELEMENT 3ELEMENT 2ELEMENT 1
Element 5
Element 2
Element 1
Element 3
Element 4
Element 15
COM
NONO
COM
NO
COMCOM
NO
EXPANSION
#2
BOARD
COMCOM
NO NO
ELEMENT 14
ELEMENT 16
ELEMENT 15
ELEMENT 13
NO
NO
COM
COM
Element 10
Element 7
Element 6
Element 8
Element 9
Element 11
Element 12
Element 14
Element 13
NO
ELEMENT 9
COM
NO
ELEMENT 11
HEATING ELEMENTS
ELEMENT 8ELEMENT 6ELEMENT 5 ELEMENT 7
#1
BOARD
EXPANSION
COM
NO
COM COM
NONO
COM
Element 16
COM
NO
ELEMENT 12
ELEMENT 10
NO
COM
1,5,9,13
COM
NO
2,6,10,14 4,8,12,163,7,11,15
BLACK
RED
Element
To To
Element
BLUE
BROWN
Element
To
Element
To
GROUND
LUGS
BLACK
VARIABLE SPEED BLOWER
BLACK
Connectors located
in the base of the
9 Pin Header
BLUE/BLACK
BLUE/WHITE
160 °
N.C.
190 °
BLUE
MANUAL RESET
N.C.
BLUE
BLUE/BLACK
Heater & Plenum