EasyManua.ls Logo

Steinberg UR242 - Page 30

Steinberg UR242
32 pages
Print Icon
To Next Page IconTo Next Page
To Next Page IconTo Next Page
To Previous Page IconTo Previous Page
To Previous Page IconTo Previous Page
Loading...
Appendix
UR242 Operation Manual
30
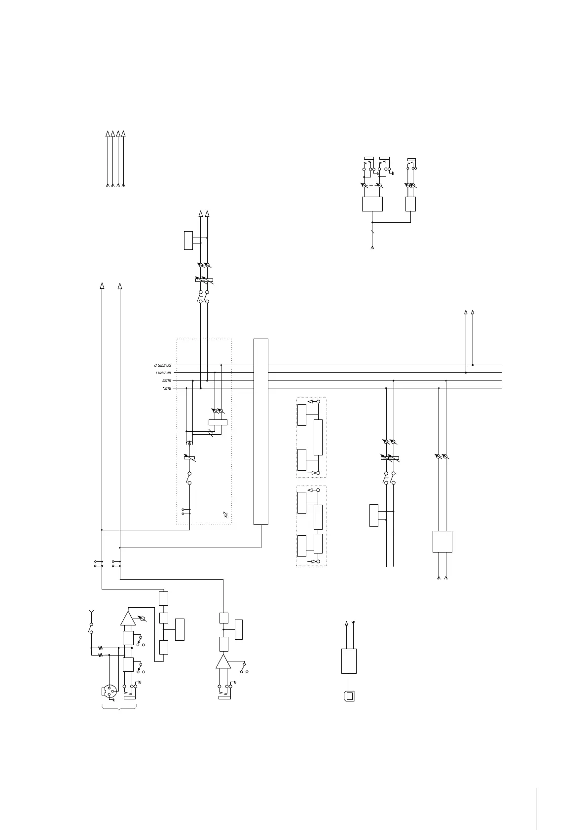
UR242- 44.1/88.2/96 kHz - iPad
MUTE
LEVEL
PAN
MUTE
LEVEL
BAL
METER
LEVEL
REV-X
REVERBL
REVERBR
REV
SELECT
2
2
DIRECTOUT3(,4)
USB
ENCODER
DECODER
FROMDAW1-2
TODAW1-4
DAWINPUT/OUTPUT
2INPUT/4OUTPUT
FROMDAW1
FROMDAW2
METER
MUTE BAL
MASTER
MIXOUTL/R
PHONES
[3.75mW40ohms]
D/A
LEVEL
LEVEL
D/A
[+4dBu]
R
MAINOUTPUT
L
REVERBL
REVERBR
MIXOUTL/R
2
FXINSERT
METER
3BandEQCOMP
(GainReduction)
Ch.StripBlockx4
METER
DIRECTOUT1
DIRECTOUT2
DIRECTOUT3
DIRECTOUT4
TODAW1
TODAW2
TODAW3
TODAW4
G.A.ClassicsBlockx1
METER
METER
G.A.Classics
A/D
Φ
METER
LINEINPUT
CH3-4
[-10dBV/+4dBu]
-10dBV
+4dBu
HA
MIC/LINEINPUT
CH1-2
GAIN
[-30dBu〜+14dBu]
[-56dBu〜-12dBu]
A/D
HPF
Φ
0
26
PAD
+48V
Hi-Z
ON
OFF
CH2only
[-56dBu〜+14dBu]
METER
NominalInput
DIRECTOUT1(,2)
sameasabove
FXINSERT
FXINSERT

Other manuals for Steinberg UR242