EasyManua.ls Logo

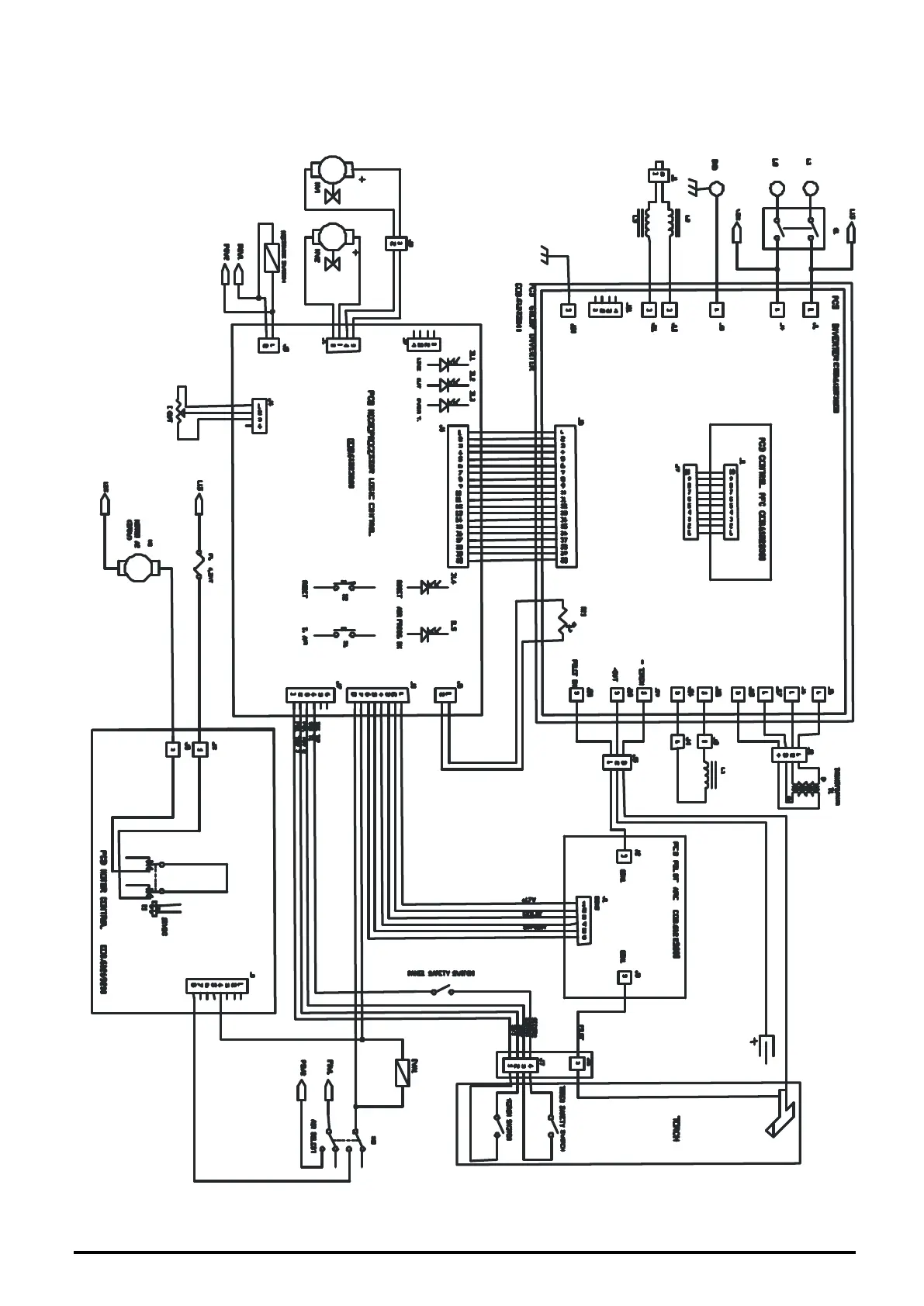
Stel THOR 41K PFC - Wiring Diagram

Stel THOR 41K PFC
Print Icon
To Next Page IconTo Next Page
To Next Page IconTo Next Page
To Previous Page IconTo Previous Page
To Previous Page IconTo Previous Page
Loading...
6929500020
24
WIRING DIAGRAM