EasyManua.ls Logo

Stihl MS 211 C-BE - Reactive Forces; Kickback Hazards

Stihl MS 211 C-BE
30 pages
Print Icon
To Next Page IconTo Next Page
To Next Page IconTo Next Page
To Previous Page IconTo Previous Page
To Previous Page IconTo Previous Page
Loading...
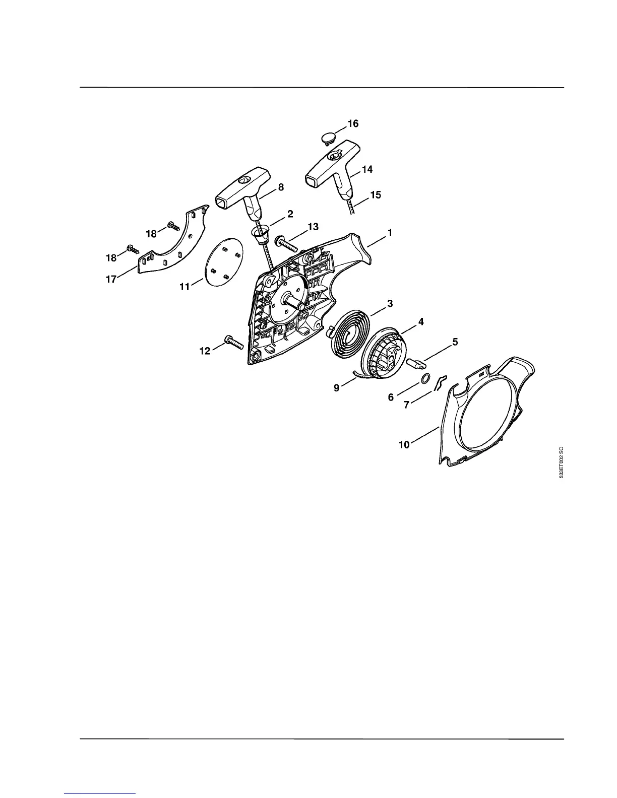
Drawing D Rewind starter
MS 211, MS 211 C
7
SCS 01-2010 3.29

Other manuals for Stihl MS 211 C-BE

Related product manuals